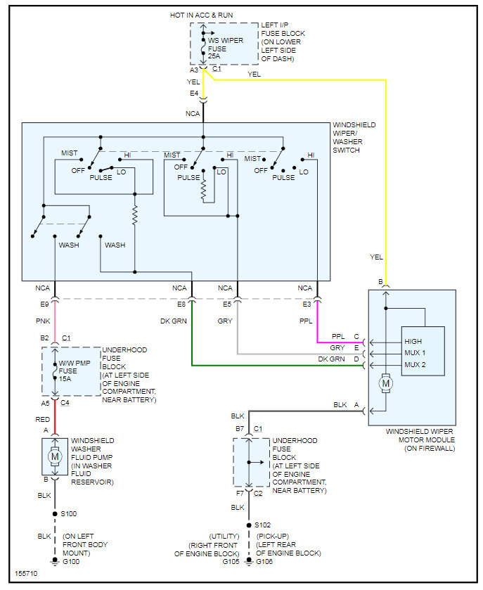
Thanks for your replies. Apparently on my 2002 Silverado, the control board is built into the plastic cover. When I removed the cover I saw no way to remove the board. I just today replaced the entire motor assembly, I got the whole thing on EBAY for the price of the cover alone. I am happy to say I have all speeds working now and all seems well. Sadly, as I was doing the work, I remembered I need a tune up, and can't even see the distributor cap, looks like major surgery just to replace the cap, don't ya just love these new vehicles. Thanks again, I really like this forum.
Dec 15, 2020 at 5:12 PM
(Merged)