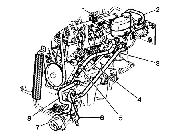
My power steering hose on the return line blows off after you start the truck up in extremely cold weather (-5 or below). This has happened at least 4 times in the past 3 years. After the last time I added an extra clamp but this did not work.
I just took it in to a garage, the mechanic checked out the hose,
and ps radiator and said all was fine.
Any ideas what would cause this ??
Mike
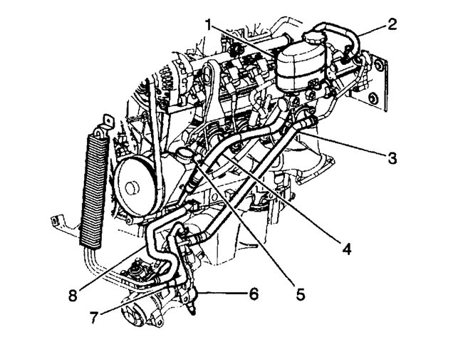
I just took it in to a garage, the mechanic checked out the hose,
and ps radiator and said all was fine.
Any ideas what would cause this ??
Mike
Feb 1, 2008 at 2:43 PM

