My horn won't work I've tried changing the fuse?

2000 CHEVROLET SILVERADO
Avatar
CAMPING
  • MEMBER
  • 1 POST
My horn won't work I've tried changing the fuse?
Jul 19, 2008 at 7:09 AM
Advertisement
Avatar
SQM
  • CERTIFIED EXPERT
  • 6,383 POSTS
Hello,

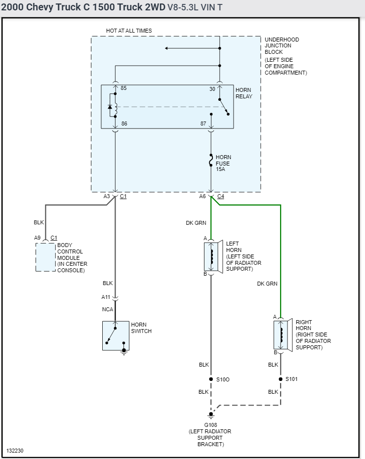
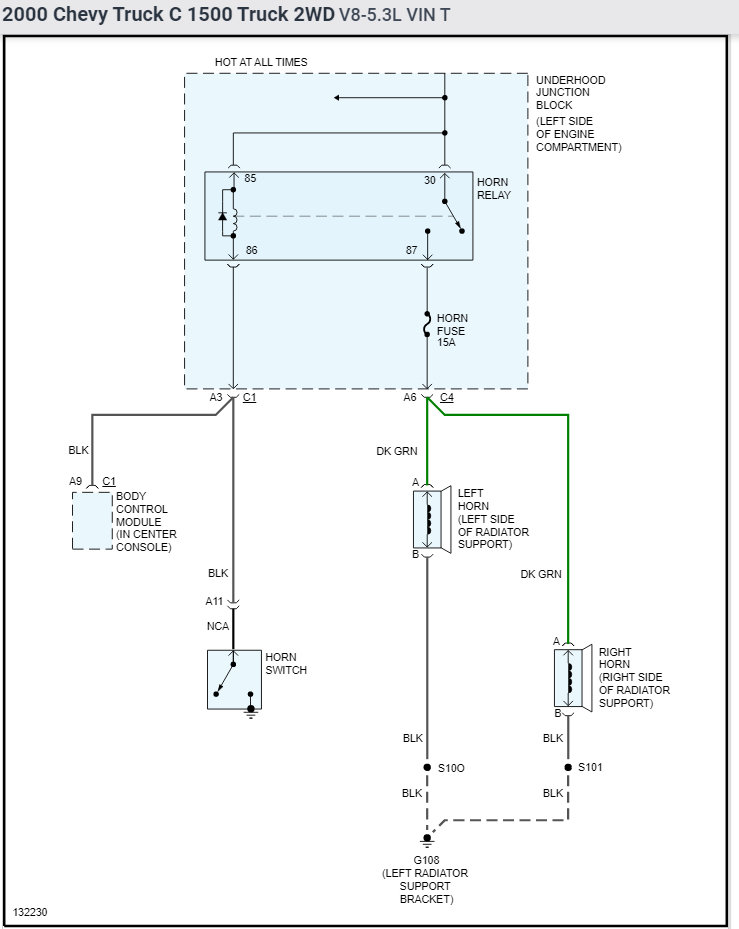
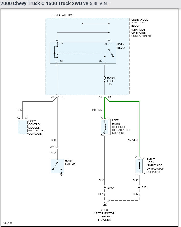
An inoperative horn can be due to a faulty horn relay, wiring issue, malfunctioning switch or a bad horn.
The relay for the horn is located in the under-hood fuse box (see diagram below).
Check the relay for any burn pin(s) or corrosion.
That relay can also be tested:

https://www.2carpros.com/articles/how-to-check-an-electrical-relay-and-wiring-control-circuit

If the relay is good, then check to see if you have any power to the horn. If there is power, then the issue is faulty horn. If there is no power, then it could be a bad switch.

I have attached the wiring schematics below for your reference.

Please let me know if you have any questions.
Thank you.
Jan 29, 2022 at 9:51 PM