Hi,
This code is set when there is low or high voltage sent from the knock sensor. Since the module has been replaced, chances are either it is a wiring issue or the ignition control is bad (part of PCM).
If you look at the attachments below, they provide the diagnostics for determining if there is a voltage issue or if it is a sensor. Since the code is still present, you can most likely skip step one and jump to step 2.
Here is a link you may find helpful:
https://www.2carpros.com/articles/how-to-check-wiring
Let me know what you find or if you have other questions. Also, the directions below are for a truck having an automatic transmission. If your vehicle is a manual, let me know. Also, the third pic is more or less a description of the circuit and what causes the code to set.
Take care,
Joe
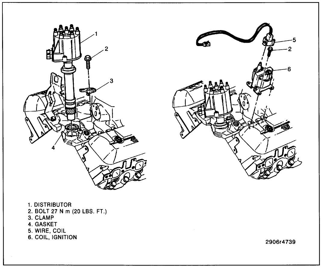
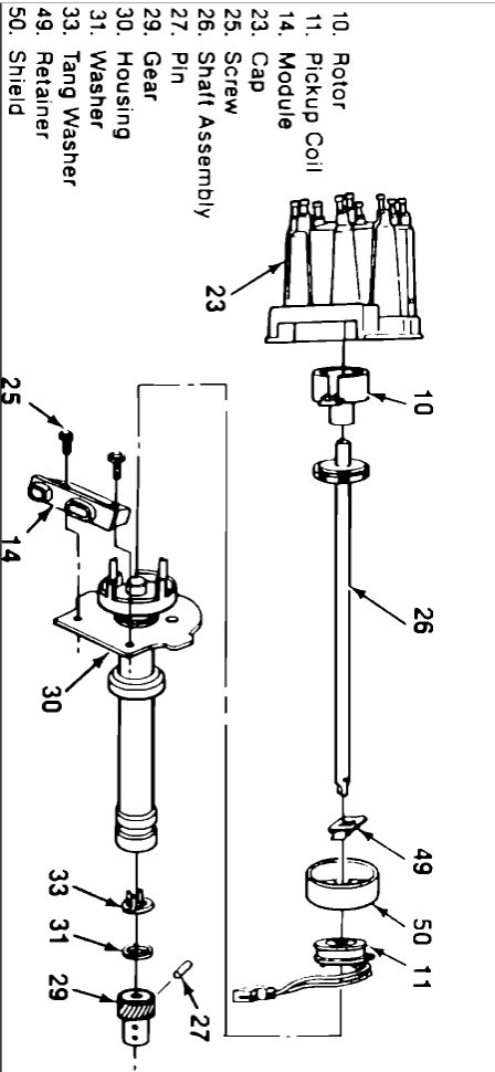
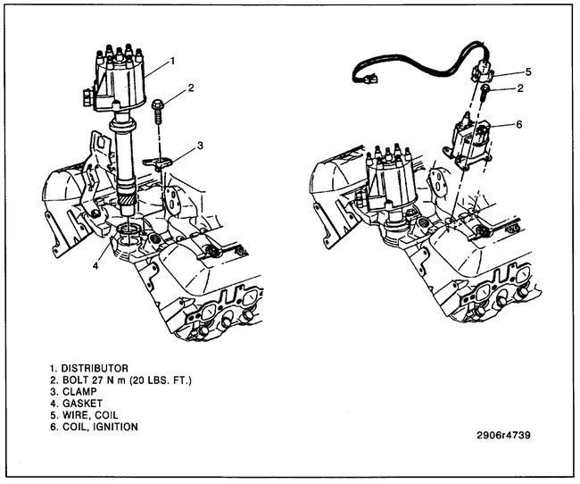
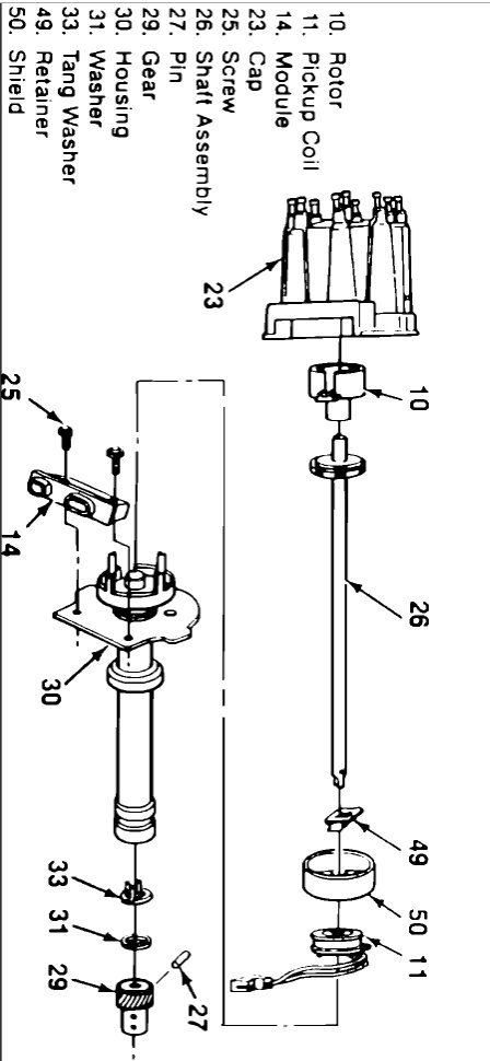
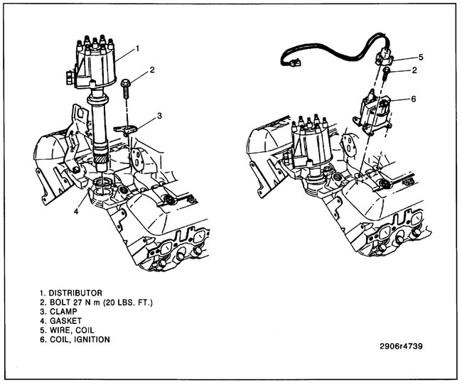
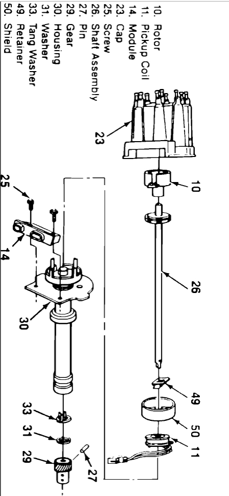
See pics below.
Images (Click to enlarge)
Jun 10, 2021 at 6:25 PM