Electrical problem V8 Two Wheel Drive Automatic 43000 miles
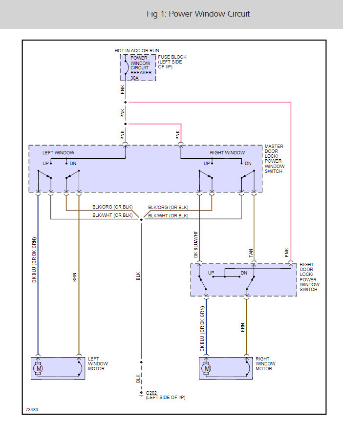
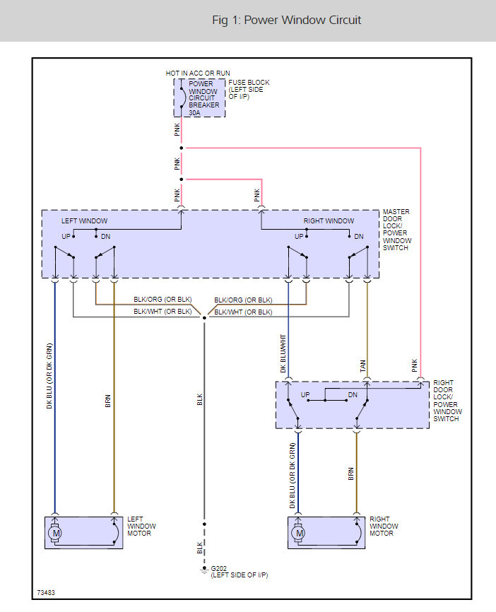
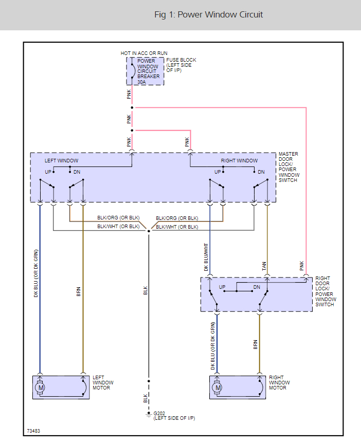
Passenger side window will not go down. I took the motor out of the door and jumped it off of a battery and it worked in both diections just fine. I plugged it back up and it will go up from the switch on the driver side and the passenger side , but would not go down. I tested the wire lead that plugs into the motor with a test light. On the down side of the lead I get a light when I push down on the switch. On the up side of the lead I get a light when I push up on the switch. When the lead is plugged into the motor the motor will do nothing when I push down on the switch but works fine when I push up on the switch. I'm pretty sure this is a ground problem but do not know where to start looking.Also I have removed all switches and put them on the driver window switch location and they all work fine on the driver window so this rules out the switches. THANKS
Passenger side window will not go down. I took the motor out of the door and jumped it off of a battery and it worked in both diections just fine. I plugged it back up and it will go up from the switch on the driver side and the passenger side , but would not go down. I tested the wire lead that plugs into the motor with a test light. On the down side of the lead I get a light when I push down on the switch. On the up side of the lead I get a light when I push up on the switch. When the lead is plugged into the motor the motor will do nothing when I push down on the switch but works fine when I push up on the switch. I'm pretty sure this is a ground problem but do not know where to start looking.Also I have removed all switches and put them on the driver window switch location and they all work fine on the driver window so this rules out the switches. THANKS
Nov 28, 2009 at 9:55 PM
