removing fuel tank

2002 CHEVROLET S-10
Avatar
RTBAMA92
  • MEMBER
  • 1 POST
How do you remove the fuel tank? I love this site
Feb 28, 2010 at 2:03 PM
Advertisement
Avatar
STRAILER
  • CERTIFIED EXPERT
  • 53,854 POSTS
Hello,

You must drain the fuel first here is a video so you can see how to do it.

https://youtu.be/Q5MH2gnyFH0

To remove the tank you have to relieve pressure then drain fuel. Raise and support vehicle and support fuel tank. Remove straps from tank and lower down some, then remove wiring and fuel lines from tank.

Here is a guide that will give you an idea of what you are in for when doing the job.

https://www.2carpros.com/articles/how-to-replace-an-electric-fuel-pump

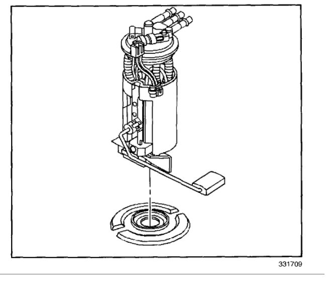
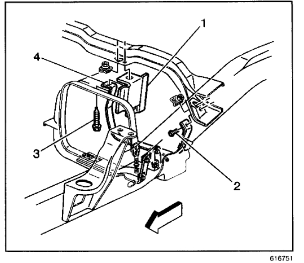
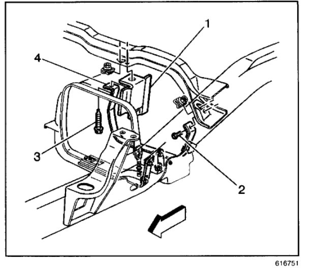
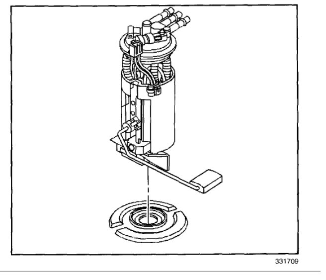
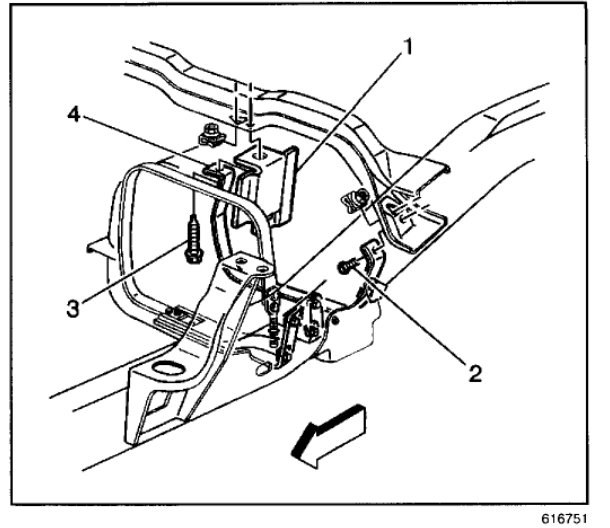
Here is what it will be like on your truck (below)

Tighten the fuel tank shield bolts (2) to 11 N.m (97 lb in) .
Tighten the fuel tank shield nut (4) to 25 N.m (18 lb ft) .
Install the fuel tank shield to crossmember bolts (1) and nuts (6).
Tighten the fuel tank shield bolts and nuts to 23 N.m (17 lb ft) .

Please let us know if you need anything else to get the problem fixed.

Cheers, Ken
Nov 26, 2017 at 9:07 PM
Avatar
MATNIC
  • MEMBER
  • 1 POST
Engine Mechanical problem
2002 Chevy S-10 6 cyl Four Wheel Drive Automatic 103,00 miles
----------------------------------------------------------------
I have a 2002 S10 crew cab PU. I am trying to remove the fuel tank. The Claymers manual shows two straps holding it but mine seems to have a piece with 4 bolts holding it under the tank.Almost seems like the drive shaft needs to come out and the tank should slide out to the side. Any thoughts?
Nov 26, 2017 at 9:08 PM (Merged)
Advertisement
Avatar
SWILLIAMS
  • CERTIFIED EXPERT
  • 597 POSTS
Sounds like your vehicle has the optional skid plates on it. Those 4 bolts should come out using a torx bit and some luck. Then you will find the 2 straps that hold the tank in place. When you get the skid plate off you will probably want to grab a cheap die and chase the threads on the bolts that hold the strap. They tend to rust and then the bolts can break off. Not fun.
Nov 26, 2017 at 9:08 PM (Merged)
Avatar
TRUEFIRE04
  • MEMBER
  • 35 POSTS
its easier to pull the bed of to get to the pump, unless its a crew cab.
Nov 26, 2017 at 9:08 PM (Merged)
Avatar
ED SPORBERT
  • MEMBER
  • 1 POST
2003 Chevy S-10 6 cyl Four Wheel Drive Automatic 44000 miles

Over the past 4 months my gas milage has been reduced by 5+ miles per gallon around town. I do not smell gas nor do I notice any difference in throttle pressure. My around town mileage has gone from 16+mpg to as low as 10 mpg. The only thing different has been an oil change. I was using mobil one 5w-30. Then used Shell synthetic 10w-30. The milge started to get less about a month after the oil change. Any ideas?

updated 12/31/08

Just got back from auto zone. Had them do an error code check. The truck check out okay. There suggestion was to change the brand of gas I was using. What I have been using for the past 10 years has been gas from BJ's. I have not had any problems with there gas. It was there suggestion to put some lucas fuel treatment in the tank and then also change the gas I have been using. The change of gas will take some time as the tank is full. I am planning on running down to less than a 1/4 tank before fill up. Will let you when all this occurs. This may take a month as I do not drive to much in the winter.
I was wondering if all the alcohol in gas nowadays is attracting to much water in the gas? I use an enzyme additive in my boat and small engines for that reason.
Nov 26, 2017 at 9:08 PM (Merged)
Avatar
IMPALASS
  • CERTIFIED EXPERT
  • 3,112 POSTS
Hello –

To better assist you is your vehicle a Pickup or Blazer. Also is your engine size a 4.3L and the 8th digit of your VIN X?

Next, please go to Auto Zone (AZ) or O’Reilly’s (OR) and for FREE they can pull the codes to the car. Most important: Once they check your codes, if they find something and you don’t get it fixed and need to get back with us, please make sure you tell us exactly what the code was, number and all. Example, if the code was E0568 O2 Sensor bad. Then make sure you give us all of that. While there for FREE also they can bring their tester out and check your battery and alternator.

Please get back with me on the above and we will look at some items.
Nov 26, 2017 at 9:08 PM (Merged)
Avatar
IMPALASS
  • CERTIFIED EXPERT
  • 3,112 POSTS
Hello –

WOW! The Pic came out huge....sorry....

For some reason your post didn’t come back to me……make sure you use the Reply to Question at the bottom of the post to return your answer.

A decrease in gas mileage can be contributed to a bad coolant engine temperature sensor.


Since you have been getting your fuel at BJs for 10 years, I wouldn’t think that is the problem. I have not seen any TSB etc on problems with the alcohol etc. Many of the vehicles now days are so sensitive it wouldn’t take much to put them out of running order. Has anyone else that you know of had the same problems from BJs?

I suggest you check the ECT…………..

If you need more info from me, please make sure you let me know your exact model, is your vehicle a Pickup or Blazer etc. Also is your engine size a 4.3L and the 8th digit of your VIN X?
Nov 26, 2017 at 9:08 PM (Merged)
Avatar
DRAGON19884
  • MEMBER
  • 1 POST
i have a part that was found on ground after removal of gas tank of a chevy s10 pickup ls 6 cyc 4.3ltr and no idea were it goes got any ideas? part number R15713071
Nov 26, 2017 at 9:08 PM (Merged)
Avatar
SATURNTECH9
  • CERTIFIED EXPERT
  • 30,869 POSTS
Take a look at this website its call out 18 see if it looks like your part.Let me know.
Nov 26, 2017 at 9:08 PM (Merged)
Avatar
RBRTBOOK
  • MEMBER
  • 1 POST
2001 Chevy S-10 6 cyl Automatic

Need to lower the fuel tank to remove the fuel pump. Best procedure?
Nov 26, 2017 at 9:08 PM (Merged)
Avatar
BLUELIGHTNIN6
  • CERTIFIED EXPERT
  • 16,542 POSTS
its easier just to remove the truck bed on smaller trucks like the s10 then it is remove the tank.
Nov 26, 2017 at 9:08 PM (Merged)
Avatar
  • MEMBER
  • 1 POST
Engine problem
2001 Chevy S-10 100000 miles
----------------------------------------------------------------
gas tank has been tampered with possibly dish soap was put in gas tank. would it be necessary to replace the fuel module, fuel pump and new filter?
Nov 26, 2017 at 9:08 PM (Merged)
Avatar
MHPAUTOS
  • CERTIFIED EXPERT
  • 31,937 POSTS
Hi there, depending on how much was put in, you will have to replace the filter, possibly more than once, if the tank is full of fuel it will be a pain to remove and drain, you dont want to run the pump to long to drain tank as it may start to overheat,
You may be able to remove the pump and sender unit to try and syphon out most of the fuel, change the filter and look at draining the tank. as a starter point.

Mark (mhpautos)
Nov 26, 2017 at 9:08 PM (Merged)
Avatar
KENTOSBORNE
  • MEMBER
  • 1 POST
I would like to know step by step and location of retaining bolts to remove the gas tank for the above vehicle.
Apr 16, 2019 at 1:07 PM (Merged)
Avatar
WRENCHTECH
  • CERTIFIED EXPERT
  • 20,761 POSTS
The tank is held in by 2 straps plus the electrical plug and lines going in.

You might find that it's easier to lift the bed off than pull the tank. That's what I do.

Remove the 4 bolts from the driver's side and loosen the ones on the right side. Remove the screws from the filler and you can tilt the bed toward the passenger side. Just make sure it is supported well before getting under it.
Apr 16, 2019 at 1:07 PM (Merged)
Avatar
RNAESETH
  • MEMBER
  • 1 POST
Engine Mechanical problem
1997 Chevy S-10 6 cyl Four Wheel Drive Automatic 120K miles

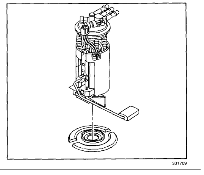
Replacing the fuel pump, which is in the tank. How to drop the tank is the question.
Apr 16, 2019 at 1:07 PM (Merged)
Avatar
OBXAUTOMEDIC
  • CERTIFIED EXPERT
  • 3,711 POSTS
Hello,

Thank You for the donation....

It's been a while since worked under an S10 but I believe there is a shield protecting the tank itself, which will have about 6 bolts holding it.

If not then there are 2 straps hold the tank up, and only 2 bolts. If you are using a floor jack I suggest you get a piece of plywood at least 14" x 14" to distribute the wieght of the tank. You will also need to remove the bolts inside the gas fill that is holding the fill tube.

After that slowly lower the tank till you can get to the eletrical and fuel connections to disconnect.

Once disconnected lower tank to ground and replace pump.

.
Apr 16, 2019 at 1:07 PM (Merged)
Avatar
2CP-ARCHIVES
  • MEMBER
  • 4,540 POSTS
My 1987 S-10 Blazer has sat Non-Op status for 4 years. What are the steps necessary to safely drain and replace the gasoline, that has sat in the gasoline tank over that period of time?
Apr 16, 2019 at 1:07 PM (Merged)
Avatar
JACOBANDNICKOLAS
  • CERTIFIED EXPERT
  • 110,175 POSTS
You need to remove the fuel tank to empty it and clean it out. Also, remove the fuel supply at the engine and blow air through it so nothing is in the fuel line. check it over carefully to make sure mice or other animals didn't make a nest or chew up wiring.
Apr 16, 2019 at 1:07 PM (Merged)
Avatar
HESPEY25
  • MEMBER
  • 1 POST
i am trying to remove the gas tank in my 97 chevy s10 4x4 4.3 v6 i have removed the straps but wont drop the only thing i can see is the support bar twards the front of the tank do i need to remove that in order to drop the tank or is there another way becouse its kinda a pain in the ass
Apr 16, 2019 at 1:07 PM (Merged)
Avatar
CARADIODOC
  • CERTIFIED EXPERT
  • 34,306 POSTS
I see there's no reply yet, and the site was down for a few days, so let me ask, why are you removing the tank? If the fuel pump is not running, AND you have a metal tank that is rusty, use a grounded test light to measure for voltage on the tank itself when you first turn on the ignition switch or during engine cranking. If you find voltage there, the pump is not grounded due to the rust. An easy fix is to drill a small hole outside of the seam weld, run a self-tapping screw in there, and attach a separate ground wire that is also attached to the body or frame.
Apr 16, 2019 at 1:07 PM (Merged)
Avatar
STEPHEN SAULS
  • MEMBER
  • 2 POSTS
I have a 2002 Chevy s10 crew cab has the small bed on it. Everywhere I see it says there is 8 bolts holding the bed on, 4 on each side but I can only find 3 on each side maybe because the bed is smaller. Does anyone know if the crew cab has 6 or 8 bolts holding the bed on?
Jul 19, 2019 at 5:56 PM
Avatar
STRAILER
  • CERTIFIED EXPERT
  • 53,854 POSTS
Please post your new question here, you must be logged in.

https://www.2carpros.com/questions/new

Cheers, Ken
Jul 20, 2019 at 10:45 AM