ac unit not working

2002 CHEVROLET S-10
Avatar
BRIAN DUFFANY
  • MEMBER
  • 1 POST
Air Conditioning problem 4 cyl Two Wheel Drive Manual 85000 miles

I just refilled my ac unit with r134. it still is blowing hot air. I took it to my buddy's shop and we cleaned all the lines out and changed the orphus tube. We put everything back together and refilled it. The high side is only reading 100 on the gauge. The compressor is working but the cold air it is not getting circulated through the system and is still blowing hot air. What next?
Jun 22, 2010 at 5:20 PM
Advertisement
Avatar
STRAILER
  • CERTIFIED EXPERT
  • 53,855 POSTS
Hello,

It sounds like you have a compressor that has gone out becasue the seals are worn out. Here is a guide to show you how to change the compressor out and vacuum down and recharge the system.

https://www.2carpros.com/articles/replace-air-conditioner-compressor

and

https://www.2carpros.com/articles/re-charge-an-air-conditioner-system

This guide may help as well.

https://www.2carpros.com/articles/car-air-conditioner-not-working-or-is-weak

Here is a belt diagram page for you too.

https://www.2carpros.com/diagrams/chevrolet/s10-pickup/2002

Tighten the bolts to 50 N.m (37 lb ft) .
Tighten the nut to 12 N.m (106 lb in) .

(Check out the diagrams below)

Please let us know if you need anything else to get the problem fixed.

Cheers, Ken
Nov 20, 2017 at 3:12 PM
Avatar
WUNDERWRENCH
  • MEMBER
  • 4 POSTS
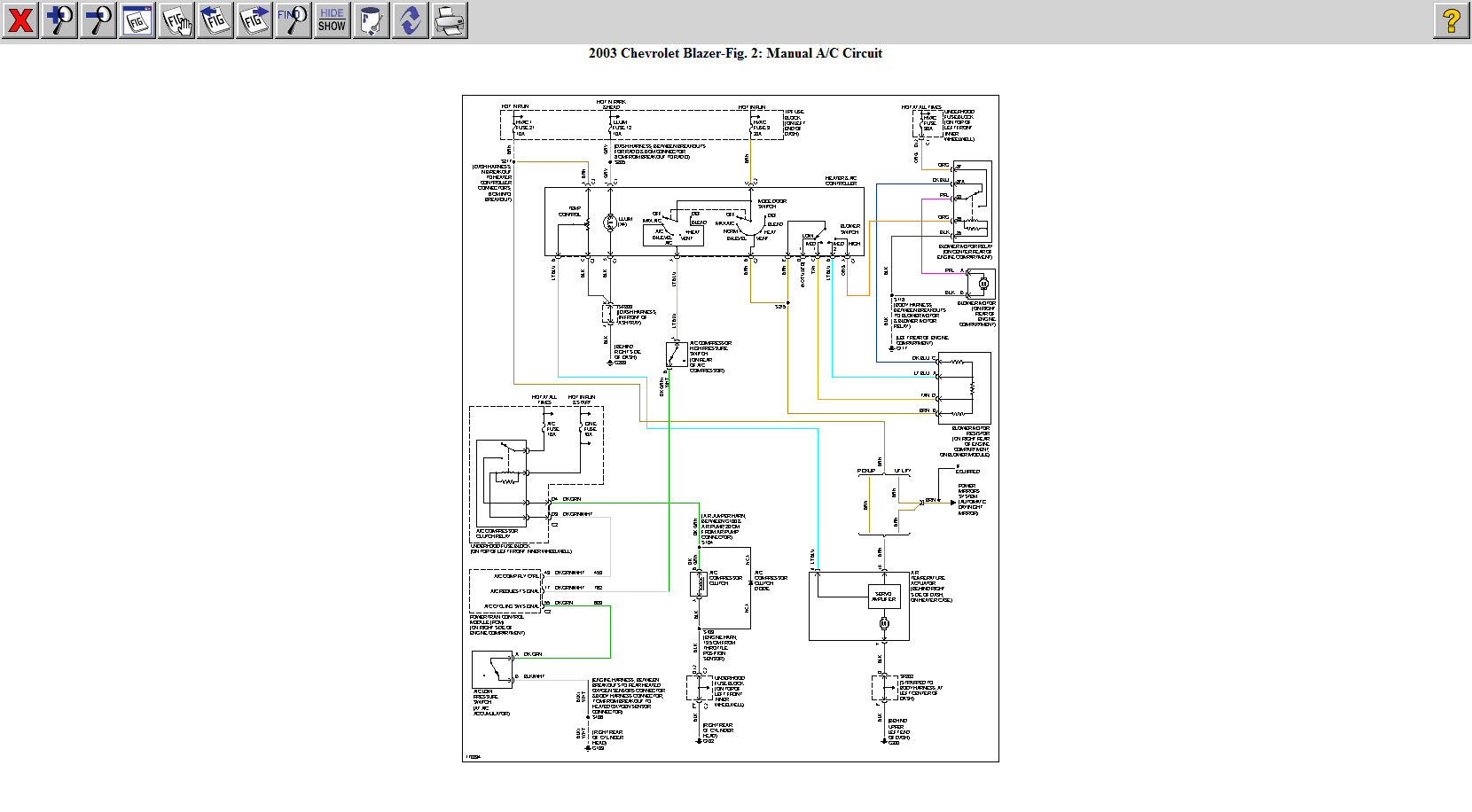
I am trying to hunt the failure to blow hot air and would like to be able to see the gm schematic of the parts layout of the heat/coolac system.
I can't find parts scematic for spit.
Help
Thanks
Nov 20, 2017 at 3:15 PM (Merged)
Advertisement
Avatar
HMAC300
  • CERTIFIED EXPERT
  • 48,601 POSTS
if it's not blowing on high, it can be a relay, if not on the lower speeds then it 's probably the resistor. the resistor is by the blower motor. but i'll send your schematic.
Nov 20, 2017 at 3:15 PM (Merged)
Avatar
WUNDERWRENCH
  • MEMBER
  • 4 POSTS
hmac300
Thanks for that good buddy.
I Probably should have been a little more complete in my question.
I have been into this thing and the actuator is shot but I have the door in open to allow heat and all fans are working. At one point last year I pulled the heater core hoses and flushed to check for flow and was good but of note the flow rater from the water pump seemed? lower then I expect. Not knowing the car just thought? Making sure radiator is topped but it appears? that it's not showing flow at the top of radiator. So my thought is thermostat is stuck but temp gauge in car shows ? 165 ish. But it has been nothing but cold so I was hoping for parts schematic to trace components.
I have so delayed trying to go into the heater/doors distribution under the dash. That's the reason for wanting a schematic. I am a fairly competent mechanic just not wanting to be an expert on this s10. And I know from the stories the criminality of this and like problem, very disappointing.
Thanks again.
Nov 20, 2017 at 3:15 PM (Merged)
Avatar
WUNDERWRENCH
  • MEMBER
  • 4 POSTS
My self made page editor
rater should be rate
criminality ? don't know what I had in my mind but I guess it could be but I think I had some other gm outrage in my mind.
You know 4 wheels go round you get there throw in some fancy fans and make a little heat cool. I need to go back to the flintstone mobile.
But that's the outrage at these stupid problems/poor design execution.
Nov 20, 2017 at 3:15 PM (Merged)
Avatar
WUNDERWRENCH
  • MEMBER
  • 4 POSTS
hmac300
I reread and had done so be fore I posted the original question. but I had looked and could find no Heater Control Valve. If it's some where I don't know where. I also note that the reserve tank has emptied and as it was in the garage running for a good 15 min when gal pal left there was fluid on the floor and ? first on the list is replace the cap(knocks me head cause I know that.) Last spring I had drained(pulled lower hose) and replace the antifreeze
Nov 20, 2017 at 3:15 PM (Merged)
Avatar
ANGIEMARIE
  • MEMBER
  • 1 POST
Air Conditioning problem
2003 Chevy S-10 4 cyl Two Wheel Drive Manual

AC not blowing cold air. The R-134 coolant is at the correct level. Changed the compressor relay. What is the next check? Oh and checked the fuses also.
Nov 20, 2017 at 3:15 PM (Merged)
Avatar
THACKERY
  • MEMBER
  • 2 POSTS
Is the compressor clutch pulling in? Watch the front of the compressor when the ac is on the entire plate in front of the pulley should be turning.
Also, there are several AC fuses. Did you find them all?
I had a fuse blown for my AC, I think it was fuse #9 in the fuse panel inside the engine compartment.

Thackery
Nov 20, 2017 at 3:15 PM (Merged)
Avatar
HMAC300
  • CERTIFIED EXPERT
  • 48,601 POSTS
if you are leaking fluid pressure check it to see where. inlet and headgaskets are a good place ot start unless it's a hose. you should have a 195 degree t-stat in itand make sure that both heater hoses shold be about the same temp you can feel that by hand. Your actuators shold be operated by vacuum as that is what my manual says. If the actuators them selves are broken you will have to pull the heater as wellas the dash to fix it. There is no heatercontrol valveso no need to look for it, that is what the actuators are for. we have no schematic of the entire cooling system. at least in our manual......
Nov 20, 2017 at 3:15 PM (Merged)
Avatar
COD4W
  • MEMBER
  • 1 POST
Air Conditioning problem
2000 Chevy S-10 4 cyl Two Wheel Drive Automatic 120000 miles

i replaced the coil and clutch and am not getting voltage to coil. and also no power to any of the hvac fuses or relays in the underhood fuse box
Nov 20, 2017 at 3:16 PM (Merged)
Avatar
BILL T.
  • MEMBER
  • 3 POSTS
[quote="cod4w"]Air Conditioning problem
2000 Chevy S-10 4 cyl Two Wheel Drive Automatic 120000 miles

i replaced the coil and clutch and am not getting voltage to coil. and also no power to any of the hvac fuses or relays in the underhood fuse box[/ Check the 12 volt supply at the engine compartment fuse
and relay box. Check the HVAC fuse in this box.
Nov 20, 2017 at 3:16 PM (Merged)
Avatar
DWJOHNSON6
  • MEMBER
  • 3 POSTS
Heater problem
2000 Chevy S-10 4 cyl Two Wheel Drive Manual 60,000 miles

When I turn my heat on, it only blows warm/air temperature air. It does not blow hot air. The A/C blows cold air, all the vent doors are working to my knowledge. I replaced the vacuum lines that run across the top of the engine, and into the sidewall. There is good vacuum from the controls to the input behind the glovebox. It just doesn't blow hot air? Any inputs?
Nov 20, 2017 at 3:16 PM (Merged)
Avatar
RASMATAZ
  • CERTIFIED EXPERT
  • 75,992 POSTS
Inspect and test the thermostat could be stuck open
Nov 20, 2017 at 3:16 PM (Merged)
Avatar
DWJOHNSON6
  • MEMBER
  • 3 POSTS
Even if i don't have issues with the engine temp? It runs normal with no issues
Nov 20, 2017 at 3:16 PM (Merged)
Avatar
RASMATAZ
  • CERTIFIED EXPERT
  • 75,992 POSTS
Check the thermostat, heater condtorl valve and the heater core
Nov 20, 2017 at 3:16 PM (Merged)
Avatar
DWJOHNSON6
  • MEMBER
  • 3 POSTS
Where exactly is the heater control valve on the 2000 Chevy S10? I cant find vacuum diagrams ANYWHERE. It is the only thing else that i can think of
Nov 20, 2017 at 3:16 PM (Merged)
Avatar
GLENNOLO
  • MEMBER
  • 3 POSTS
I have a 2000 s10 zr-2 with 90000 miles. The a/c stopped working and only blows hot air. I replaced the compressor, clutch, accumulator, and the expansion tube, but no luck still blows hot air. The new clutch is not turning. Please help.

Hot In AZ
Nov 20, 2017 at 3:16 PM (Merged)
Avatar
BOOTDOG
  • CERTIFIED EXPERT
  • 665 POSTS
make sure you have enough freon and oil in the system, check for bad fuses/relays, also the high and/or low pressure switches could be bad. you can bypass the switches with a paper clip.
Nov 20, 2017 at 3:16 PM (Merged)
Avatar
GLENNOLO
  • MEMBER
  • 3 POSTS
I checked the fuses/oil/freon all are good.
Nov 20, 2017 at 3:16 PM (Merged)
Avatar
GLENNOLO
  • MEMBER
  • 3 POSTS
It was the switch on the drier. So problem solved.
Just one more thing do you vacuum the a/c line when the car is running? Or when it is turned off?
Nov 20, 2017 at 3:16 PM (Merged)
Avatar
BOOTDOG
  • CERTIFIED EXPERT
  • 665 POSTS
i do it when it's off.
Nov 20, 2017 at 3:16 PM (Merged)
Avatar
WITTENBRINK
  • MEMBER
  • 1 POST
Air Conditioning problem
2003 Chevy S-10 4 cyl Two Wheel Drive Automatic 115000 miles

On my 2003 s-10 I've noticed that when my compressor is running, my low side pressure is almost 150 psi. The a/c quit working about 2 weeks ago. I went to the parts store and got a bottle of refrigerant only to discover that my system is about 100 lbs over. what do i need to be looking at? do i have a bloockage, do i need a new compressor, or just have it pumped down and pumped back up again. the clutch engages, yet no hoses get hot or cold.
Nov 20, 2017 at 3:16 PM (Merged)
Avatar
RASMATAZ
  • CERTIFIED EXPERT
  • 75,992 POSTS
Hi wittenbrink, Welcome to 2carpros and TY for the donation

Its either overcharged or the there's air and moisture in it the needs vacuuming out
Nov 20, 2017 at 3:16 PM (Merged)
Avatar
TSLOWLOWREGAL
  • MEMBER
  • 6 POSTS
Air Conditioning problem
2001 Chevy S-10 4 cyl Two Wheel Drive Automatic 73500 miles

Ok now I have a new problem with my s10,

My A/C had been working great but all of a sudden it just stop blowing cold air
I did notice that my compressor is kicking in but still no cold air

Also I noticed that my climate control knob don’t work I mean it blows air thru all the vents at the same time

Any help would be great
Thx
Freddy
Nov 20, 2017 at 3:16 PM (Merged)
Avatar
BILLYMAC
  • CERTIFIED EXPERT
  • 2,204 POSTS
i would check the pressure first if ok. replace the heater climate control
Nov 20, 2017 at 3:16 PM (Merged)
Avatar
TX_WOLFMAN
  • MEMBER
  • 18 POSTS
Interior problem
2003 Chevy S-10 4 cyl Two Wheel Drive Manual

No matter what you put the selector on the heated air only blows out the dash, no floor or defroster. I know this has to do with the blend doors, but don't know how to go about it.
Nov 20, 2017 at 3:16 PM (Merged)
Avatar
SWILLIAMS
  • CERTIFIED EXPERT
  • 597 POSTS
Common cause for this is a loss of vacuum to the interior controls. Open the hood and check the vacuum connections near the brake booster. They get cruddy and fall apart or split.
The other item that sometimes happens is the vacuum chamber cracks or the check valve in it fails.
Nov 20, 2017 at 3:16 PM (Merged)
Avatar
HEBER
  • MEMBER
  • 4 POSTS
It starts up good when I drive it bout three miles it like it is running out of gas but it stared doing this when it started to get cold mornings when it in the day it don't do it runs good?
Nov 20, 2017 at 3:16 PM (Merged)
Avatar
HMAC300
  • CERTIFIED EXPERT
  • 48,601 POSTS
scan for codes and check fuel pressure first.
Nov 20, 2017 at 3:16 PM (Merged)
Avatar
HEBER
  • MEMBER
  • 4 POSTS
Thanks
Nov 20, 2017 at 3:16 PM (Merged)
Avatar
JACOBANDNICKOLAS
  • CERTIFIED EXPERT
  • 110,175 POSTS
It sounds like you may have a problem with fuel pressure. Check that first.
Nov 20, 2017 at 3:16 PM (Merged)
Avatar
HEBER
  • MEMBER
  • 4 POSTS
U think maybe be the fuel pump getting weak ?
Nov 20, 2017 at 3:16 PM (Merged)
Avatar
SANDINO
  • MEMBER
  • 1 POST
I have a 2000 S-10, 3.0 liter, with 130,000 km. The A/C sometimes blows cold air, but not always. I had it recharged last summer, but the shop could find no leaks, though it worked great after servicing. Recently turned it on, got no real cooling, then it delivered cold air for a while, now getting no cold air again. It was suggested to me that there might be a problem with heater ducts, and that the A/C might be competing with the heater...........how can I check?? Thanks KS
Nov 20, 2017 at 3:16 PM (Merged)
Avatar
DPWD23
  • CERTIFIED EXPERT
  • 136 POSTS
First make sure the compressor is running when you have the A/C turned on. If it is not, then have the system serviced to bring it to full proper charge, and have them add the UV dye to the system while they are charging it.

Get a UV pen and glasses so you can see the stuff glow, and run the A/C full blast for a week. Check for leaks.

You can check the dampers for movement if you believe their is a war raging in your dash. Just move the controls from hot to cold and listen for movement (blower on low). It may help to have your head under the dash on the passenger side while doing this to hear things better. If no movement is heard, then a little exploratory surgery could be in order.
Nov 20, 2017 at 3:16 PM (Merged)
Avatar
JACOBANDNICKOLAS
  • CERTIFIED EXPERT
  • 110,175 POSTS
Maybe
Nov 20, 2017 at 3:16 PM (Merged)
Avatar
HEBER
  • MEMBER
  • 4 POSTS
I ran a code test on my 2000 Chevy s10 the code came back and said fuel flex circuit where is that located at on the truck ?
Nov 20, 2017 at 3:16 PM (Merged)