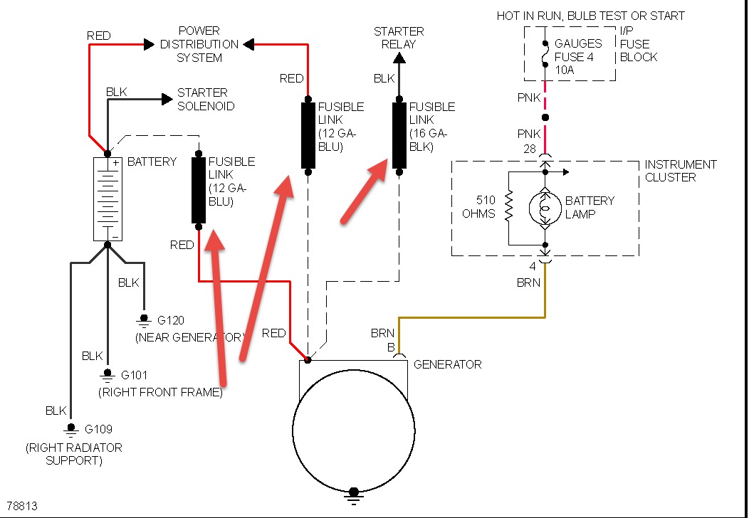
I was helping my dad replace his alternator on his 99 Chevy s-10 yesterday and we had some confusion on the wiring connections on the back of the alternator. There are three wires down there. I know the one with the rubber boot is secured by the lock nut, but where do the other two go. We got everything connected once, and when we tried to start the truck it would not, so we pulled everything back off and saw that we had a wire connected wrong. Once that was connected correctly, the truck would start. However, it will not charge the battery at all. Is there something we have wired backwards or could it be the battery. We are stumped at this, and we are trying to get it fixed ourselves versus a repair shop.
Jan 24, 2010 at 7:46 AM

