Its got a six 2.8 liter engine.
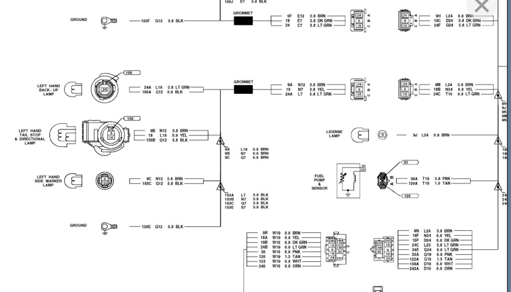
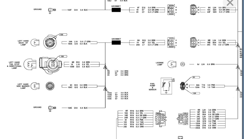
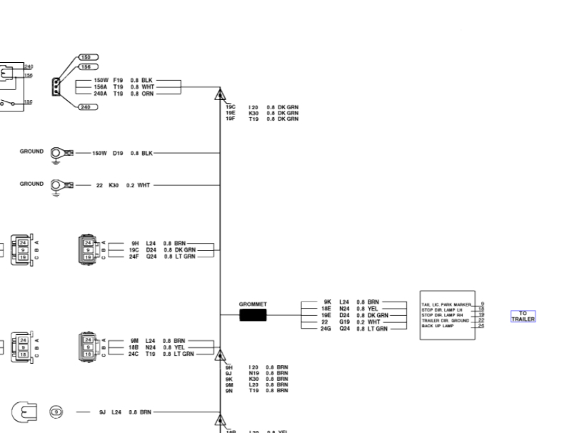
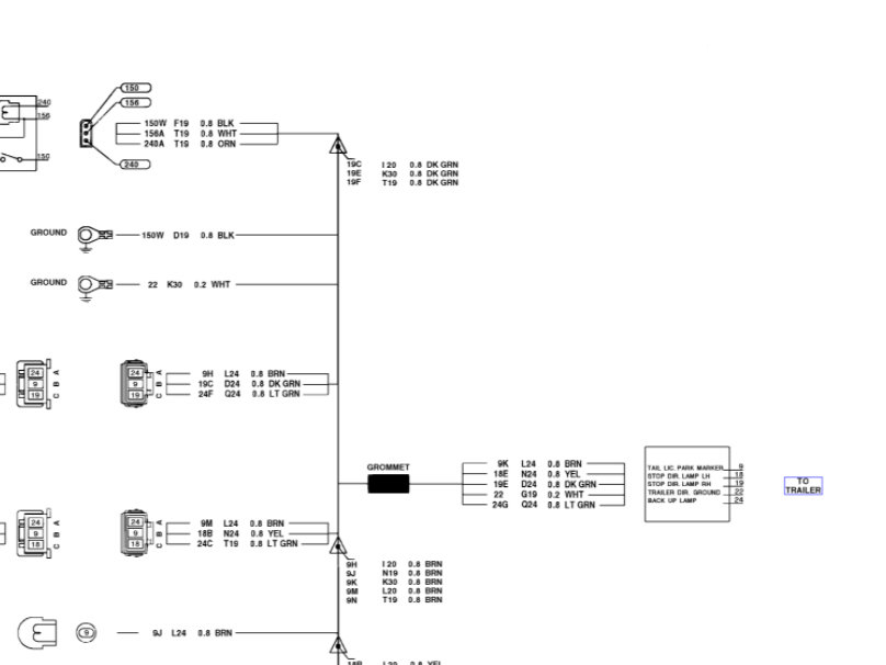
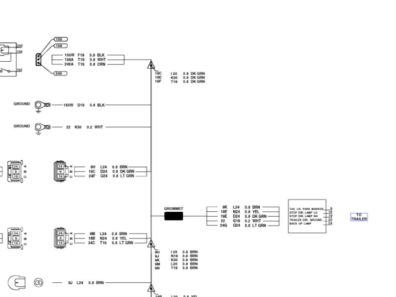
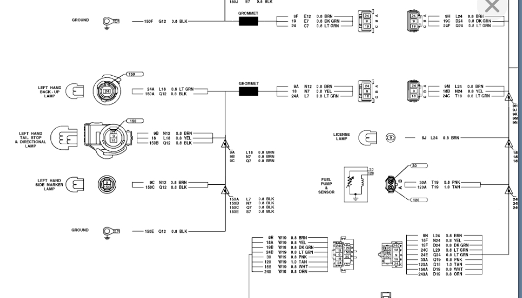
My my turn signals do not work. My brake lights do not work either. When I turn on a signal the light on the dash stays on without blinking. And the signals do not work in the front or the back. I replaces the fuses but that didn't fix the probably. Please help.
Thanks
My my turn signals do not work. My brake lights do not work either. When I turn on a signal the light on the dash stays on without blinking. And the signals do not work in the front or the back. I replaces the fuses but that didn't fix the probably. Please help.
Thanks
Aug 31, 2007 at 1:06 AM


