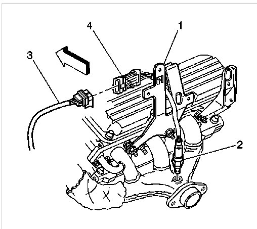
I need to change the bank 1 sensor 1 oxygen sensor

2005 CHEVROLET MONTE CARLO
90,000 MILES • 6 CYL • FWD • AUTOMATIC
Avatar
GERESC
  • MEMBER
  • 2 POSTS
I need to change the bank 1 sensor 1 oxygen sensor
Mar 25, 2010 at 7:51 PM
Advertisement
Avatar
DANNY L
  • CERTIFIED EXPERT
  • 5,648 POSTS
Hello, I'm Danny.

Here is the information you requested. This is a tutorial for you to view showing oxygen sensor replacement:

https://www.2carpros.com/articles/how-to-replace-an-oxygen-sensor

I've attached picture steps below showing oxygen sensor replacement and location for your car. Hope this helps and thanks for using 2CarPros.
Apr 20, 2021 at 10:05 PM