Engine will not crank over?

2001 CHEVROLET MONTE CARLO
188,000 MILES • 6 CYL • FWD • AUTOMATIC
Avatar
RICHARD72
  • MEMBER
  • 1 POST
Where is the starter relay located?
Dec 20, 2009 at 1:46 PM
Advertisement
Avatar
JDL
  • CERTIFIED EXPERT
  • 16,098 POSTS
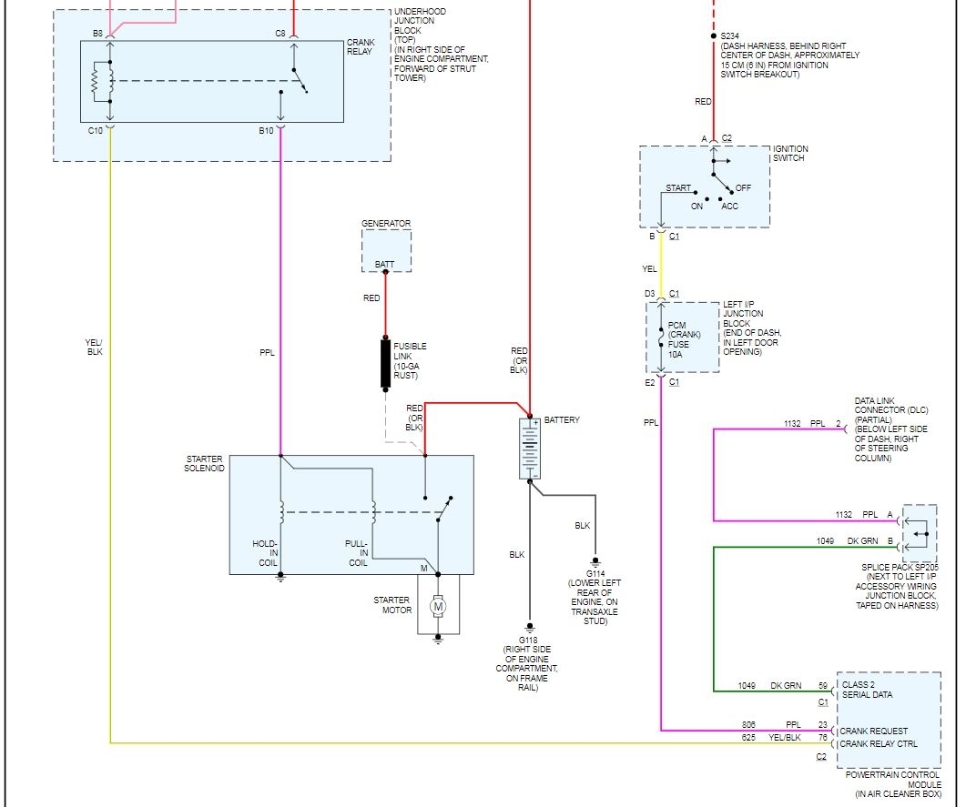
Welcome to the forum, my info says the crank relay is located under hood junction box (top). There is also, a pcm/crank fuse, left instrument panel junction block, use a test light on that fuse circuit, goes hot with key in start position. That voltage is crank request to the pcm, then the pcm should ground the coil side of crank relay.

See the guide below, it will help

https://www.2carpros.com/articles/starter-not-working-repair


Wiring diagrams for your starting circuit are attached below
Dec 20, 2009 at 2:33 PM
Avatar
KLR42
  • MEMBER
  • 8 POSTS
2001 Monte Carlo with 124000 miles. First the amp guage quit working. At the same time the door lock switches quit, and the compressor on the air conditioner quit. The car would start and run fine but the check engine and the security lght would flash on dash. I checked the alternator and it was working fine. The parts store said there was a bad cell in the battery, replaced it now it will not start at all. The system lights but it will not turn over at all. Does anyone have any suggestions?
May 6, 2019 at 6:28 PM (Merged)
Advertisement
Avatar
SATURNTECH9
  • CERTIFIED EXPERT
  • 30,869 POSTS
So you have a new fully charged battery?

This guide can help

https://www.2carpros.com/articles/car-battery-load-test
May 6, 2019 at 6:28 PM (Merged)
Avatar
KLR42
  • MEMBER
  • 8 POSTS
The security light flashes from securtiy to a soild red battery light.Could not find any codes in computer.
May 6, 2019 at 6:28 PM (Merged)
Avatar
SATURNTECH9
  • CERTIFIED EXPERT
  • 30,869 POSTS
If the security light is on thats why it wont start.Also does the starter work?
May 6, 2019 at 6:28 PM (Merged)
Avatar
KLR42
  • MEMBER
  • 8 POSTS
Full battery charge. Double checked fuses. Starter is ok.
Is there a way to reset the security system? I unhooked the battery for about an hour to see if the system might reset.
When I Hooked it back up nothing changed but I did notice the
check engine light is now on so I figure There might be codes in the computer. I don't have access to a reader till late next week.
May 6, 2019 at 6:29 PM (Merged)
Avatar
TINASHORTER80
  • MEMBER
  • 4 POSTS
last night my 01 Chevy Monte Carlo SS would not crank after i shut it off......it has done this in the past and usualy i can un hook the battery and hook it back up and it would reset itself and then crank....that didnt work this time....now when i try to crank it. it says low fuel and i have a full tank it also says service traction and car soon, the only dail on the dash board that regesters is the battery...the temp,fuel and oil stick will not move and when i go to turn it on i get nothing not a sound...please help!!!!!
May 6, 2019 at 6:29 PM (Merged)
Avatar
JDL
  • CERTIFIED EXPERT
  • 16,098 POSTS
You have to be sure the battery has a full charge and the connections are all clean and tight. My next thought is the security system.
May 6, 2019 at 6:29 PM (Merged)
Avatar
SATURNTECH9
  • CERTIFIED EXPERT
  • 30,869 POSTS
Give what i posted a try.
May 6, 2019 at 6:29 PM (Merged)
Avatar
TINASHORTER80
  • MEMBER
  • 4 POSTS
thanks, but the battery is connected tight because all my lights are on....what could be wrong with the security system??? sometimes my blinkers work when they want to and my radio locks up..
May 6, 2019 at 6:29 PM (Merged)
Avatar
KLR42
  • MEMBER
  • 8 POSTS
Tried what you sent and the indicator light does not go off. Does the car need to be running to check for codes? Do you have any more ideas?
May 6, 2019 at 6:29 PM (Merged)
Avatar
JDL
  • CERTIFIED EXPERT
  • 16,098 POSTS
Just because some of the dash lites come on, doesn't mean the battery has a full charge.

Is the security lite on or flashing, when you try to start?
May 6, 2019 at 6:29 PM (Merged)
Avatar
SATURNTECH9
  • CERTIFIED EXPERT
  • 30,869 POSTS
It doesnt need to be running to read codes.You could check for spark actual fuel pressure and for injector pluse.
May 6, 2019 at 6:29 PM (Merged)
Avatar
TINASHORTER80
  • MEMBER
  • 4 POSTS
yes the security light is on.
May 6, 2019 at 6:29 PM (Merged)
Avatar
KLR42
  • MEMBER
  • 8 POSTS
I know it's been awhile but I finally got it running so I thought I would let you know what it was. I had it towed to an electrical shop. They had experience with this problem before and within 1 hour I was told it was the Body Control Module located under the dash. The module controls all the inner workings of the car. It Cost me $593.00. They had it ready the next day. Not bad considering a dealership would have probably cost twice as much. Pass this information on to all who might need it and thanks for your help.
May 6, 2019 at 6:29 PM (Merged)
Avatar
JDL
  • CERTIFIED EXPERT
  • 16,098 POSTS
You can try the 30 minute relearn procedure. When you try to start, leave the key on, watch the security lite, see if it goes off after about 10 minutes, if it does, turn key off for 5 seconds. Repeat the procedure twice more for a total of thirty minutes. If it is going to work, if should work on next key cycle.

You need to check for applicable codes. To check codes, yourself, at the least, you need an obd2 code reader.
May 6, 2019 at 6:29 PM (Merged)
Avatar
SATURNTECH9
  • CERTIFIED EXPERT
  • 30,869 POSTS
Thanks for sharing that with us makes perfect sense i have had plenty of bad bcms cause no starts.
May 6, 2019 at 6:29 PM (Merged)
Avatar
LOCOKING
  • MEMBER
  • 1 POST
i put key in turn it lights radio everything windows all work then i turn to start n it all goes dead.i tried jumping it.checked battery cables just put a starter in last year this time battery is 4months old got gas in it im thinking maybe allternator im just not sure plz help me.i dont know much about cars at all maybe spark plugs im frustrated n im feeling dumb
May 6, 2019 at 6:29 PM (Merged)
Avatar
TINASHORTER80
  • MEMBER
  • 4 POSTS
had to replace the starter cost me $104.00 fixed it I love this site.
May 6, 2019 at 6:29 PM (Merged)
Avatar
CARADIODOC
  • CERTIFIED EXPERT
  • 34,306 POSTS
This is a case where unless you know how to do some basic electrical testing you are better off getting a mechanic involved. The generator doesn't even do anything until the engine is running. GM does have a huge problem with theirs but if a jump-start won't help, forget the generator for now. Spark plugs are part of what makes the engine run. You haven't even gotten that far yet if it doesn't crank with the starter.

You can start the diagnosis yourself by visually inspecting all of the battery cable connections and making sure they're clean and tight. That includes where the two cables are bolted to the battery, where the black one is bolted to the engine, and the red one is bolted to the starter. If you use any metal wrench or other tool on the red one, don't let that tool touch anything else metal at the same time. You'll have serious sparks.

Also follow the two smaller battery wires and check those connections. The black negative one bolts to the sheet metal of the body and typically the red positive one bolts to the under-hood fuse box. That last one causes a lot of loose intermittent connections.
May 6, 2019 at 6:29 PM (Merged)
Avatar
JDL
  • CERTIFIED EXPERT
  • 16,098 POSTS
Hope you got it going your way.
May 6, 2019 at 6:29 PM (Merged)
Avatar
LAWYN
  • MEMBER
  • 6 POSTS
Vehicle was started and stopped about 6 times. It then sat for about 2 hours, when I went to leave the dash lights flickered and a "relay symphony"sound came from under the dash and the driver side fuse box. Checked battery, it is 12.5V. Car will not start so can not test further. All fuses are good and all relays tested good. Changed the ignition switch, did not help. Had BCM repaired (company I used said they repaired it) and car still doing the same thing. Code reader can not get codes, the screen flickers with the dash lights. Any ideas on what might be the problem?
May 6, 2019 at 6:29 PM (Merged)
Avatar
JDL
  • CERTIFIED EXPERT
  • 16,098 POSTS
Are you saying it cranks good but won't start or it won't even crank? Did you check for voltage at applicable fuses or relays, use a testlight or digital multimeter.

Can you communicate with computer? If not that's where I would start. Can you force the computer to set a code just as a test? Also, with key on, check for ref voltage at any sensor that uses a ref voltage, if no ref voltage, go from there.

Does the starter crank ok?

Anybody else with any ideas, jump in.

May 6, 2019 at 6:29 PM (Merged)
Avatar
LAWYN
  • MEMBER
  • 6 POSTS
Will not crank. I put the key in the ignition and it "freaks out". Can not link with code reader.
May 6, 2019 at 6:29 PM (Merged)
Avatar
JDL
  • CERTIFIED EXPERT
  • 16,098 POSTS
Right now, I think you have a computer problem. I'd have to check voltage and ground circuits at computer, go from there. Maybe the computer is trying to reset for some reason.

We can usually crank the starter, but, that doesn't mean it will start. The computer grounds the crank relay.

Did you try taking the negative battery cable loose for a few minutes and then reconnect, see if it helps?

May 6, 2019 at 6:29 PM (Merged)
Avatar
JDL
  • CERTIFIED EXPERT
  • 16,098 POSTS
Just to add, I'd still have to double check the battery and connections.
May 6, 2019 at 6:29 PM (Merged)
Avatar
LAWYN
  • MEMBER
  • 6 POSTS
Yes I removed negative battery cable re-attached but there was no change.
May 6, 2019 at 6:29 PM (Merged)
Avatar
LAWYN
  • MEMBER
  • 6 POSTS
Going to check grounds soon. I will keep you updated. Thanks for the ideas.
May 6, 2019 at 6:29 PM (Merged)
Avatar
LAWYN
  • MEMBER
  • 6 POSTS
I was told that I might have a ground fault in clstr/BCM/DLC circuit. How can I check this to find out? Where is the ground for this circuit located?
May 6, 2019 at 6:29 PM (Merged)
Avatar
JDL
  • CERTIFIED EXPERT
  • 16,098 POSTS
The ground for the instrument cluster is A4 in the diagram. Take connector loose from instrument cluster, use a test lite connected to battery voltage, touch the A4 terminal on the wiring harness connector, if the lite comes on, the ground is good.

At your datalink connector, where you plug in a scanner or code reader, pin 16 is hot all the time. Check for voltage. Pin 4 and 5 are grounds, check those also.
May 6, 2019 at 6:29 PM (Merged)
Avatar
JDL
  • CERTIFIED EXPERT
  • 16,098 POSTS
This is your data link connector.
May 6, 2019 at 6:29 PM (Merged)
Avatar
LAWYN
  • MEMBER
  • 6 POSTS
Thank you so much for the info. I will let you know what happens.
May 6, 2019 at 6:29 PM (Merged)
Avatar
JDL
  • CERTIFIED EXPERT
  • 16,098 POSTS
No problem, have a good day.
May 6, 2019 at 6:29 PM (Merged)