Will not shift into park?

2009 CHEVROLET MALIBU
Avatar
SCB1234
  • MEMBER
  • 1 POST
My car will not let me put it in park. in order to shut it off i have to put the parking break on and then to turn it on it needs to be in neutral. What can be causing this? The car is not even a year old.
Nov 8, 2009 at 4:21 PM
Advertisement
Avatar
JACOBANDNICKOLAS
  • CERTIFIED EXPERT
  • 110,175 POSTS
This sounds like a couple problems. First, the park issue. If it won't allow you to shift to park with the engine running, there is a problem with the linkage.

Also, if the vehicle will only start in neutral and not park, the "neutral safety switch" is bad.

What you need to do is take the vehicle to a Chevrolet Dealer. It is still under full factory warranty and they need to fix it at no cost to you.

Let me know if you have other qustions.

Joe
Nov 12, 2009 at 5:50 PM
Avatar
BAYBEEEGRL00
  • MEMBER
  • 1 POST
When I am driving slow, or pulling out of a parking spot its hard to turn my wheel??
Jan 30, 2021 at 8:43 AM (Merged)
Advertisement
Avatar
JDL
  • CERTIFIED EXPERT
  • 16,098 POSTS
Hello, I came across this bulletin, does it fit your problem? Have the trouble codes checked.


https://www.2carpros.com/forum/automotive_pictures/170934_power_steering_malibu_1.jpg

Jan 30, 2021 at 8:43 AM (Merged)
Avatar
TOM S .
  • MEMBER
  • 1 POST
It is parked on level ground . How do I get it out of park? Is there a release somewhere? the brake lights don't work, so I know I have a fuse blown out. I will replace the fuse when I can . But , for now , what is the procedure to get it out of park and into neutral so that I can start it? Thank you so much.
Jan 30, 2021 at 8:43 AM (Merged)
Avatar
JACOBANDNICKOLAS
  • CERTIFIED EXPERT
  • 110,175 POSTS
Welcome to 2CarPros.

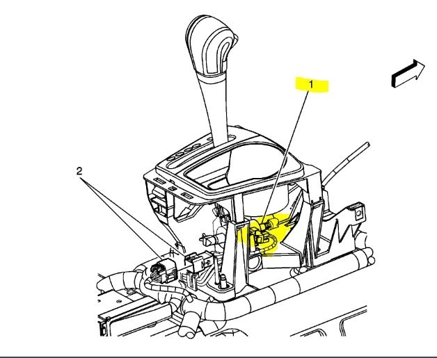
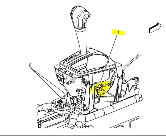
If the brake lights aren't working, it won't release from park. The park lock actuator gets power from the brake light switch. That needs fixed. As far as an over ride, you need to take apart the center console. Once removed, you will see the actuator (see picture). Basically, you need to move the actuator to release it.

Let me know if you get it working.

Joe
Jan 30, 2021 at 8:43 AM (Merged)