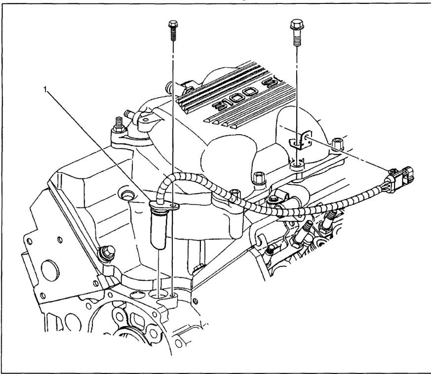
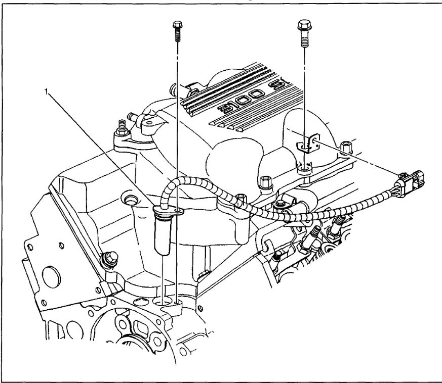
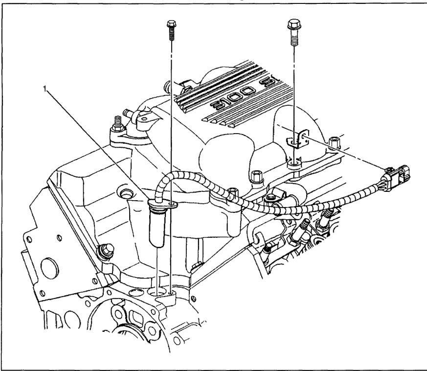
Camshaft sensor location

2001 CHEVROLET MALIBU
Avatar
KMALLINGER
  • MEMBER
  • 1 POST
Hi, I need to know where the camshaft sensor is located and how difficult it is to replace it?
Sep 2, 2009 at 4:24 PM
Advertisement
Avatar
RASMATAZ
  • CERTIFIED EXPERT
  • 75,992 POSTS
1. Turn OFF the ignition.
2. Remove the power steering pump.
3. Disconnect the sensor electrical connector.
4. Remove the attaching bolt.
5. Remove the sensor.
6. Inspect the sensor O-ring for wear, cracks or leakage if the sensor is not being replaced.

INSTALLATION PROCEDURE
1. Lubricate the O-ring with clean engine oil. Replace the O-ring if the O-ring is damaged.

NOTE: Refer to Fastener Notice in Service Precautions.

2. Install the camshaft position sensor.

Tighten
Tighten the retaining bolt to 8 N.m (71 lb in).

3. Connect the sensor electrical connector.
4. Install the power steering pump.

See diagram below
Sep 2, 2009 at 4:41 PM
Avatar
FERN-ZERENEJACQUES
  • MEMBER
  • 1 POST
If you still need an answer the camshaft sensor is located under the power steering pump. I just changed mine and it took about thirty minutes. Remove the power steering pump and the sensor needs a 8mm and a screwdriver to pop out.
Apr 5, 2013 at 7:43 PM
Advertisement