Adjusting Headlights

1997 CHEVROLET LUMINA
Avatar
CHUCKBAUMN
  • MEMBER
  • 1 POST
How do I adjust the headlights up or down?. Right now they are shinning at the top of trees instead of on the road.. and do I need any special tools to adjust them?
Dec 1, 2009 at 1:46 PM
Advertisement
Avatar
KASEKENNY
  • CERTIFIED EXPERT
  • 18,907 POSTS
No problem. You don't need any traditional special tools, but you will need a set of torx bits. Also, I believe you will need inverted torx as well.

Here is a guide that will help with changing the bulbs in case you need it:

https://www.2carpros.com/articles/headlight-lens-replacement

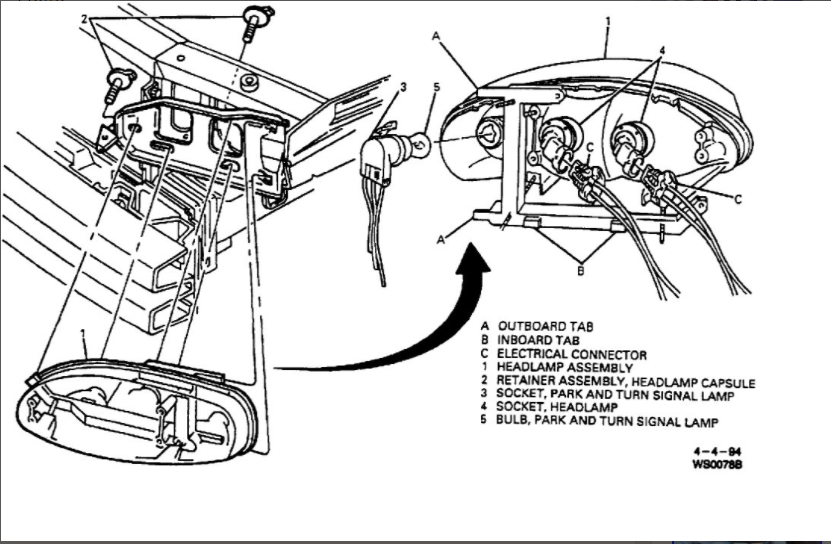
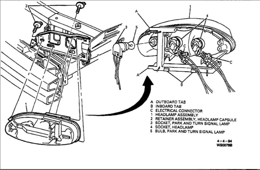
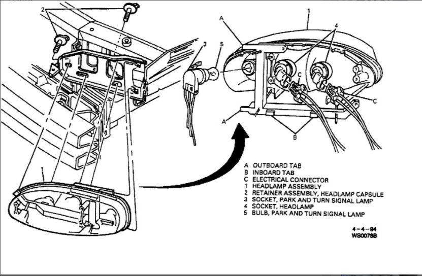
Please see the info attached below that will include the in needed. Unfortunately, it does not have the size of the bits but if you have a basic set, it will be included.

Let us know if you have questions on this.

Thanks
Apr 3, 2022 at 11:12 AM