radio wiring diagram

1996 CHEVROLET LUMINA
Avatar
SARAR
  • MEMBER
  • 1 POST
radio wiring diagram for a 1996 chevy lumina? Can I get one?
Oct 26, 2008 at 12:43 PM
Advertisement
Avatar
TEAG
  • MEMBER
  • 158 POSTS
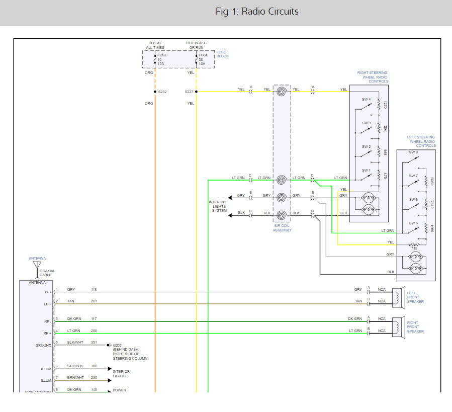
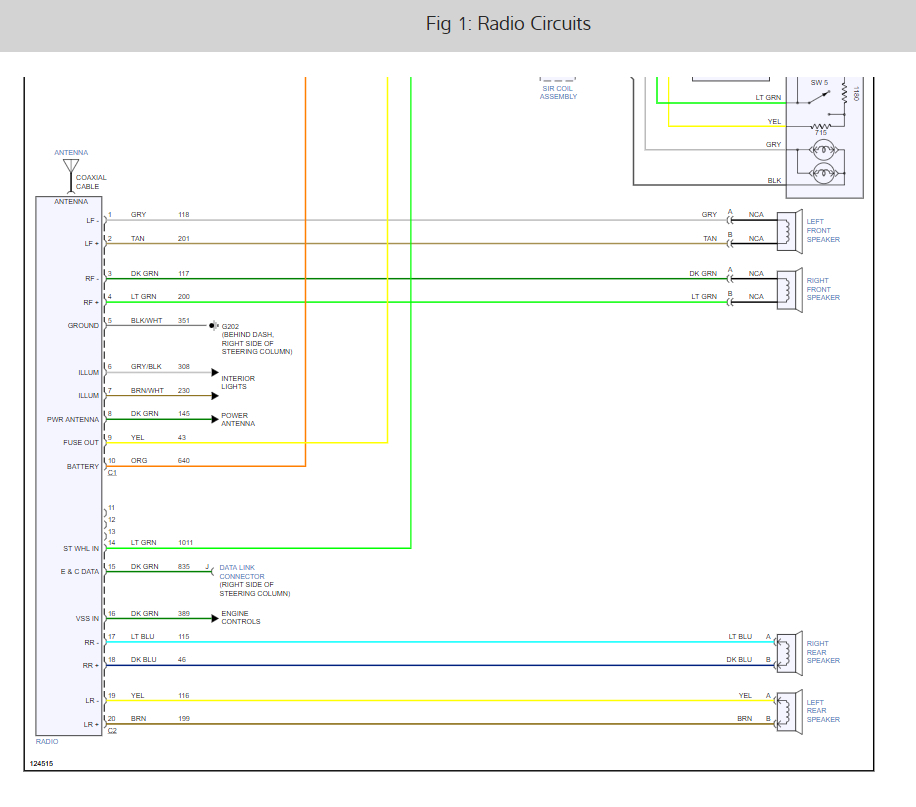
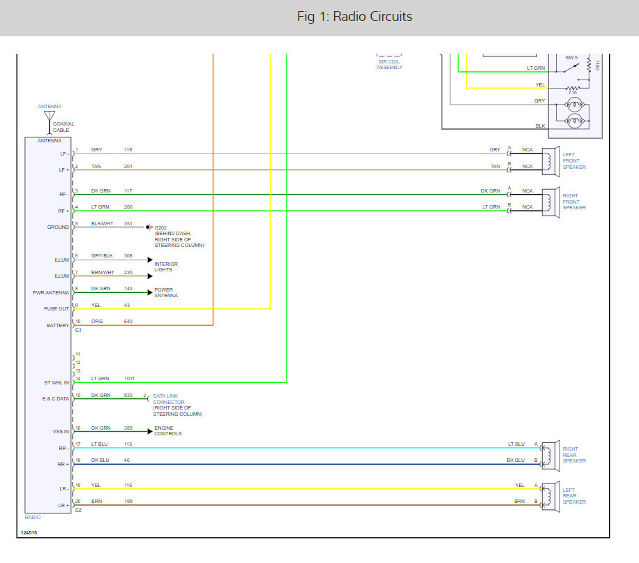
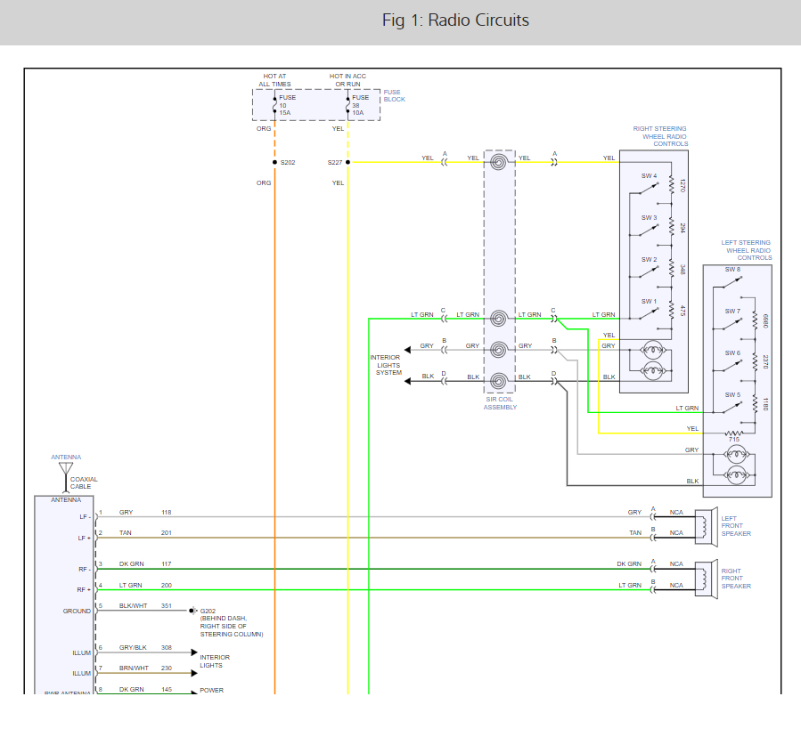
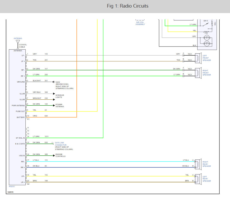
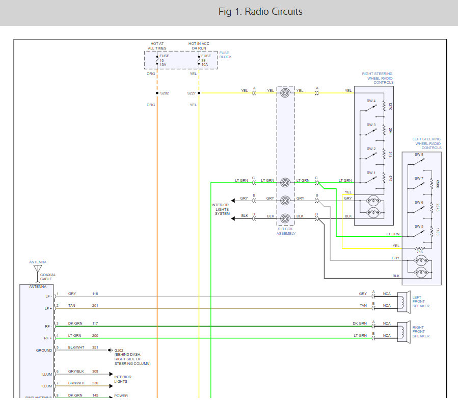
Here is the radio wiring diagrams you asked for with a guide to help you check them.

https://www.2carpros.com/articles/how-to-check-wiring

Check out the diagrams (Below). Please let us know if you need anything else to get the problem fixed.
Oct 26, 2008 at 2:11 PM
Avatar
BEARDOG1111
  • MEMBER
  • 1 POST
i need the radio wiring diagram cant find it anywere
May 4, 2020 at 3:06 PM (Merged)
Advertisement
Avatar
BLACKOP555
  • CERTIFIED EXPERT
  • 10,386 POSTS
what part of the diagram are you looking for.

speakers? power?
May 4, 2020 at 3:06 PM (Merged)
Avatar
THEFIRETECH
  • MEMBER
  • 7 POSTS
I recently installed a new radio in my 1993 Lumina (sedan). After a few weeks the radio started flipping out. It started turning on and off for no reason especially when I hit a bump. I also noticed that it would do it when the speedometer needle would start fluctuating it was doing it also. I decided to put my digital fluke meter across the the power wires of the radio. It turns out that before I start it, 12.5v +/-. Once I start the car, the voltage drops to a little over 10v. Then the radio starts cycling on/off when the voltage drops below 10v AND the the speedometer needle is fluctuating. With the car off, I took a resistance reading from the radio ground wire to ground of the lighter and I read 3 megs +/-. Obviously I have a ground issue on that wire/cable.
My question is this:can I just run another ground wire to the chassis or connect to another good ground, like the ground from the cigarette lighter, which I have no resistance to ground on, to the radio ground wire and back feed it? Any possibility of damaging or blowing up something? I understand that the circuits run from the fuse block to the various equipment/devices. I just do not know how the ground or negative connections are run. are all the ground wires run to a central location or are thy run to the closest point to a chassis ground?

Thanks in advance for your input.
May 4, 2020 at 3:06 PM (Merged)
Avatar
WRENCHTECH
  • CERTIFIED EXPERT
  • 20,761 POSTS
Have to tried jumping a ground wire to the radio to see if it solves your problem?
May 4, 2020 at 3:06 PM (Merged)
Avatar
THEFIRETECH
  • MEMBER
  • 7 POSTS
Yes, that was the problem. I would have liked to have fixed it at the source, but that meant I would have had to trace it physically not knowing where all the ground wires are terminated.
If anyone happens to know where they are please let me know.
But that fixed multiple issues-The erratic speedometer, the erratic fuel gauge and the radio.

Thanks.
May 4, 2020 at 3:06 PM (Merged)
Avatar
WRENCHTECH
  • CERTIFIED EXPERT
  • 20,761 POSTS
There are 2, G119 and G200

G119


G200
Behind I/P, on right hand side of steering column support.
May 4, 2020 at 3:06 PM (Merged)