6 cyl Automatic 88500 miles
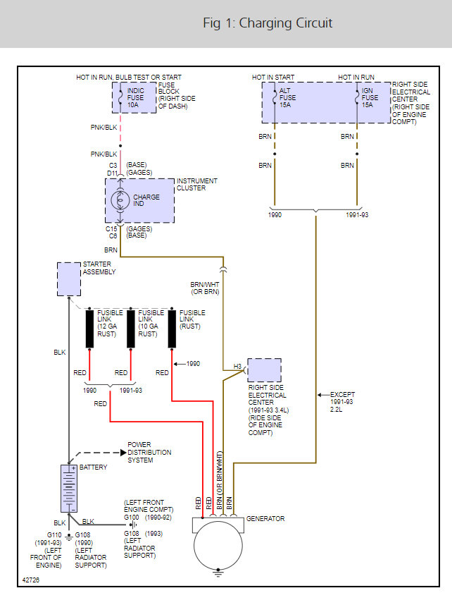
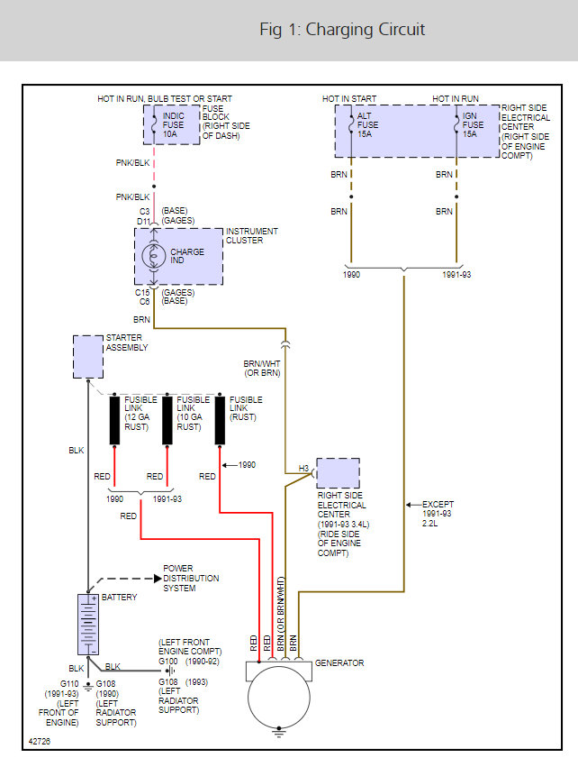
My volt light is on in my car. I have change the the alternator, starter, and the negative battery terminal. I got the battery check and it is fine. What is the problem?
My volt light is on in my car. I have change the the alternator, starter, and the negative battery terminal. I got the battery check and it is fine. What is the problem?
Oct 8, 2009 at 10:33 AM
