2008 Chevy Impala Windshield wipers

2008 CHEVROLET IMPALA
38,000 MILES • 6 CYL • 2WD • AUTOMATIC
Avatar
DANYIL
  • MEMBER
  • 1 POST
My windshield wipers don't work. they started acting intermittently worse and worse until they stopped completely.
Jan 24, 2010 at 5:04 PM
Advertisement
Avatar
STRAILER
  • CERTIFIED EXPERT
  • 53,855 POSTS
Hey DANYIL,

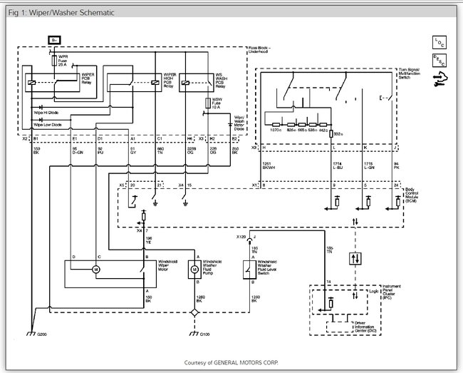
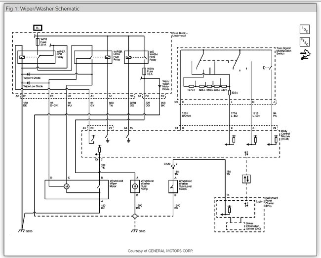
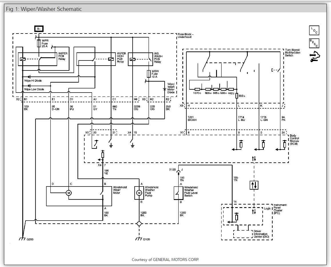
This system has a wiper module that is located inside the BCM so lets hope its not that. Here is a wiring diagram and the wiper motor location.

Use a test light and see if the wiper motor is getting power. If so the motor is bad and needs replacement.

https://www.2carpros.com/articles/how-to-use-a-test-light-circuit-tester

Please run some tests and get back to us so we can continue helping you.

Best, Ken



Dec 16, 2016 at 4:32 PM
Avatar
DONNA703
  • MEMBER
  • 1 POST
wipers quit working, motor still works
they were erratically working and wouldn't shut off at times.
Honestly I'm a single Mom just layed off - I hate not paying you but if you could help me that would be great.

Thanks for considering.
Dec 16, 2016 at 4:33 PM (Merged)
Advertisement
Avatar
WRENCHTECH
  • CERTIFIED EXPERT
  • 20,761 POSTS
It sounds like the linkage came apart somehow. You will have to remove the motor to inspect the linkage and see what happened.
Dec 16, 2016 at 4:33 PM (Merged)
Avatar
ANOXA
  • MEMBER
  • 2 POSTS
Electrical problem
2001 Chevy Impala 6 cyl Two Wheel Drive Automatic 165352 miles

okay so they are a few randomly weird things with this car but my turn siganals randomly work and don't work when the deside to there is no pattern to it some times when you start the car they work the entire time and some times they dont work at all and sometimes they work for half the trip ( doesnt matter if it works then doesnt for have the trip or doesn't then randomly does for half the trip). I have no idea where to start with that. Also my windshield wippers move about an inch up and then back down but never actually go completely up or down, i think this is the links inbetween the motor and the wipers them selves but i am not sure. Please if you could give me any ideas on where to start i would greatly appreciate it.
Dec 16, 2016 at 4:33 PM (Merged)
Avatar
RENAUDTN
  • CERTIFIED EXPERT
  • 636 POSTS
Hello there,

Your blinkers are wired thru the warning signal switch. Usually replacing this switch fixes the blinkers issue. I think it’s about $25 for the part.
Dec 16, 2016 at 4:33 PM (Merged)
Avatar
ANOXA
  • MEMBER
  • 2 POSTS
thank you so much for your help i will try that and see how it goes.
Dec 16, 2016 at 4:33 PM (Merged)
Avatar
RENAUDTN
  • CERTIFIED EXPERT
  • 636 POSTS
No problem,

I hope it does the trick. I forgot to tell you; there's a way you can find out if the flasher/warning signal switch is the culprit: when your blinkers don't work, turn the switch on and off. Then try your blinkers, they should work. Sometime you have to turn the switch on and off a few times, ans sometime it works after only one time. Sometime you also need to push on that switch as far as you can and keep it pressed for a couple of seconds. Anyhow, point is monkeying around with this switch when your blinkers don't work usually make your blinkers work again...until the next time.

Good luck
Dec 16, 2016 at 4:33 PM (Merged)