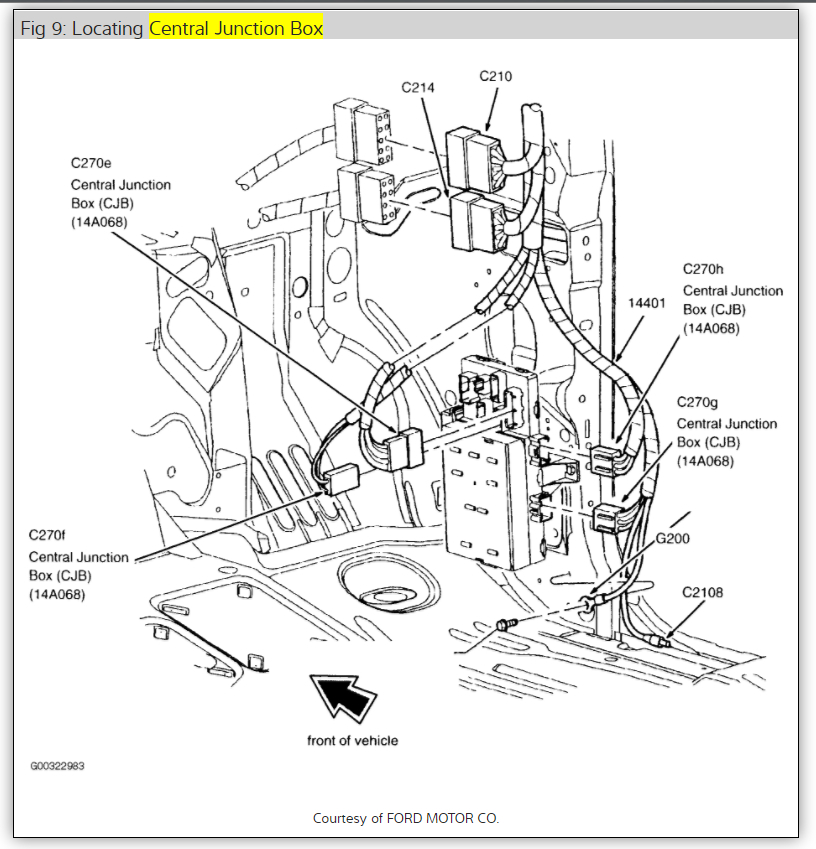
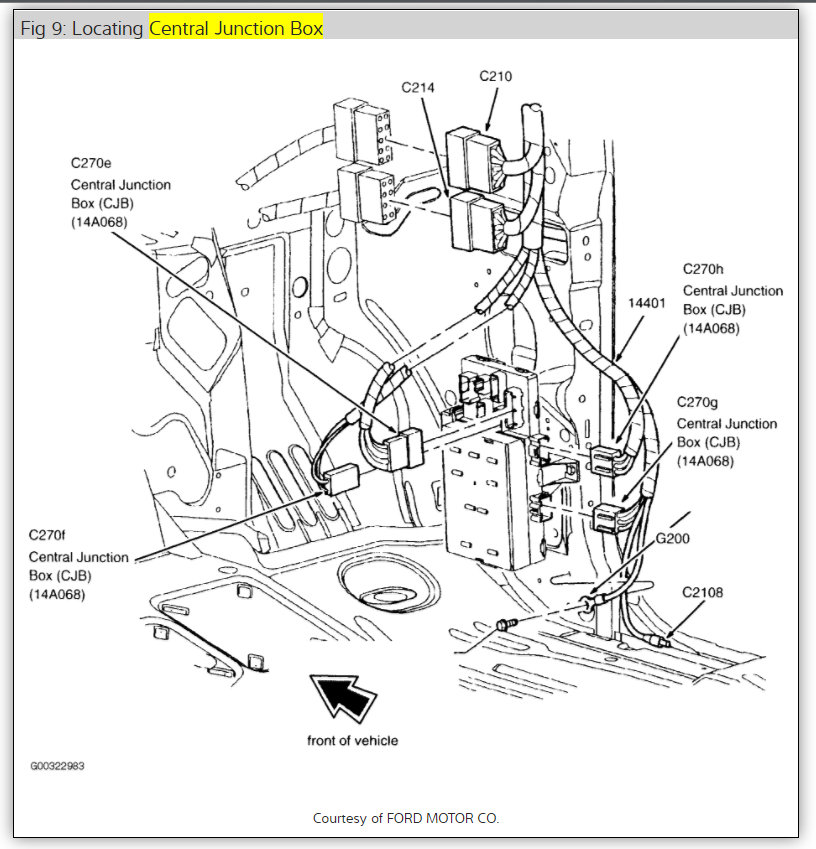
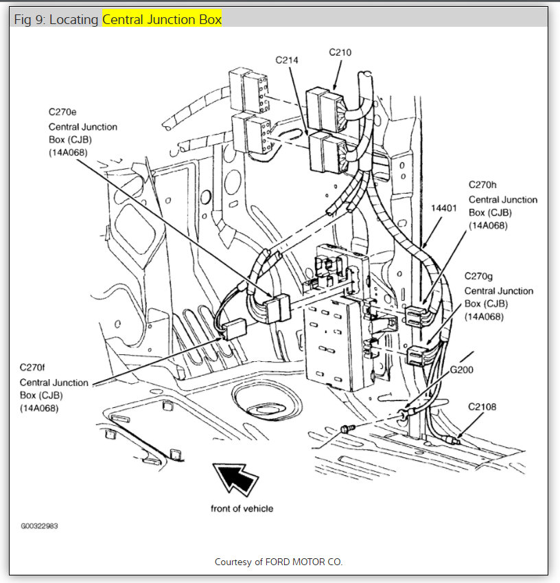
here is some info,found a bulletin for this problem.Due to the common architecture Body Control Module (BCM) utilizing several fuses for power, and the labeling of the fuses, it is possible to overlook some fuses in the Under hood Bussed Electrical Center (UBEC) when diagnosing a concern with the turn signals, trunk actuator, courtesy lamps, or Brake Transmission Shift Interlock (BTSI).
If the fuse in the UBEC labeled RT T/SIG is open it will cause the right rear turn signal, the trunk actuator, and the BTSI to be inoperative.
Note: The right front turn signal will still function.
If the fuse in the UBEC labeled INT LIGHTS is open it will cause the right front turn signal to be inoperative.
Note: The right rear turn signal will still function and the courtesy lamps will still function.
If the fuse in the UBEC labeled INT LTS/PNL DIM is open the courtesy lamps will be inoperative.
Note: The instrument panel cluster backlighting will still function. why don't you take it to the dealer to get fixed?it's under factory warrenty.hope this helps.
Feb 7, 2008 at 6:28 PM