Trunk release

2007 CHEVROLET IMPALA
57,447 MILES • 6 CYL • FWD • AUTOMATIC
Avatar
JLEARY
  • MEMBER
  • 1 POST
My trunk will not open regardless if i use the keyless remote or if I press the trunk release button on the inside of the car... The light will flash as normal when I press the trunk release button but the trunk itself will not open.. How do I get my trunk to open?
Sep 29, 2010 at 4:59 PM
Advertisement
Avatar
STRAILER
  • CERTIFIED EXPERT
  • 53,855 POSTS
Hey JLEARY

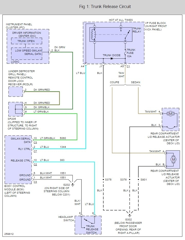
I would try pushing down on the truck lid while hitting the release button this can dislodge the lid so you can apply lube onto the latch mechanism. Also there is a trunk relay that gets weak in these cars, here is a wiring diagram and a guide on how to test for the problem and the relay location as well

https://www.2carpros.com/articles/how-to-check-an-electrical-relay-and-wiring-control-circuit

Check out the diagrams (Below). Please let us know what you find. We are interested to see what it is.
Jan 10, 2017 at 2:43 PM
Avatar
REY-GTS
  • MEMBER
  • 1 POST
Pushing down worked for me I had this problem then added grease to the latch never had the problem again.
Feb 23, 2019 at 3:34 PM
Advertisement