Location of the Turn Signal Flasher?

2005 CHEVROLET IMPALA
65,000 MILES • 6 CYL • 2WD • AUTOMATIC
Avatar
RVROMAN
  • MEMBER
  • 1 POST
I need to locate the turn signal flasher on my 2005 Chevy Impala. I have looked under the dash and cannot seem to find it.
Mar 10, 2009 at 3:14 PM
Advertisement
Avatar
LSAUTO
  • CERTIFIED EXPERT
  • 61 POSTS
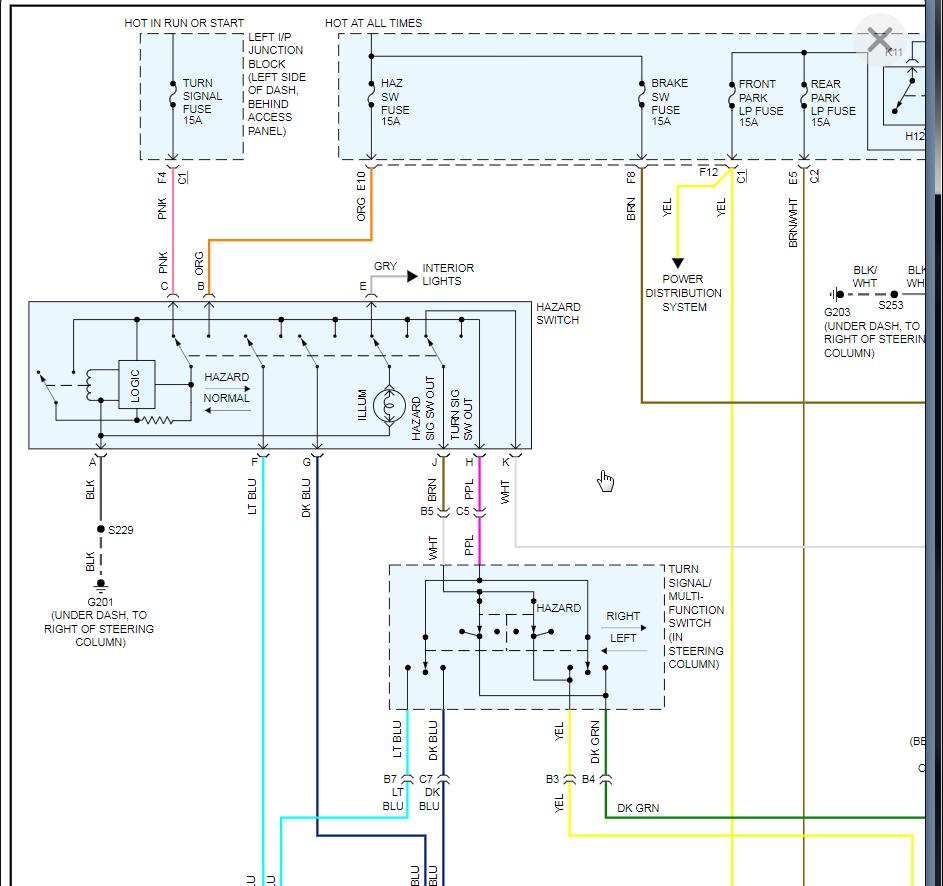
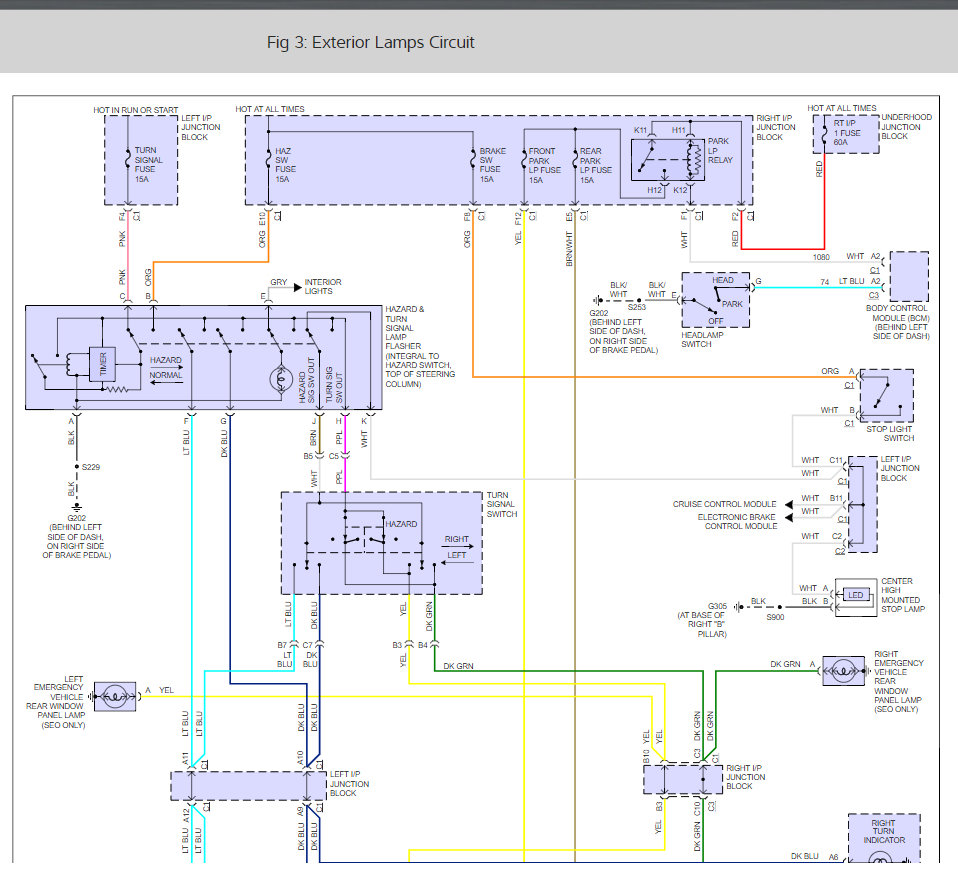
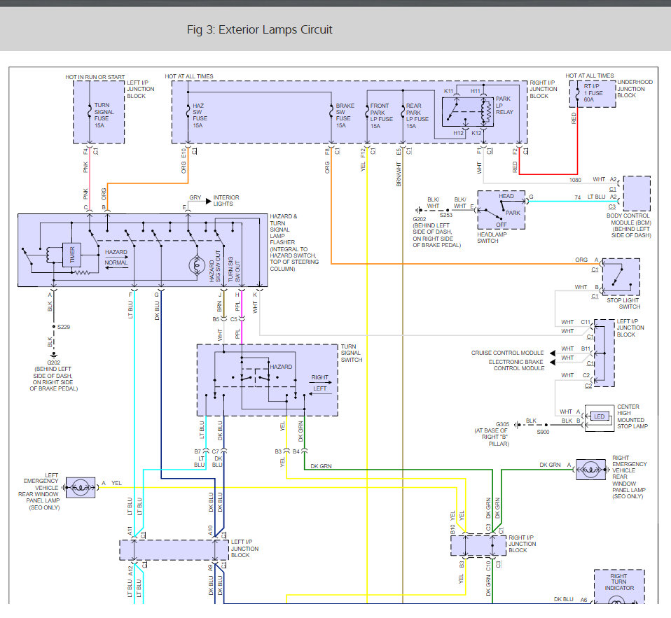
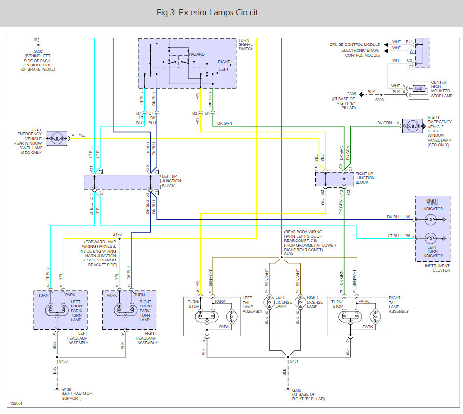
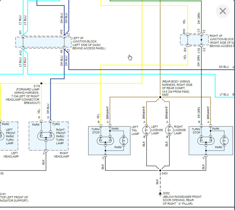
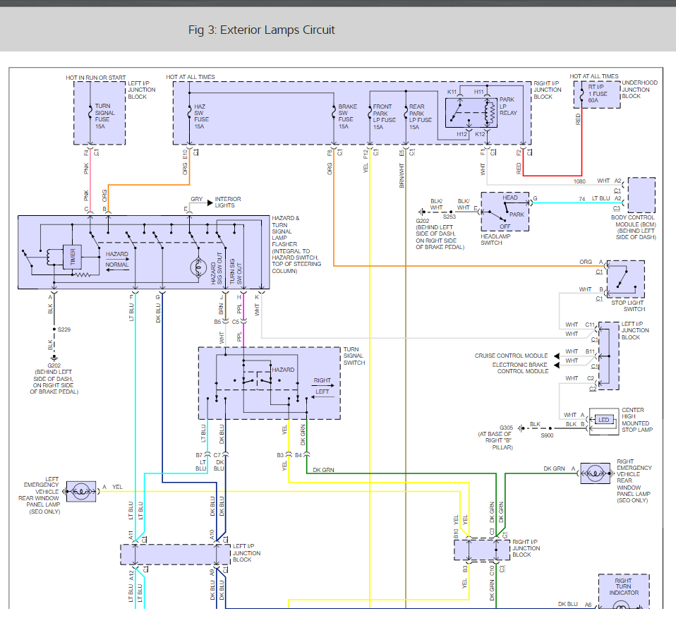
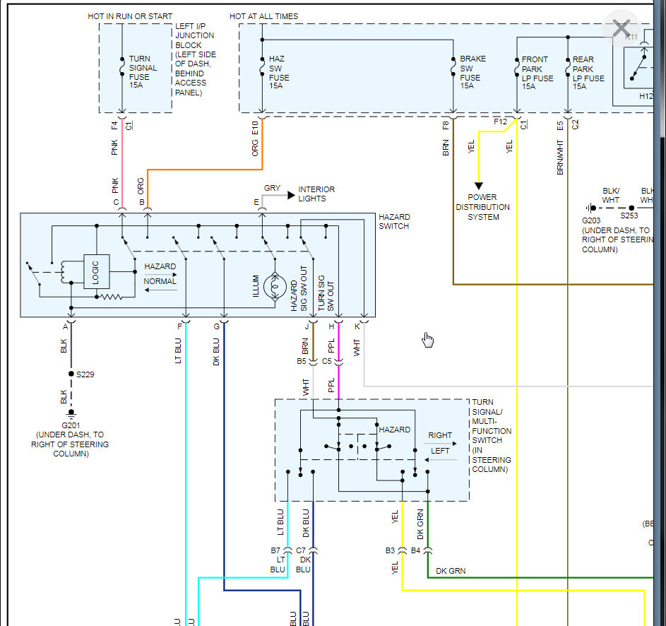
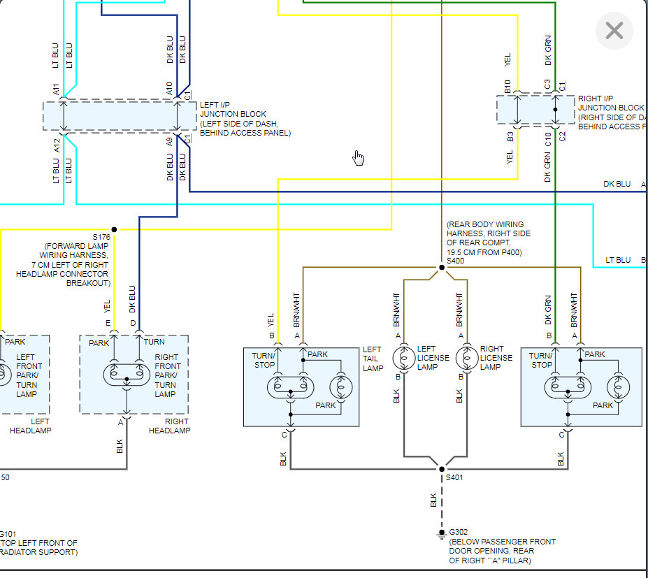
It is a black box with a 2 or 3 wire plug-in. Check out the diagrams (Below). Please let us know if you need anything else to get the problem fixed.
Mar 10, 2009 at 6:55 PM
Avatar
MICHELLE STEPHENS
  • MEMBER
  • 1 POST
Where is the flasher relay located?
Nov 2, 2020 at 3:14 PM (Merged)
Advertisement
Avatar
HMAC300
  • CERTIFIED EXPERT
  • 48,601 POSTS
Hello,

The flasher is interrogated into the hazard switch and some have a separate flasher than the Hazard switch. Located in the dash behind instrument panel cover above steering column. Check out the diagrams (Below). Please let us know if you need anything else to get the problem fixed.

Nov 2, 2020 at 3:14 PM (Merged)
Avatar
WATLEYSTEVE
  • MEMBER
  • 1 POST
Inside turn signal stays on,does not flash.How do I fix it?
Nov 2, 2020 at 3:15 PM (Merged)
Avatar
RHALL77
  • CERTIFIED EXPERT
  • 3,361 POSTS
they are either part of the hazard switch or controller by the switch.
Nov 2, 2020 at 3:15 PM (Merged)
Avatar
TWELVEPAWZ
  • MEMBER
  • 3 POSTS
How do I access the Signal Flasher Relay? (Part of Hazard Switch?)
Nov 2, 2020 at 3:15 PM (Merged)
Avatar
RASMATAZ
  • CERTIFIED EXPERT
  • 75,992 POSTS
You have to remove the hazard switch and replace it-its built-in.
Nov 2, 2020 at 3:15 PM (Merged)
Avatar
BLUELIGHTNIN6
  • CERTIFIED EXPERT
  • 16,542 POSTS
take a flat head screw drive and pry the hazard button off. This will break the old switch but it will expose the part so you can get it out. Take the same Medium size flat head and slide it next to the switch at the 4 o'clock position, take a needle nose and grab the switch in the middle. By pulling on the switch and wedging the screw driver between the dash and the switch you will be able to release one side of the switch from the dash. Now without letting go of the switch with the needle nose, take the screw driver and wedge it in at the 11 o'clock position. This will release the other side of the switch. Give it a pull and the whole thing will come out of the dash. Disconnect the wires via the plug being careful not to let the wires pull back into the dash and plug in new switch. Then simply slide switch in the opening and it will click into place
Nov 2, 2020 at 3:15 PM (Merged)
Avatar
KINGGIRL6
  • MEMBER
  • 1 POST
I have a 2004 Impala my flashers do not shut off. I have changed the relay switch and pulled out the fuse and they're still on. What do i do? Help!
Nov 2, 2020 at 3:15 PM (Merged)
Avatar
KASEKENNY
  • CERTIFIED EXPERT
  • 18,907 POSTS
I am pretty confident that you have a wiring issue. The only way they can stay on is if they are getting power from a different source then the circuit the fuse is on.

If you can turn the flashers on and then pull the fuse, you can then test for power through the circuit until you find where you have it. Clearly you should not have any power when the fuse is pulled so when you find power then you just passed the short.

https://www.2carpros.com/articles/how-to-check-wiring

Lastly I just want to make sure you pulled the fuse for the hazard switch and not the one for the turn signals. They are different.
Nov 2, 2020 at 3:15 PM (Merged)
Avatar
TWELVEPAWZ
  • MEMBER
  • 3 POSTS
Both have stopped working. Fuse? Where is it located? Is there a "flasher module" ? Where is it located? Do you have any other "tips?"
Nov 2, 2020 at 3:15 PM (Merged)
Avatar
BLUELIGHTNIN6
  • CERTIFIED EXPERT
  • 16,542 POSTS
check fuse labeled turn signal (15 amp) in the left instrument panel fuse block. most likely it is the relay though, it is actually part of the hazard switch, left center of instrument panel.
Nov 2, 2020 at 3:15 PM (Merged)
Avatar
CPT87GN
  • MEMBER
  • 8 POSTS
Electrical problem 6 cyl Front Wheel Drive Automatic 100119 miles
----------------------------------------------------------------
weres the flasher located on a 2001 impala 3.4
sometimes when i use the blinker it doesn't work then i push the hazard lights and the blinker works again ?
Nov 2, 2020 at 3:15 PM (Merged)
Avatar
STRAILER
  • CERTIFIED EXPERT
  • 53,855 POSTS
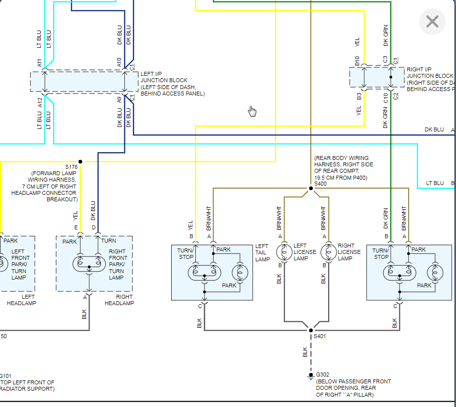
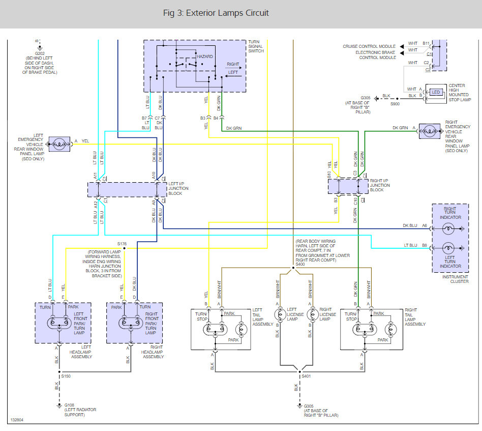
The turn signal flasher is integrated into the hazard flasher and is located under the dash on the passengers side or in the hazard switch itself. Here is a wiring diagram and location (below) so you can get the problem fixed and some location and how to diagrams.

Here is a guide so you can do some testing

https://www.2carpros.com/articles/how-to-use-a-test-light-circuit-tester

Please let us know what you find.

Cheers, Ken
Nov 2, 2020 at 3:16 PM (Merged)
Avatar
HOMER8544
  • MEMBER
  • 1 POST
there is a buzzing sound from turn/haz flasher when t/s is turned on. Replaced flasher, still does it. Replaced t/s switch, still does it. Hazard lights ok. just a buzzing from the flasher when t/s are used in either direction. It does not occur all the time but when it does there is just a buzzing sound no lights or indicator lights.
Nov 2, 2020 at 3:16 PM (Merged)
Avatar
PETE#1
  • MEMBER
  • 1 POST
I am having the same problem 01 chev impala.New multi function switch and flasher changed nothing.Next step ignition switch?
Nov 2, 2020 at 3:16 PM (Merged)
Avatar
RASMATAZ
  • CERTIFIED EXPERT
  • 75,992 POSTS
Check and test the turn and hazard switch-turn signal circuit goes thru there before gets back there/front
Nov 2, 2020 at 3:16 PM (Merged)
Avatar
MIKE1955
  • MEMBER
  • 1 POST
Cannot locate directional flasher to change it..... checked both fuse panels and under the hood.

Thank you
Nov 2, 2020 at 3:16 PM (Merged)
Avatar
RHALL77
  • CERTIFIED EXPERT
  • 3,361 POSTS
i think it may be part of the hazard switch. what are they doing. are all the bulbs ok?
Nov 2, 2020 at 3:16 PM (Merged)
Avatar
CHEVYIMP
  • MEMBER
  • 3 POSTS
I have a 2006 Chevy Impala LTZ that I put LEDs in, it fast blinks and clicks when using the left and right turn signal, but blinks and clicks normal for the hazards. I have not been able to locate the flasher relay. Please Help!
Dec 27, 2024 at 4:10 PM
Avatar
STRAILER
  • CERTIFIED EXPERT
  • 53,855 POSTS
You must install the LED that have the resistor built in, the flasher part of the lighting is handled by the BCM there is no separate flasher unit.
Dec 28, 2024 at 10:43 AM