2005 Chevy Impala How to repair cruise control

2005 CHEVROLET IMPALA
89,500 MILES • 6 CYL • FWD • AUTOMATIC
Avatar
ANG74
  • MEMBER
  • 1 POST
Is the cruise control on the 2005 Chevy Impala a module that I can replace or is it more involved? If it is a module, where can I get the part number and about how much would it cost?

The light on the dash does not come on. I press the button on the steering wheel, but nothing happens.
Nov 10, 2008 at 7:15 PM
Advertisement
Avatar
STRAILER
  • CERTIFIED EXPERT
  • 53,855 POSTS
Hey ANG74,

I would test the fuse first to see if it is good.

Here is a guide that will help you.

https://www.2carpros.com/articles/how-to-check-a-car-fuse

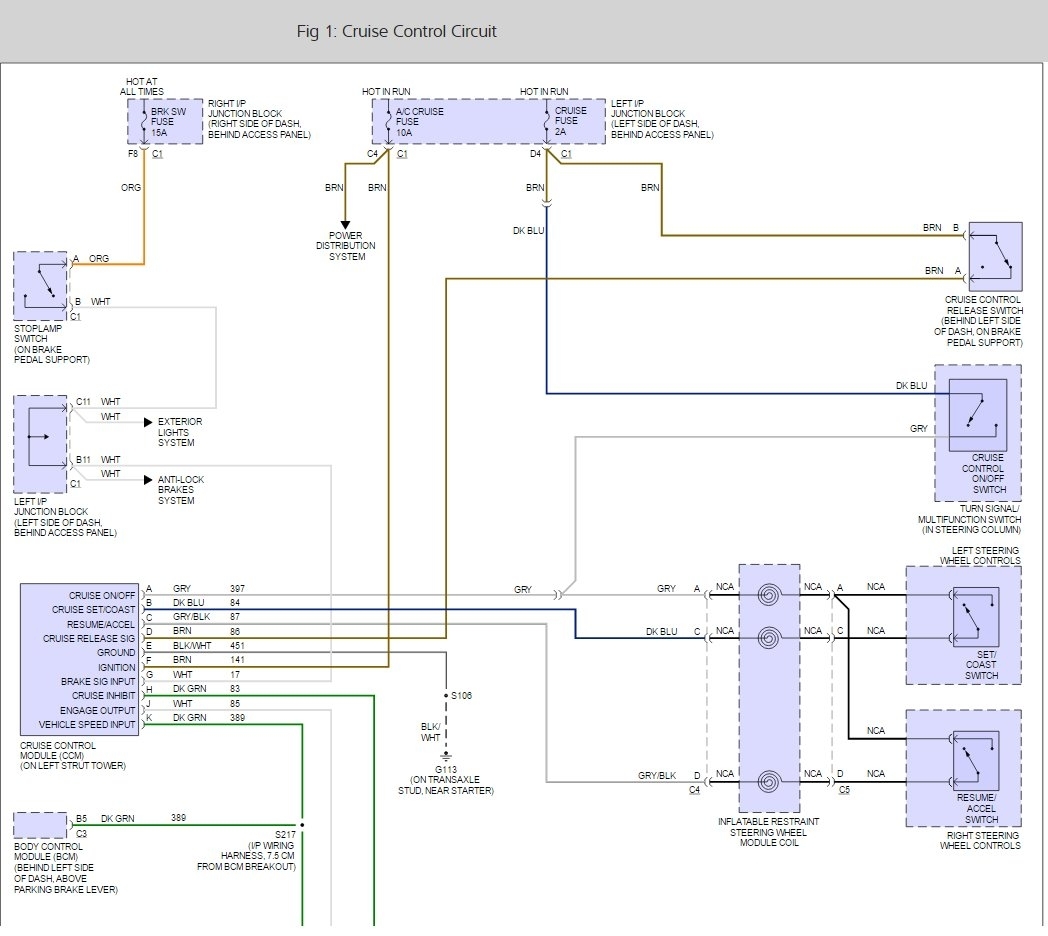
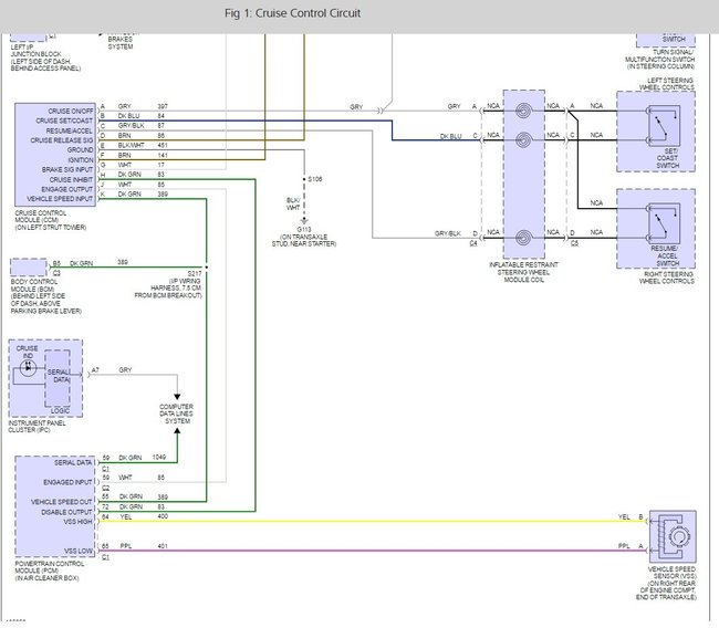
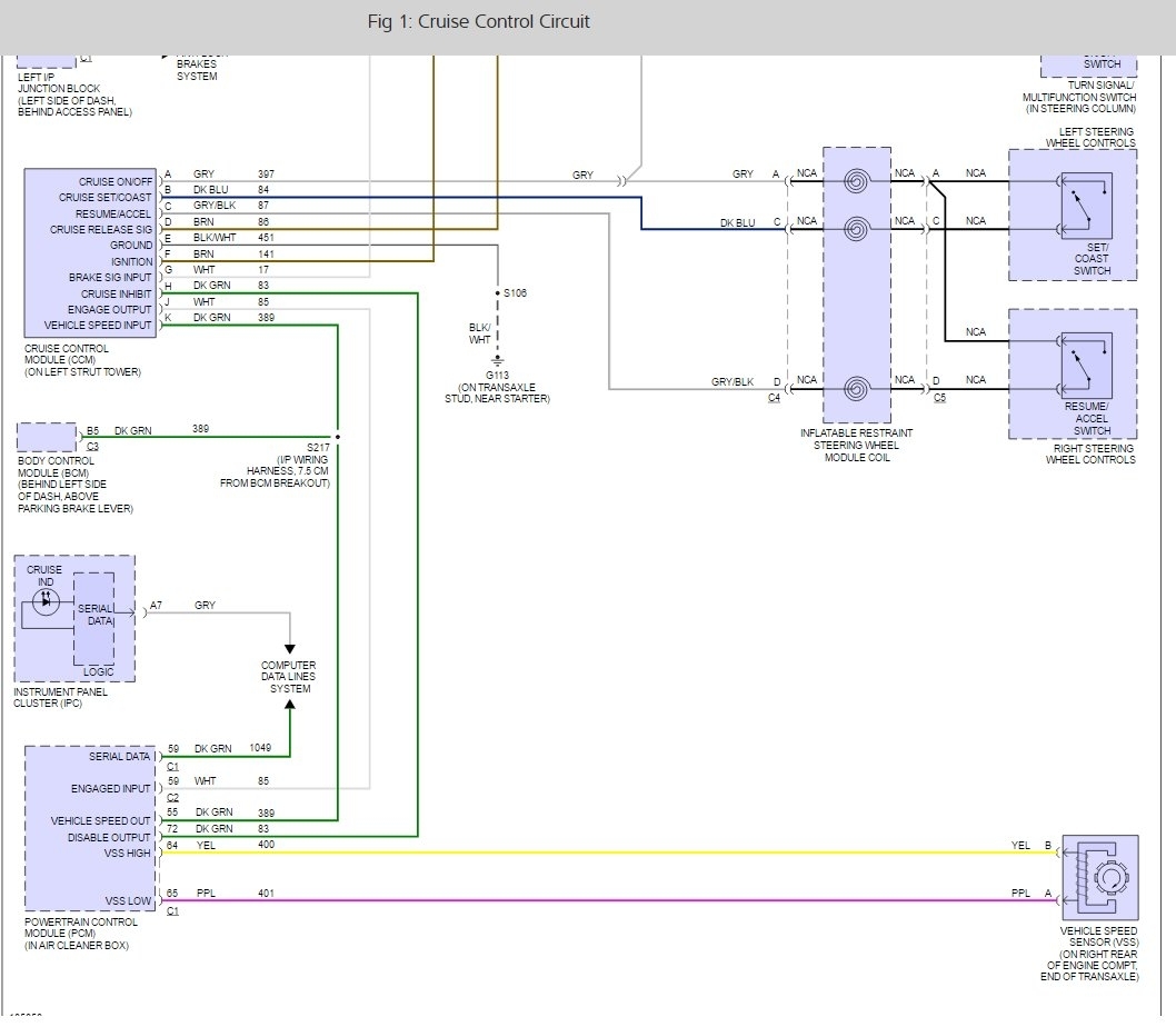
There is a wiring diagram at the bottom of this post.

If that tests okay here is a a trouble tree, please follow:

Proper operation of the brake lamps. Refer to Exterior Lighting Systems Description and Operation in Lighting Systems.

The throttle linkage is not binding.

The cruise control release switch is adjusted properly. Refer to Cruise Release Switch Adjustment .

The stop lamp switch is adjusted properly. Refer to Stop Lamp Switch Adjustment in Lighting Systems.

When testing vehicles equipped with steering wheel controls, the steering wheel must be rotated to each stop position while testing the cruise control signal circuits. This will assure the integrity of the (SIR) coil.

Step
Action
Values
Yes
No

Schematic Reference: Cruise Control Schematics

1 Did you perform the Diagnostic System Check - Vehicle?

2 Raise the vehicles drive wheels. Refer to Lifting and Jacking the Vehicle in General Information.
Start the engine.
Place the transmission into drive.
Observe the speedometer in the instrument panel cluster (IPC).
Does the speedometer operate properly?

3 Turn the ignition OFF.
Disconnect the cruise control module.
Turn the ignition ON, with the engine OFF.
Connect a test lamp between the ground circuit of the cruise control module and battery voltage.
Does the test lamp illuminate?

Yes - Go to Step 4
No - Go to Step 27

4 Turn the cruise control on/off switch OFF.
Connect a test lamp between a good ground and each of the following circuits:
The cruise control on switch signal circuit

The cruise control set/coast switch signal circuit

The cruise control resume/accel switch signal circuit

Does the test lamp illuminate for any of the signal circuits listed above?

Yes - Go to Step 12
No - Go to Step 5

5 Turn the cruise control on/off switch ON.
Connect a test lamp between the cruise control on switch signal circuit and a good ground.
Does the test lamp illuminate?

Yes - Go to Step 6
No - Go to Step 13

6 Connect a test lamp between the cruise control set/coast switch signal circuit and a good ground.
Press the set/coast switch.
Does the test lamp illuminate?

Yes - Go to Step 7
No - Go to Step 15

Connect a test lamp between the cruise control resume/accel switch signal circuit and a good ground.
Press the resume/accel switch.
Does the test lamp illuminate?

Yes - Go to Step 8
No - Go to Step 16

8 Connect a test lamp between the cruise control release signal circuit and a good ground.

Does the test lamp illuminate?

Yes - Go to Step 9
No - Go to Step 17

9 Apply the brake pedal.

Does the test lamp remain illuminated?

Yes - Go to Step 19
No - Go to Step 10

10 Measure the voltage at the cruise control engaged circuit.

Does the voltage measure near the specified value?
B+
Yes - Go to Step 11
No - Go to Step 21

11 Do the stop lamps operate properly?
--
Yes - Go to Step 20
No - Go to Diagnostic System Check - Vehicle in Vehicle DTC Information

12 Test the suspected signal circuit for a short to voltage. Refer to Circuit Testing and Wiring Repairs in Wiring Systems.

Did you find and correct the condition?

Yes - Go to Step 32
No - Go to Step 25

13 Test the cruise control on switch signal circuit for an open, for a high resistance, or for a short to ground. Refer to Circuit Testing and Wiring Repairs in Wiring Systems.

Did you find and correct the condition?

Yes - Go to Step 32
No - Go to Step 14

14 Test the ignition 3 voltage circuit of the cruise control switch for an open, for a short to ground, or for a high resistance. Refer to Circuit Testing and Wiring Repairs in Wiring Systems.

Did you find and correct the condition?

Yes - Go to Step 32
No - Go to Step 25

15 Test the cruise control set/coast switch signal circuit for an open, for a high resistance, or for a short to ground. Refer to Circuit Testing and Wiring Repairs in Wiring Systems.

Did you find and correct the condition?

Yes - Go to Step 32
No - Go to Step 25

16 Test the cruise control resume/accel switch signal circuit for an open, for a high resistance, or for a short to ground. Refer to Circuit Testing and Wiring Repairs in Wiring Systems.

Did you find and correct the condition?

Yes - Go to Step 32
No - Go to Step 25

17 Test the cruise control release switch signal circuit for an open, for a short to ground, or for a high resistance. Refer to Circuit Testing and Wiring Repairs in Wiring Systems.

Did you find and correct the condition?

Go to Step 32
Go to Step 18

18 Test the ignition 3 voltage circuit of the cruise control release switch for an open, for a short to ground, or for high resistance. Refer to Circuit Testing and Wiring Repairs in Wiring Systems.

Did you find and correct the condition?

Yes - Go to Step 32
No - Go to Step 23

19 Test the cruise control release switch signal circuit for a short to voltage. Refer to Circuit Testing and Wiring Repairs in Wiring Systems.

Did you find and correct the condition?

Yes - Go to Step 32
No - Go to Step 23

20 Test the stop lamp switch signal circuit of the cruise control module for an open or a high resistance. Refer to Circuit Testing and Wiring Repairs in Wiring Systems.

Did you find and correct the condition?

Yes - Go to Step 32
No - Go to Step 26

21 Test the cruise control engaged signal circuit for an open, for a high resistance. Refer to Circuit Testing and Wiring Repairs in Wiring Systems.

Did you find and correct the condition?

Yes - Go to Step 32
No - Go to Step 22

22 Test the vehicle speed signal circuit for an open or for a high resistance between the cruise control module and S217. Refer to Circuit Testing and Wiring Repairs in Wiring Systems.

Did you find and correct the condition?

Yes - Go to Step 32
No - Go to Step 23

23 Inspect for poor connections at the harness connector of the cruise control release switch. Refer to Testing for Intermittent Conditions and Poor Connections and Connector Repairs in Wiring Systems.

Did you find and correct the condition?

Yes - Go to Step 32
No - Go to Step 28

24 Inspect for poor connections at the harness connector of the powertrain control module (PCM). Refer to Testing for Intermittent Conditions and Poor Connections and Connector Repairs in Wiring Systems.

Did you find and correct the condition?

Yes - Go to Step 32
No - Go to Step 29

25 Inspect for poor connections at the harness connector of the turn signal/multi-function lever (Monte Carlo) or of the steering wheel control switch assembly (Impala). Refer to Testing for Intermittent Conditions and Poor Connections and Connector Repairs in Wiring Systems.

Did you find and correct the condition?

Yes - Go to Step 32
No - Go to Step 30

26 Inspect for poor connections at the harness connector of the cruise control module. Refer to Testing for Intermittent Conditions and Poor Connections and Connector Repairs in Wiring Systems.

Did you find and correct the condition?

Yes - Go to Step 32
No - Go to Step 31

27 Repair the open in the ground circuit of the cruise control module. Refer to Wiring Repairs in Wiring Systems.

Did you complete the repair?

No - Go to Step 32

28 Replace the cruise control release switch. Refer to Cruise Control Release Switch Replacement .

Did you complete the replacement and the adjustment?

No - Go to Step 32

29 Replace the PCM. Refer to Control Module References in Computer/Integrating Systems for replacement, setup, and programming.

Did you complete the replacement?

Yes - Go to Step 32

30 Replace the turn signal/multifunction switch lever or the steering wheel control switch assembly. Refer to one of the following procedures:

Turn Signal Multi-function Switch Replacement in Steering Wheel and Column

Steering Wheel Control Switch Assembly Replacement in Steering Wheel and Column

Did you complete the replacement?

Yes - Go to Step 32

31 Replace the cruise control module. Refer to Control Module References in Computer/Integrating Systems for replacement, setup, and programming.

Did you complete the replacement?

32 Operate the vehicle within the conditions for cruise control operation.

Does the cruise control system operate correctly?

System OK
Go to Step 2


Please run some tests and get back to us so we can continue helping you.

Best, Ken
Jan 2, 2017 at 12:06 PM
Avatar
KENZIMOMMA
  • MEMBER
  • 2 POSTS
What causes the cruise control to not set but the power light comes on but it doesn't set
Jan 2, 2017 at 5:21 PM (Merged)
Advertisement
Avatar
HOMER1967
  • CERTIFIED EXPERT
  • 875 POSTS
does the horn blow?does the transmission shift normaly?any check engine lights on?
Jan 2, 2017 at 5:21 PM (Merged)
Avatar
KENZIMOMMA
  • MEMBER
  • 2 POSTS
Yes all that work perfectly find
Jan 2, 2017 at 5:21 PM (Merged)
Avatar
HOMER1967
  • CERTIFIED EXPERT
  • 875 POSTS
it could be anything from a wheel speed sensor to an input or output sensor to an electrical issue.i would have to suggest that you take it to a shop and have it diagnosed.because there are a lot of very specific tests that will need to be done to get to the root cause.
Jan 2, 2017 at 5:21 PM (Merged)
Avatar
RJSTEVENS
  • MEMBER
  • 1 POST
Computer problem
2003 Chevy Impala 6 cyl Front Wheel Drive Automatic 40,000 miles
----------------------------------------------------------------
The cruise control light on the instrument panel is flashing on and off seems to be making a humming noise.
Jan 2, 2017 at 5:21 PM (Merged)
Avatar
DENNYP
  • CERTIFIED EXPERT
  • 1,824 POSTS
Is your blower motor or A/C control affected when the cruise acts up?
Jan 2, 2017 at 5:21 PM (Merged)
Avatar
ONELIFETWOROCK
  • MEMBER
  • 2 POSTS
This is my first time on here and I was reading about the cruise control problem, I have the same problem and the blower and A/c is effected, WHEN CRUISE CONTROL BLINKS. WHAT CAN THIS BE? Any help will be thank full. Thank you.
Jan 2, 2017 at 5:21 PM (Merged)
Avatar
ONELIFETWOROCK
  • MEMBER
  • 2 POSTS
03 Chevy impala with 168k cruise control blinks and fan blower and AC stop working what can this be?
Jan 2, 2017 at 5:21 PM (Merged)
Avatar
WOLVES2008
  • MEMBER
  • 1 POST
Electrical problem
2002 Chevy Impala 6 cyl Two Wheel Drive Automatic 110000 miles
----------------------------------------------------------------
For the past 2 weeks everytime I start my car, the security light comes on and I can hear a couple of clicking sounds. The car still runs but now my cruise control dosent work and I am only able to control my power windows from the drivers side only. Is this something I can fix myself and if so how?
Jan 2, 2017 at 5:21 PM (Merged)
Avatar
RHALL77
  • CERTIFIED EXPERT
  • 3,361 POSTS
sounds like a BCM problem. yes you can replace it your self, but it wont start. it will need to be progamed at the dealer. your best bet, let them do it
Jan 2, 2017 at 5:21 PM (Merged)
Avatar
SPROWL5
  • MEMBER
  • 1 POST
Electrical problem
2004 Chevy Impala 6 cyl Front Wheel Drive Automatic 126000 miles
----------------------------------------------------------------
A couple of days ago I was using my cruise control and have not been having any problems with it and the next day I tried to use it I got nothing. My husband checked to see if it was the fuse and the fuse was fine. What are my options? What else could I check? Is it something that we can fix or do I have to take it to a mechanic?
Jan 2, 2017 at 5:21 PM (Merged)
Avatar
DOCHAGERTY
  • CERTIFIED EXPERT
  • 9,603 POSTS
The brake lamp switch might be out of adjustment or perhaps requires replacement.
Jan 2, 2017 at 5:21 PM (Merged)
Avatar
BOBRVSALES
  • MEMBER
  • 1 POST
Electrical problem
2003 Chevy Impala 6 cyl Front Wheel Drive Automatic 40000 miles
----------------------------------------------------------------
The cruise control on my 03 Impala works intermitently. At first it worked almost all of the time. Now it is working less and less often, to the point that it is unusual that it does work. The map lights also have an intermitent problem. Everything else seems to work fine.
Jan 2, 2017 at 5:21 PM (Merged)
Avatar
DENNYP
  • CERTIFIED EXPERT
  • 1,824 POSTS
It could be a bad cruise on/off switch or a bad ignition switch.
Jan 2, 2017 at 5:21 PM (Merged)
Avatar
SPUDNUT
  • MEMBER
  • 1 POST
the cruise control will not set. How can I fined a manual to fix it?
Jan 2, 2017 at 5:22 PM (Merged)