Good morning,
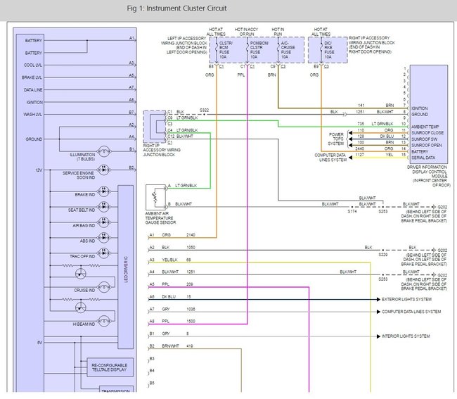
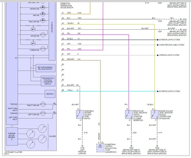
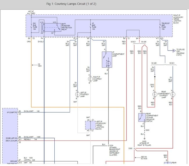
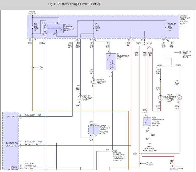
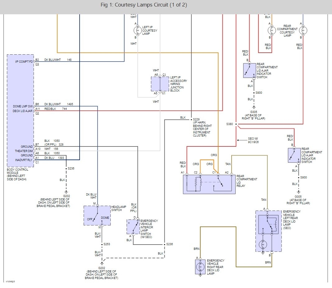
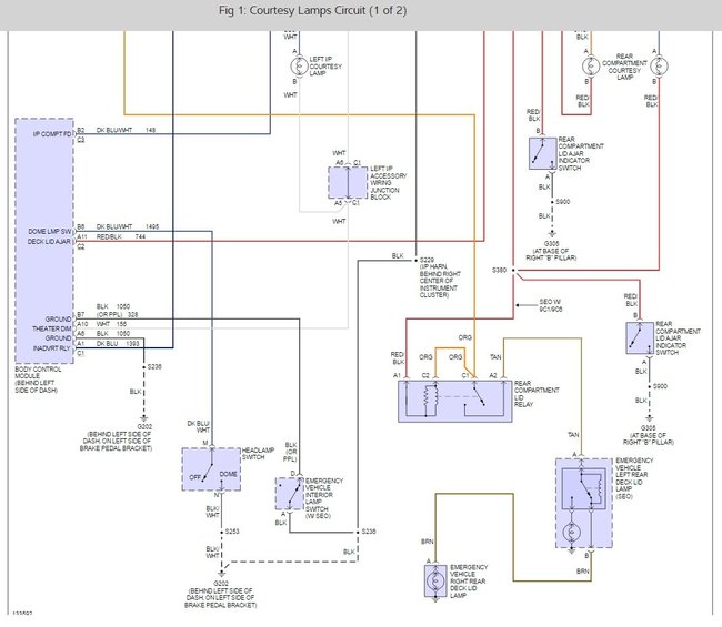
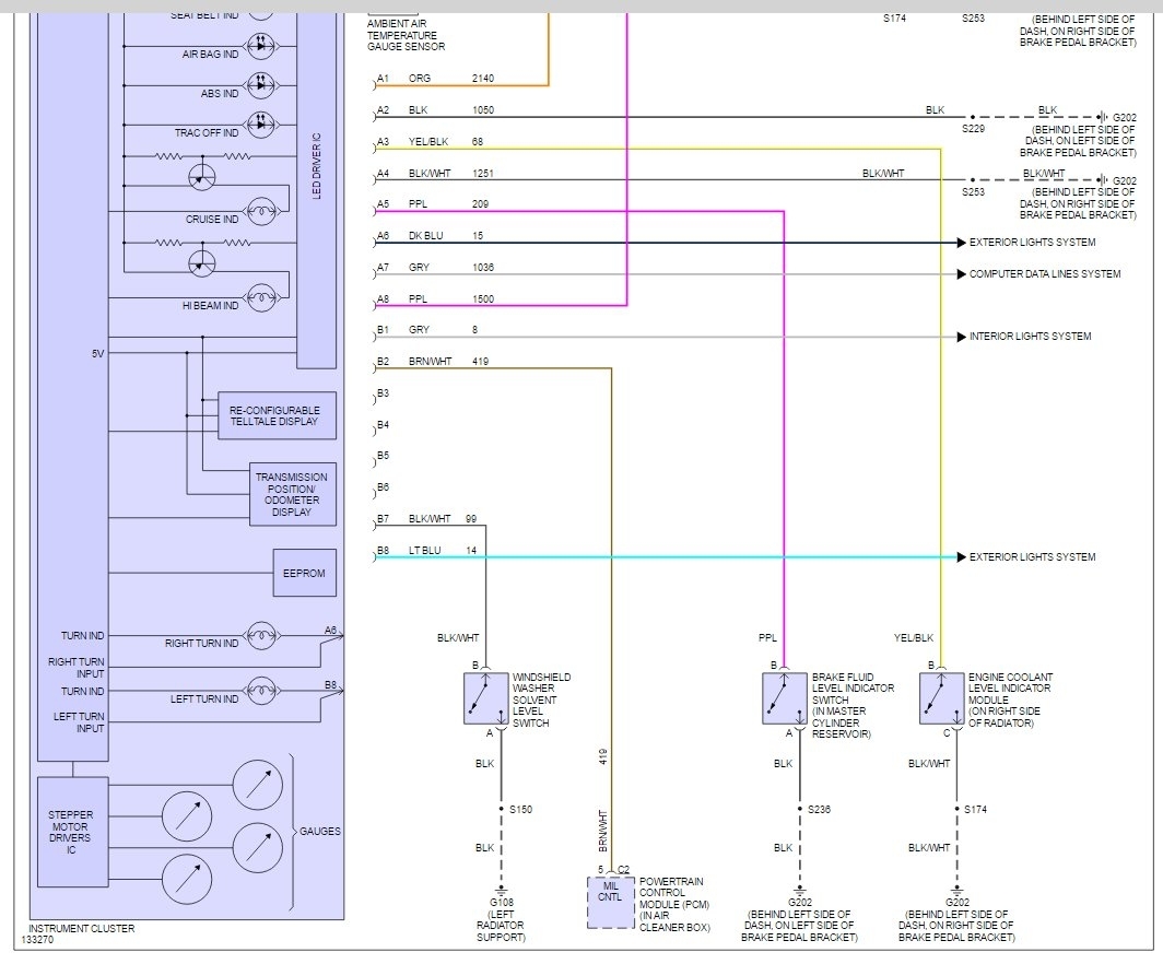
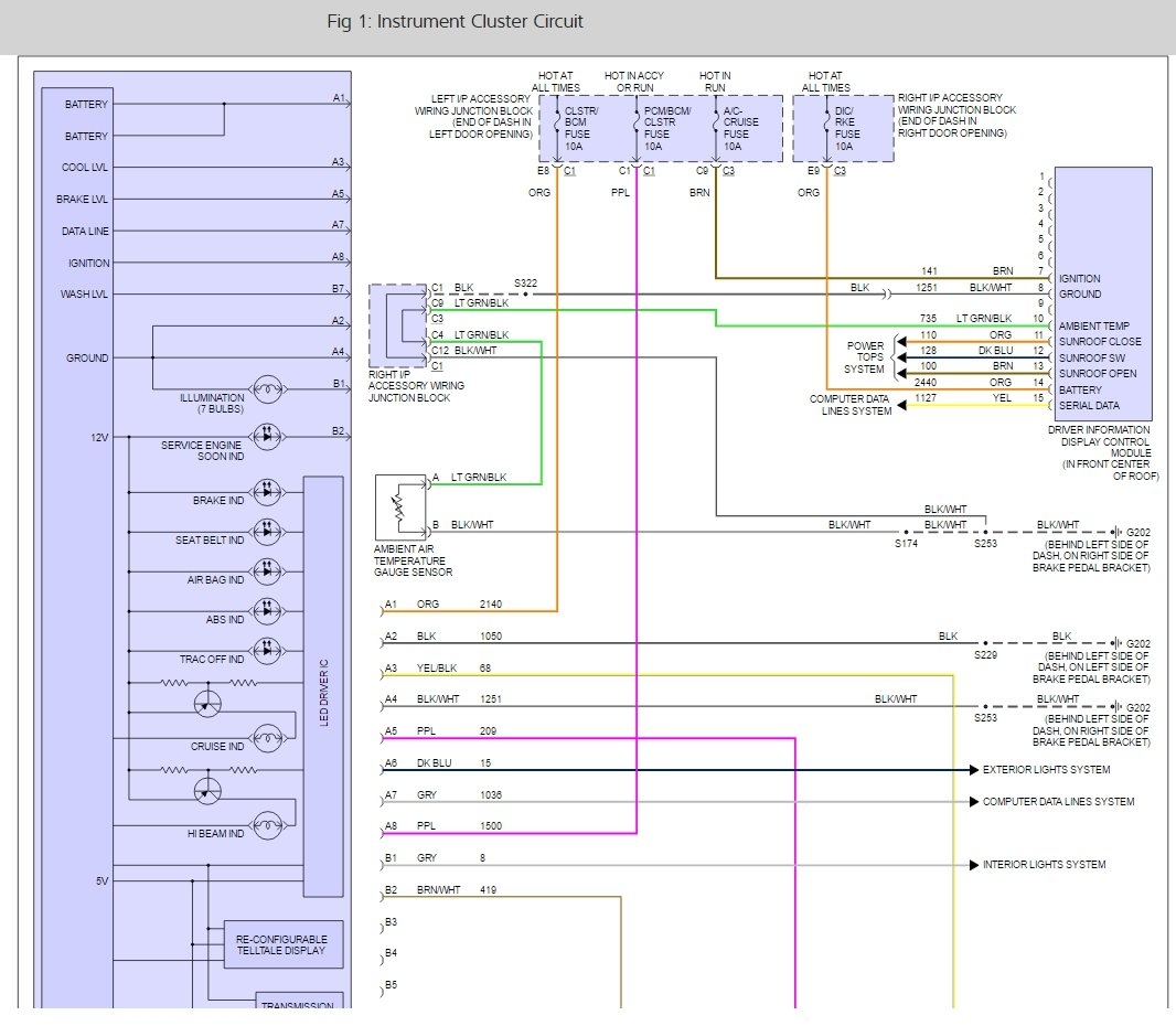
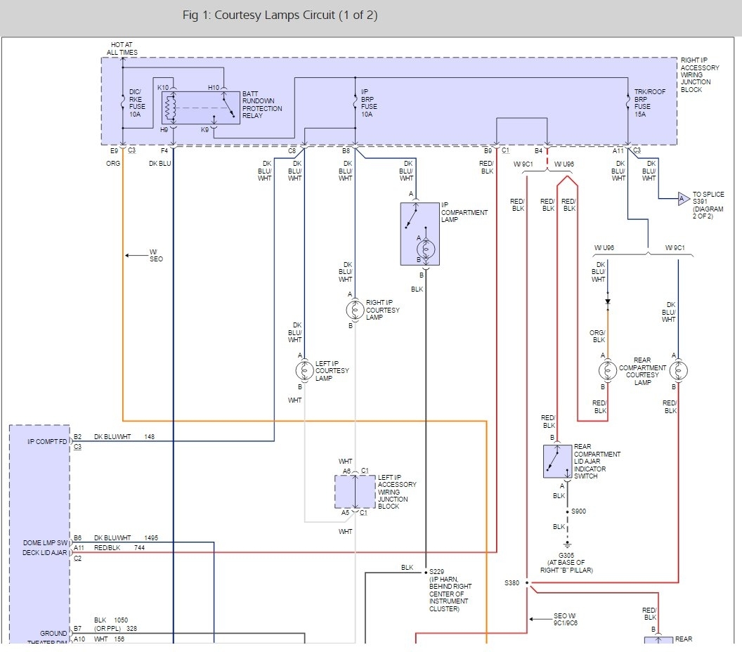
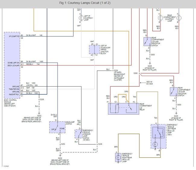
The issue I am having is that the dash lights go out when the head lights turn on at dusk via the automatic light sensor. The dimmer switch is turned to maximum brightness there is no change in the dash lights after dusk no matter the position of the dimmer switch. Also, when I turn the head lights on manually the problem does not occur, nor does it solve the problem after dusk.
Regards,
Paul Kuczwara
The issue I am having is that the dash lights go out when the head lights turn on at dusk via the automatic light sensor. The dimmer switch is turned to maximum brightness there is no change in the dash lights after dusk no matter the position of the dimmer switch. Also, when I turn the head lights on manually the problem does not occur, nor does it solve the problem after dusk.
Regards,
Paul Kuczwara
Oct 30, 2010 at 9:16 AM















