Hi and thanks for using 2CarPros.com.
If it starts with starting fluid, then the problem is fuel related. I first need you to confirm the fuel pressure is within the manufacturer's specs. I have attached the directions from alldata for your review. Additionally, there are diagnostic flow charts attached as pictures.
_____________________________________________
CONVERSION CALCULATOR
1996 Chevrolet Impala SS V8-350 5.7L VIN P SFI
Vehicle » Engine, Cooling and Exhaust » Engine » Fuel Pressure » Testing and Inspection
TESTING AND INSPECTION
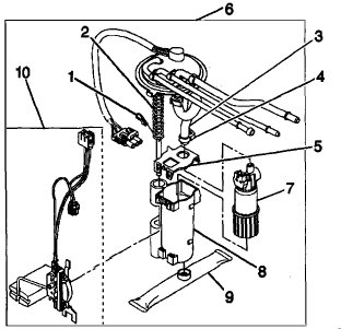
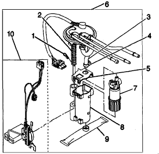
Fuel System
Legend
(1) J 34731A Fuel Pressure Gauge
(2) Fuel Pressure Gauge Bleed Hose
(3) Feed Pipe
(4) Return Pipe
(5) J37287 Fuel Line Shut-off Adapters
CIRCUIT DESCRIPTION
When the ignition switch is turned ON, the Powertrain Control Module (PCM) will turn ON the in-tank fuel pump. The in-tank fuel pump will remain ON as long as the engine is cranking or running and the PCM is receiving reference pulses. If there are no reference pulses, the PCM will turn the in-tank fuel pump OFF 2 seconds after the ignition switch is turned ON or 2 seconds after the engine stops running.
The in-tank fuel pump is an electric pump within an integral reservoir. The in-tank fuel pump supplies fuel through an in-pipe fuel filter to the fuel rail assembly. The fuel pump is designed to provide fuel at a pressure above the pressure needed by the fuel injectors. A fuel pressure regulator, attached to the fuel rail, keeps the fuel available to the fuel injectors at a regulated pressure. Unused fuel is returned to the fuel tank by a separate fuel return pipe. The fuel pump test connector is located near the A/C accumulator.
TEST DESCRIPTION
Number(s) below refer to the step number(s) on the Diagnostic Table.
When the ignition switch is ON and the fuel pump is running, the fuel pressure indicated by the fuel pressure gauge should be 284-325 kPa (41-47 psi). This pressure is controlled by spring pressure inside the fuel pressure regulator.
A fuel system that can not maintain a constant fuel pressure has a leak in one or more of the following areas:
The fuel pump check valve.
The fuel pump feed hose.
The valve or valve seat within the fuel pressure regulator.
The fuel injector(s).
Fuel pressure that drops-off during acceleration, cruise or hard cornering may cause a lean condition. A lean condition can cause a loss of power, surging, or misfire. A lean condition can be diagnosed using a scan tool. If an extremely lean condition occurs, the heated oxygen sensors(s) will stop toggling. The heated oxygen sensor output voltage(s) will drop below 300 mV. Also, the fuel injector pulse width will increase.
IMPORTANT: Make sure the fuel system is not operating in the Fuel Cut-Off Mode. This can cause false indications by the scan tool.
When the engine is at idle, the manifold pressure is low (high vacuum). This low pressure (high vacuum) is applied to the fuel pressure regulator diaphragm. The low pressure (high vacuum) will offset the pressure being applied to the fuel pressure regulator diaphragm by the spring inside the fuel pressure regulator. When this happens, the result is lower fuel pressure. The fuel pressure at idle will vary slightly as the barometric pressure changes, but the fuel pressure at idle should always be less than the fuel pressure noted in Step 2 with the engine OFF.
A rich condition may result from the fuel pressure being above 325 kPa (47 psi). A rich condition may cause DTC P0132, DTC P0152, DTC P0172 or DTC P0175 to set. Driveability conditions associated with rich conditions can include hard starting (followed by black smoke) and a strong sulfur smell in the exhaust.
This test determines if the high fuel pressure is due to a restricted fuel return pipe or if the high fuel pressure is due to a faulty fuel pressure regulator.
A lean condition may result from the fuel pressure being below 284 kPa (41 psi). A lean condition may cause DTC P0131, DTC P0151, DTC P0171 or DTC P0174 to set. Driveability conditions associated with lean conditions can include hard starting (when the engine is cold), hesitation, poor driveability, lack of power, surging, and misfiring.
Restricting the fuel return pipe with the J 37287 fuel pipe shut-off adapter causes the fuel pressure to rise above the regulated fuel pressure. Using a scan tool to pressurize the system, the fuel pressure should rise above 325 kPa (47 psi) as the valve on the fuel pipe shut-off adapter connected to the fuel return pipe becomes partially closed.
NOTICE: Do not allow the fuel pressure to exceed 414 kPa (60 psi). Fuel Pressure in excess of 414 kPa (60 psi) may damage the fuel pressure regulator.
Check the spark plug associated with a particular fuel injector for fouling or saturation in order to determine if that particular fuel injector is leaking. If checking the spark plug associated with a particular fuel injector for fouling or saturation does not determine that a particular fuel Injector is leaking, use the following procedure:
Remove the fuel rail, but leave the fuel pipes connected to the fuel rail. Refer to Fuel Rail Assembly.
Lift the fuel rail just enough to leave the fuel injector nozzles in the fuel injector ports.
WARNING: In order to reduce the risk of fire and personal injury that may result from fuel spraying on the engine, verify that the fuel rail is positioned over the fuel injector ports, and verify that the fuel injector retaining clips are intact.
Pressurize the fuel system by using the scan tool fuel pump enable.
Visually and physically inspect the fuel injector nozzles for leaks.
The fuel pressure regulator filter screen is designed to trap any contaminants introduced during engine assembly. If the fuel pressure regulator screen is dirty, it can be removed with a small pick and discarded without potential harm to the fuel pressure regulator.
__________________________
Let me know if this helps or if you have other questions.
Take care,
Joe
Images (Click to enlarge)
Mar 6, 2021 at 4:36 PM
(Merged)