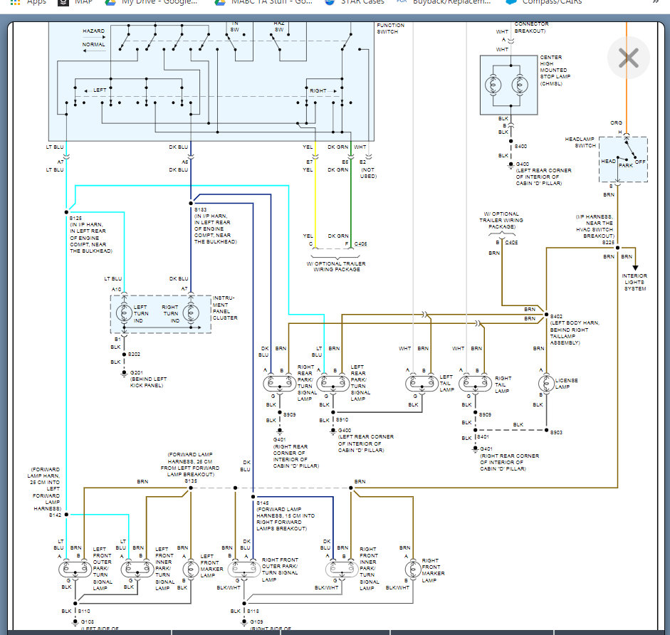
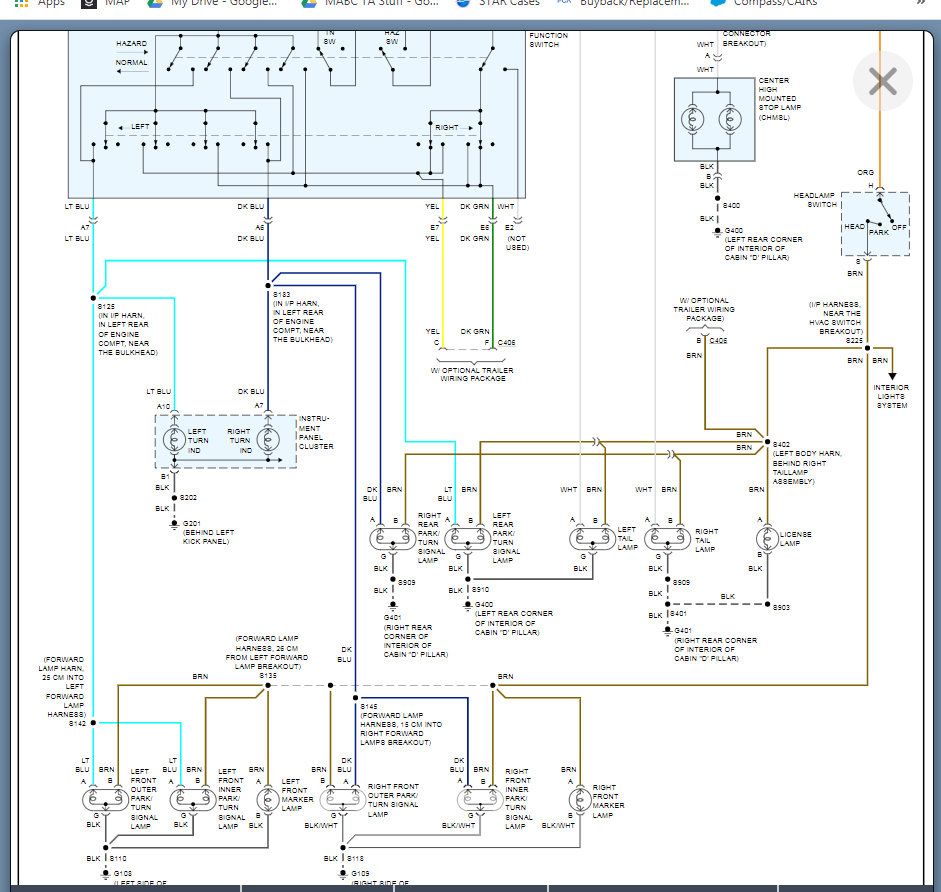
The parking lights/license plate/tail lamps and other lights do not work. I have changed the fuse with a known good fuse and they still do not work. Help!
Nov 3, 2009 at 7:29 PM

