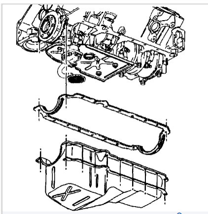
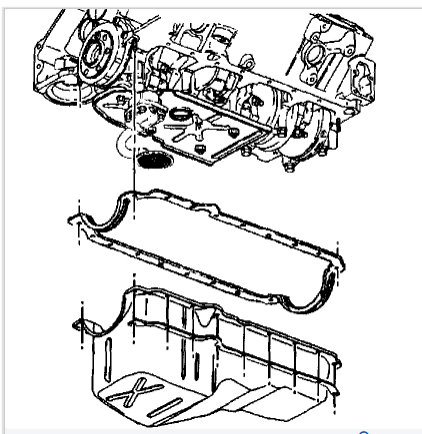
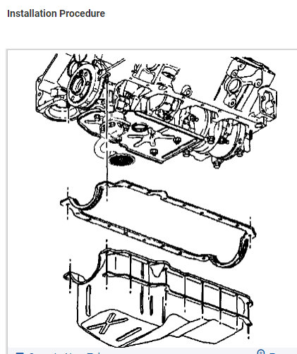
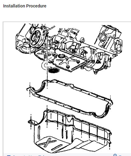
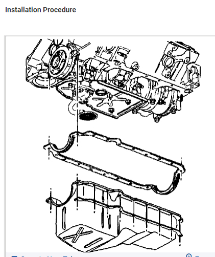
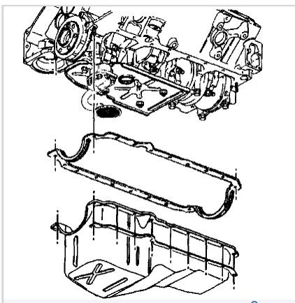
Hello. I have a Chevy Express 15 passenger van with 130,000 miles. When I first start driving it, everything is okay and the oil PSI is about 40-60 PSI. Once I've driven for about 5 minutes and come to a stop, the oil pressure drops less than 20 PSI. After idling for a couple of minutes when the engine is hot, it drops to less than 10 PSI, the check gauges light comes on and the engine cuts off unless I press the gas. Also, when backing up, sometimes the engine cuts off, but it starts right back up. We've had the oil pump replaced and have also put a higher grade oil, just in case, but the problem is still there. What could it be?
Sep 14, 2010 at 7:36 AM










