turn on the headlights and step on the brakes the back brake lights go out

2001 CHEVROLET EXPRESS
180,000 MILES • V8 • 2WD • AUTOMATIC
Avatar
MARK109803
  • MEMBER
  • 1 POST
when just the daytime running lights are on all lights around the van work properly. When I turn on the headlights and step on the brakes the back brake lights go out but the third brake light works properly. My mechanic has replaced the headlight switch assembly and the brake light switch to no avail. He now tells me that the multi function switch in the steering column must be the problem. He already has 9 hours of labor in the van and this new switch costs over 300 dollars. I was able to return the first switches but the dealer tells us that once this switch is in it cannot be returned. Do you have any ideas on this problem.
Nov 1, 2009 at 7:57 PM
Advertisement
Avatar
KASEKENNY
  • CERTIFIED EXPERT
  • 18,907 POSTS
More than likely you have a short to ground in the circuit. The most likely cause of this is a light socket that has water and corrosion in it causing an incorrect path to ground.

Here is a video that will show how to replace these sockets:

https://youtu.be/PxA5wczsCVo

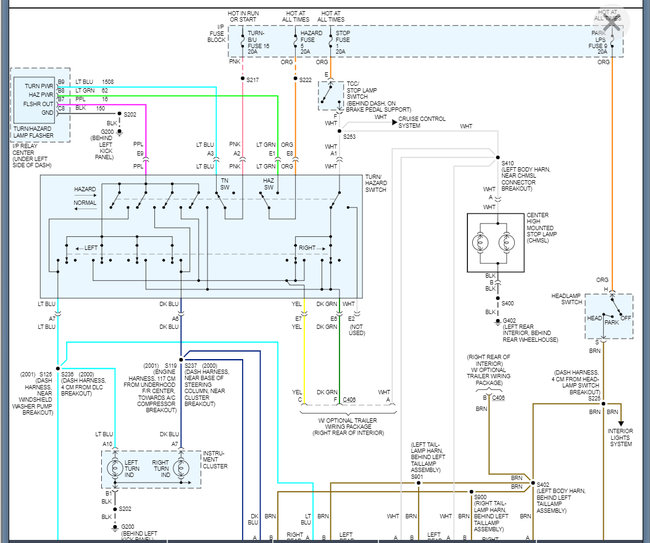
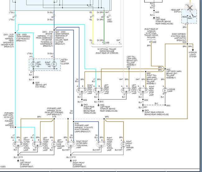
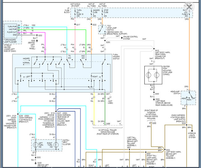
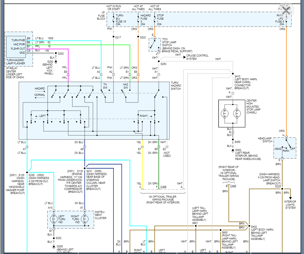
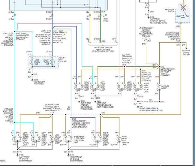
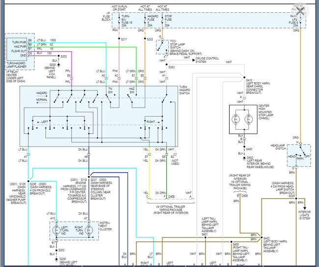
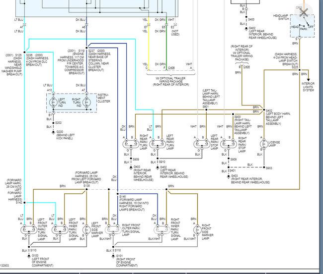
I am attaching the wiring diagram below that will help with testing for a short. Here is a guide that will help as well:

https://www.2carpros.com/articles/how-to-check-wiring

Below you will find the wiring diagram that will help with testing but also in case you need it when replacing the sockets. Please let us know what you find, and we can go from there. Thanks
Nov 2, 2021 at 5:40 PM