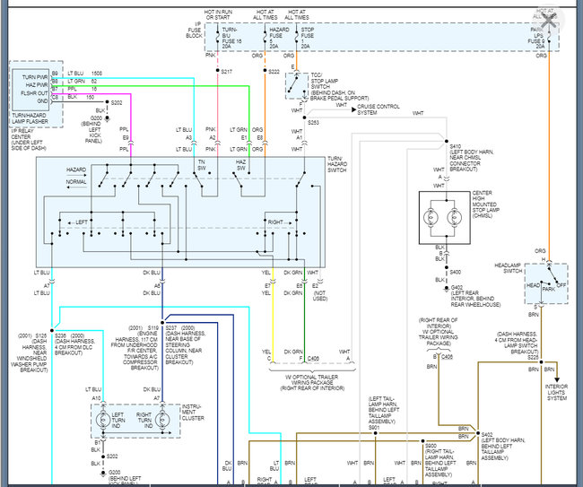
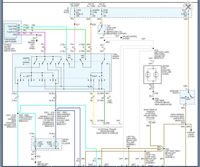
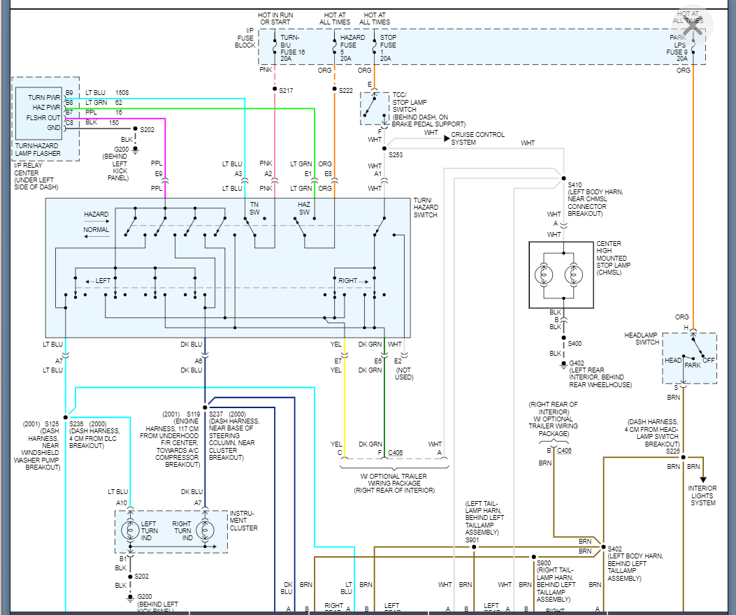
both brake lite and turn signal works by them self but blinking stops when I press brake pedal. only the right side dose this. any advise on what this could be?
Thanks
David
Thanks
David
Sep 2, 2010 at 7:14 AM

