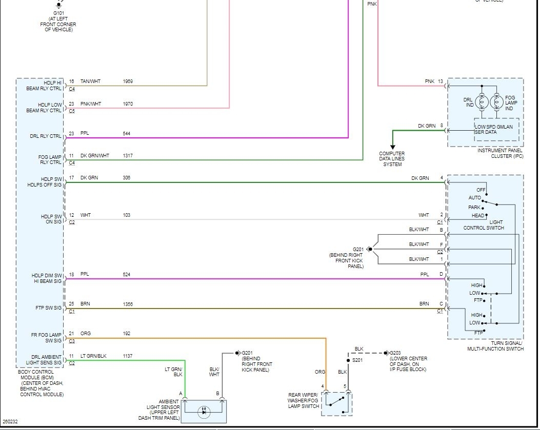
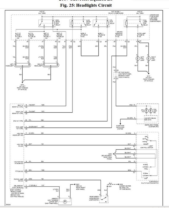
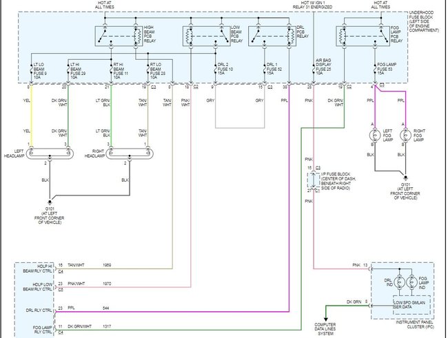
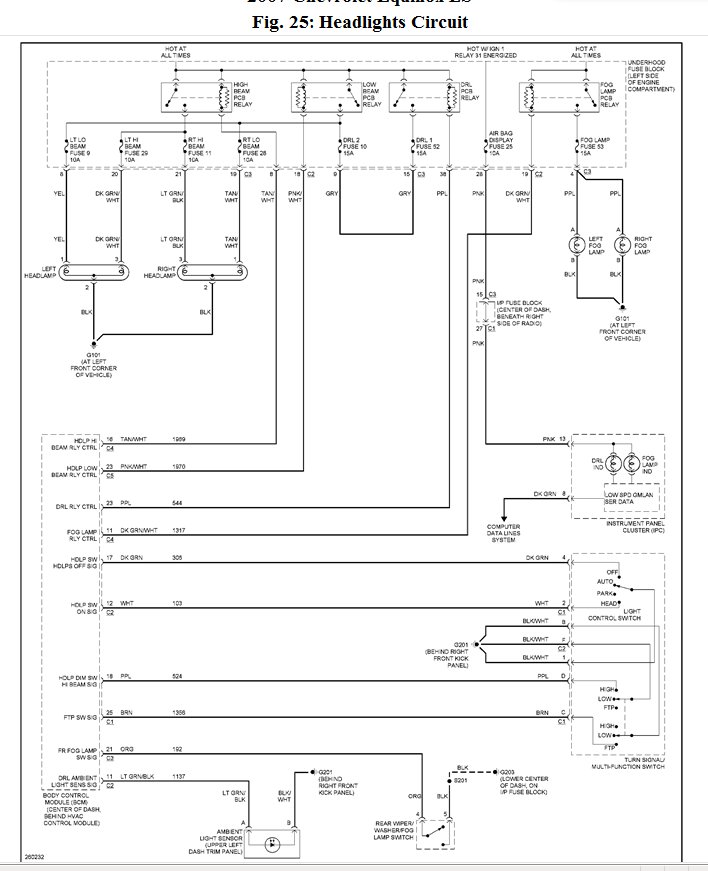
I am giving you the wiring diagram for the exterior light system which includes the headlights.
If you look at the power wire that is on the side of the relay that would not be hot until the relay is tripped you can see that the day runner lights, DRL, and the low beams share the same power wire. It may have come loose somewhere and that could happen before the fuses are reached, so it would not blow the fuses and it would have to be loose after the node where the hot lines come off of the relays and share a wire until they split into seperate nodes for each. The color is on the diagram and the wire would be a heavy gauge.
Besides the coincidence of both relays failing at the same time or the body control module, BCM, having some issue that affected both, the ground wire is the only other thing I can think of. The ground for the low beams and high beams have a common mount point, but do not share a common ground wire which is the ground wire for both the DRL and the low beams. So, it could possibly be broken or loose as well.
Mar 6, 2019 at 6:13 PM
(Merged)