PCV Valve

2005 CHEVROLET EQUINOX
Avatar
  • MEMBER
  • 1 POST
Engine problem 6 cyl All Wheel Drive Automatic 30000 miles
----------------------------------------------------------------
How do you change the PCV valve on a 2005 Chevy Equinox? It appears to have a retainer that holds it in place that is permanently mounted to the engine block.
Jan 26, 2008 at 8:12 AM
Advertisement
Avatar
STRAILER
  • CERTIFIED EXPERT
  • 53,854 POSTS
Hello,

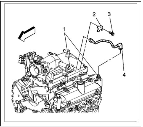
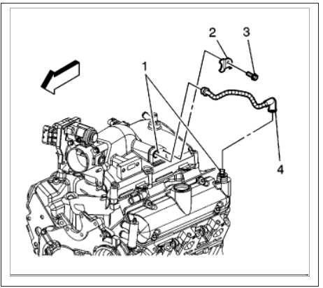
The PCV valve is located and the rear of the engine on the left side inside the vacuum tube. Here are some diagrams to show you the location and how to remove it. Check out the diagrams (Below) Please let us know if you need anything else to get the problem fixed.

Dec 2, 2017 at 6:11 PM