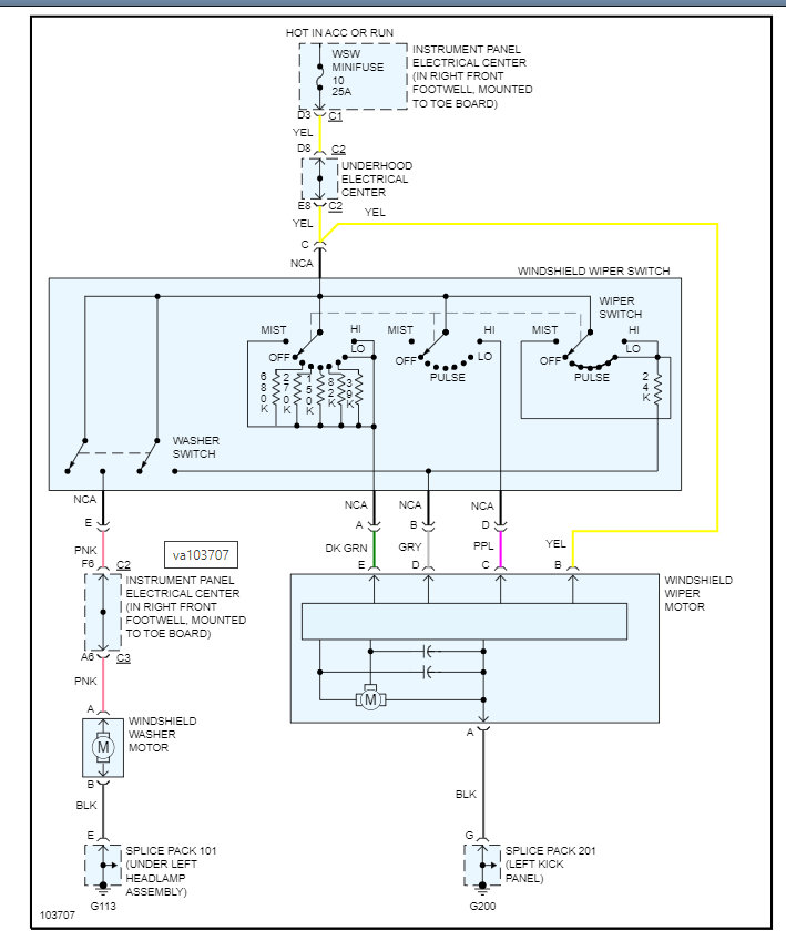
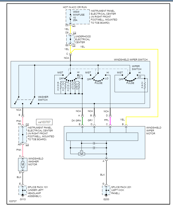
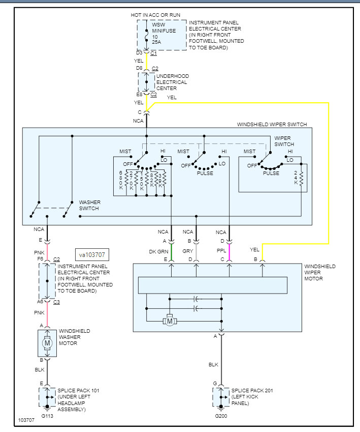
The windshield wipers come on by themselves even though the switch is in the off position. Trying to turn them off with the switch doesn't work but they stop eventually. When they are running by themselves, the switch will adjust the speed but won't turn them off. Is this the switch, the motor or something else?
Jun 7, 2010 at 11:20 AM
