Electrical problem 4 cyl Two Wheel Drive Automatic 40000 miles
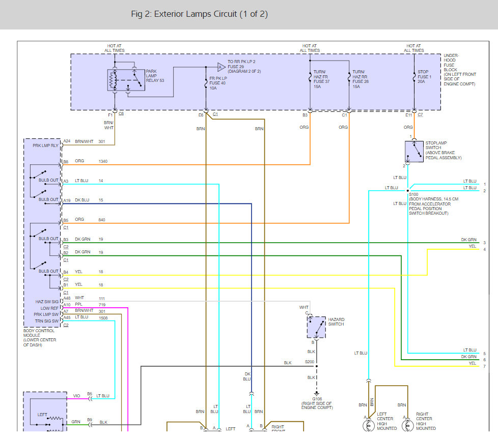
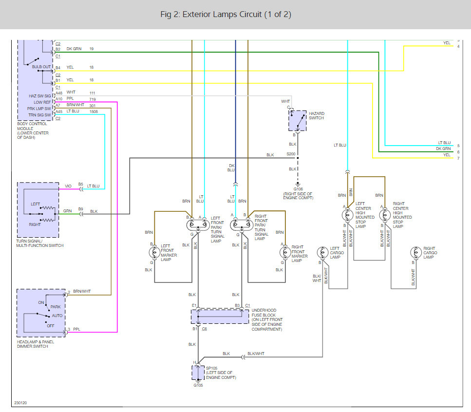
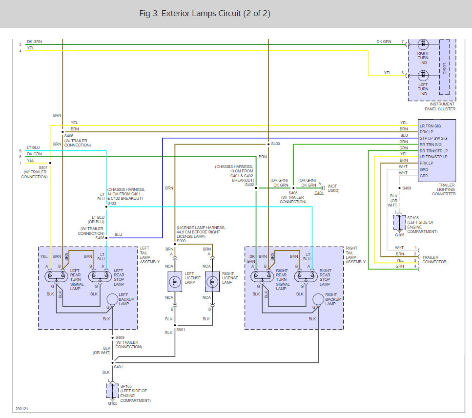
The brake lights do not work, however, when I lock my car they flash so it's not a bulb issue. The cruise control doesn't work and the brake switch shares a fuse with it, but the fuse is not blown. Any answers?
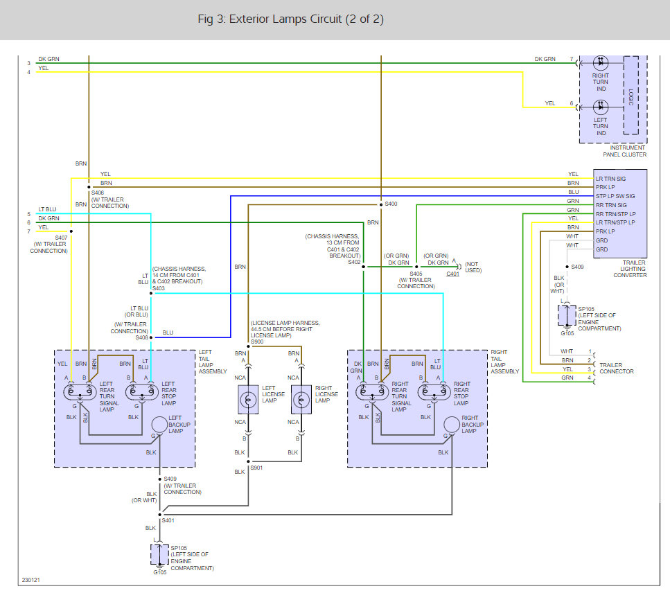
The brake lights do not work, however, when I lock my car they flash so it's not a bulb issue. The cruise control doesn't work and the brake switch shares a fuse with it, but the fuse is not blown. Any answers?
Apr 7, 2010 at 2:17 PM









