Turn signal relay?

2008 CHEVROLET COBALT
31,227 MILES • 4 CYL • FWD • AUTOMATIC
Avatar
BLUE-MULE
  • MEMBER
  • 1 POST
Recently the seat belt, lights on and key in the ignition when off and door open stopped working. Also turn signals and 4 way flashers work but there is no clicking. what has caused this and where can I locate the flasher?
Oct 6, 2010 at 6:01 PM
Advertisement
Avatar
MMPRINCE4000
  • CERTIFIED EXPERT
  • 8,548 POSTS
Hello,

The blinker are controlled by the BCM so I would start by checking the fuses which can cause this issue,. Here is a guide to help you with the blinker wiring diagrams so you can see how the system works and the fuse locations as well.

https://www.2carpros.com/articles/how-to-check-a-car-fuse

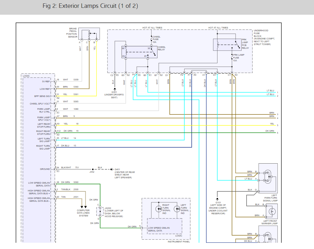
Check out the diagrams (Below). Please let us know what happens.
Oct 18, 2010 at 8:56 AM
Avatar
GMTECH
  • CERTIFIED EXPERT
  • 537 POSTS
if the fuses are okay the BCM needs to be replaced here is the location and the instruction on how to replace it below.

Body Control Module Programming and Setup

A new body control module (BCM) must be programmed with the proper regular production option (RPO) configurations. The BCM stores the information regarding the vehicle options and if the BCM is not properly configured with the correct RPO codes the BCM will not control all of the features properly. The Tech 2 software will automatically prompt you with the various RPO's available for the vehicle. Ensure that the following conditions exist in order to prepare for BCM programming:

1. This entire procedure has been reviewed before starting
2. The battery is fully charged.
3. A CANdi module is installed between the vehicle and the scan tool.
4. The ignition switch is in the ON position.
5. The data link connector (DLC) is accessible.
6. All disconnected modules and devices are reconnected before programming.

BCM Programming

Important: Use extreme care when verifying both the VIN and Odometer reading that is set in the service BCM. Once the VIN and Odometer are set in the replacement BCM it is impossible to change them, and if there is a mismatch, the part will be rendered useless.

To setup a new replacement BCM select Vehicle Control Systems, then navigate to Computer/Integrating Systems, once in the Computer/Integrating Systems menu select Module Replacement/Setup and follow the instructions on the scan tool.

If the BCM fails to accept the program, perform the following steps:

* Inspect all BCM connections.
* Verify that the scan tool has the latest software version.

SDM Part Number Learn Procedure

If the SDM is replaced the SDM part number must be learned by the BCM. Using a scan tool navigate to Vehicle Control Systems, Module Setup, Supplemental Inflatable Restraints then select Setup SDM Part Number In BCM. Follow the on screen directions.

Important: After programming, perform the following to avoid future misdiagnosis:

1. Turn the ignition OFF for 10 seconds.
2. Connect the scan tool to the data link connector.
3. Turn the ignition ON with the engine OFF.
4. Use the scan tool in order to retrieve history DTCs from all modules.
5. Clear all history DTCs.

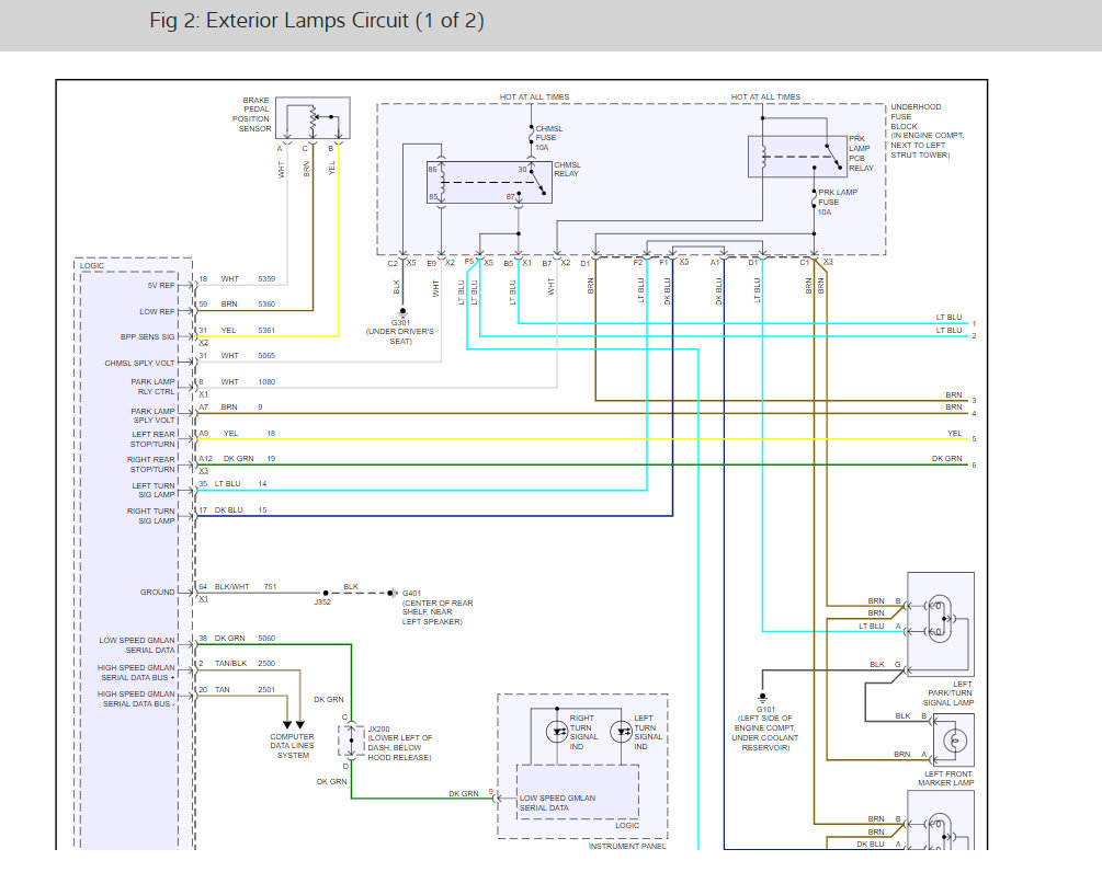
Check out the diagrams (Below). Please let us know what you find. We are interested to see what it is.
Oct 24, 2010 at 12:46 AM
Advertisement
Avatar
GINGER15
  • MEMBER
  • 1 POST
Today when I was driving to work and I went to use my blinker, I noticed that the blinking noise stopped working. The light works, but the noise it makes to let me know my blinker is on, is not.
Aug 20, 2019 at 7:31 PM (Merged)
Avatar
GMTECH
  • CERTIFIED EXPERT
  • 537 POSTS
This problem is usually the radio or the left front speaker. The sound for the signal is done through radio. If you turn your balance and fader to the left front you will see that the speaker will be inoperative.
Aug 20, 2019 at 7:31 PM (Merged)
Avatar
JKARNETS
  • MEMBER
  • 2 POSTS
I have switched out the light bulb of the turn signal thinking that would be the problem, but then all I could do was to get the turn signal to stay on. Now its not staying on at all. What could the problem be. In order for it to stay on I had to move the bulb in the socket around a little bit. The guy at the parts store told me it could be the flasher but I have no idea where that is located!
Please help! I don't want to spend money going somewhere when I can fix it myself!
Aug 20, 2019 at 7:32 PM (Merged)
Avatar
HMAC300
  • CERTIFIED EXPERT
  • 48,601 POSTS
the flasher may be part of the hazard switch.
Aug 20, 2019 at 7:32 PM (Merged)
Avatar
JKARNETS
  • MEMBER
  • 2 POSTS
It was the BCM cost me $324.00 to have it replaced FYI.

Thanks!
Aug 20, 2019 at 7:32 PM (Merged)
Avatar
HMAC300
  • CERTIFIED EXPERT
  • 48,601 POSTS
Glad you could get it fixed, that kind of problem can be tough. Please use 2CarPros anytime we are here to help.
Aug 20, 2019 at 7:32 PM (Merged)
Avatar
WESCOTT.CLARK
  • MEMBER
  • 1 POST
At night when I am driving with my high beams on and I have to use my right turn signal, all of my lights blink on and off - In unison with the turn signal

Headlights. High beams. Running Lights.
Aug 20, 2019 at 7:32 PM (Merged)
Avatar
MMPRINCE4000
  • CERTIFIED EXPERT
  • 8,548 POSTS
It is either the turn signal switch or a short in wiring.

If this just happened, I would think the signal stalk.
Aug 20, 2019 at 7:32 PM (Merged)
Avatar
ALYAK
  • MEMBER
  • 1 POST
My '06 Chevy Cobalt LT front passenger turn signal went out, and caused the interior and exterior running lights to stop working. Local Chevy dealer said I need to replace the entire headlight unit, I think it should just replace the wire harness.

Mechanic says headlight socket is corrodid, and the bulb is stuck inside the harness. Should I just replace the wire harness itself? Or do what Chevy wants me to do? I don't have a warranty, nor do I have a lot of money. I need a cheaper way of fixing this without causing more problems than I already have with this car. Please help! I am running out of options.
Aug 20, 2019 at 7:32 PM (Merged)
Avatar
SATURNTECH9
  • CERTIFIED EXPERT
  • 30,869 POSTS
Take a look at the harness if the bulb is stuck and the socket is corroded you will have to replace the socket.You can replace the socket yourself to save money.Do you need help finding a socket?
Aug 20, 2019 at 7:32 PM (Merged)
Avatar
JAHOLATA
  • MEMBER
  • 1 POST
We found that the socket was bad so we replaced the wiring harness and the bulb but it still blinks fast
Aug 20, 2019 at 7:32 PM (Merged)
Avatar
ASEMASTER6371
  • CERTIFIED EXPERT
  • 52,796 POSTS
examine the rest of the bulbs first. then recheck the ground connection for that socket. it may have a bad ground

Roy
Aug 20, 2019 at 7:32 PM (Merged)
Avatar
KHLOW2008
  • CERTIFIED EXPERT
  • 41,814 POSTS
When it is blinking fast are all exterior bulbs working correctly? Does it occur to both sides?
Aug 20, 2019 at 7:32 PM (Merged)
Avatar
VILLALOBOS47
  • MEMBER
  • 1 POST
Electrical problem
2005 Chevy Cobalt 4 cyl

When I switch my right turn signal on, the front signal blinks rapidly and the rear signal does not blink at all (though it does turn on with the other tail light when I unlock the car). The left signals work fine. I changed the bulb, but it still doesn't blink when turned on. Any ideas? Thanks.
Aug 20, 2019 at 7:32 PM (Merged)
Avatar
ERNEST CLARK
  • CERTIFIED EXPERT
  • 1,730 POSTS
The flasher circuit is designed to blink rapidly when one of the bulbs in that circuit fails.

Make sure you changed all the bulbs in that tail light housing that doesn't work.

If you are absolutely sure that all the bulbs are good, then look in the wiring or connector for corrosion or a loose wire/connector.
Aug 20, 2019 at 7:32 PM (Merged)
Avatar
ALBERTWAKELY
  • MEMBER
  • 1 POST
My passenger side signal lights won't flash on front or back but the do flash regularly in the dash.I put all new bulbs in
Aug 20, 2019 at 7:32 PM (Merged)
Avatar
WRENCHTECH
  • CERTIFIED EXPERT
  • 20,761 POSTS
The turn signals are controlled by the Body Control module. About all you could do yourself is test all your fuses. Beyond that would require some real expensive equipment and electrical knowledge.
Aug 20, 2019 at 7:32 PM (Merged)
Avatar
2CP-ARCHIVES
  • MEMBER
  • 4,540 POSTS
How to replace the signal light relay on a 2005 Chevy Cobalt
Aug 20, 2019 at 7:32 PM (Merged)
Avatar
HMAC300
  • CERTIFIED EXPERT
  • 48,601 POSTS
if you are talkingabout the flasher it pulls out and you push another one in. its' on the steering column lh side
Aug 20, 2019 at 7:32 PM (Merged)