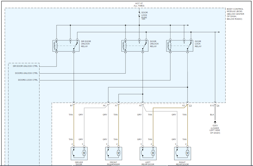
The locks would go up and down, and lock me out of my car, or lock me in my car. This was replaced under warranty, but then the problem came back when the car was no longer under warranty (6 months later.) The dealer told me to pull the fuse for the automatic locks. Since then I have been manually locking my car, no problems, until now. I am getting locked in my car or out of my car. The lock inside the door shows that it is in fact unlocked, but the doors won't open. At times, they will open, but then the doors won't close because the locking mechanism in the door is pushed down. Extremely frustrating, and a HUGE safety issue. I was locked in my car for 20 minutes yesterday and had to climb out the window! Just left a message for the dealer, but expect this will cost toooooo much for a problem that I did not cause. Any help/advice???!
Mar 15, 2010 at 1:02 PM







