no spark from coil

1988 CHEVROLET CHEYENNE
Avatar
KMSTEUBER
  • MEMBER
  • 1 POST
I was driving on the highway when all of a sudden it just died. I got it towed back to my house were I discovered that there was no spark coming from the coil but and power. So I went to the parts store a got a new coil, started right up I was stoked. It ran for about 20 min then died, same thing no spark. So i went back to the parts store got a new coil, rotor cap, and a rotor came home installed them still no spark at the coil. Ive checked to make sure the coil is getting the right amount of power and it is, just nothing coming out. I don't know what would cause this I checked all the fuses and even put in a new fuel pump relay please help!
Jul 31, 2007 at 11:16 AM
Advertisement
Avatar
2CARPRO JACK
  • CERTIFIED EXPERT
  • 11,533 POSTS
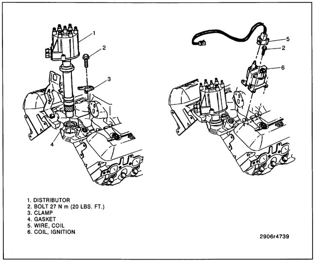
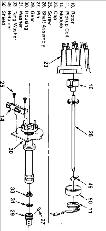
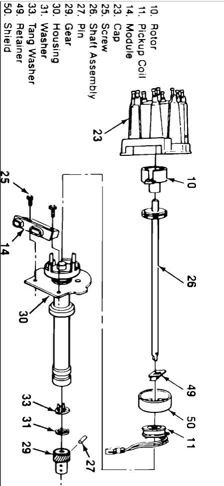
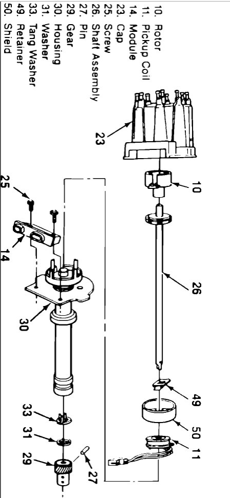
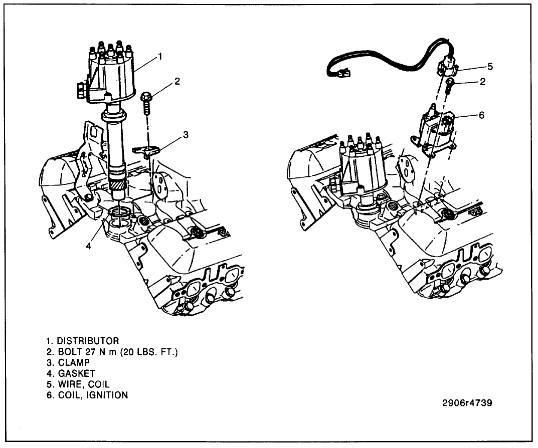
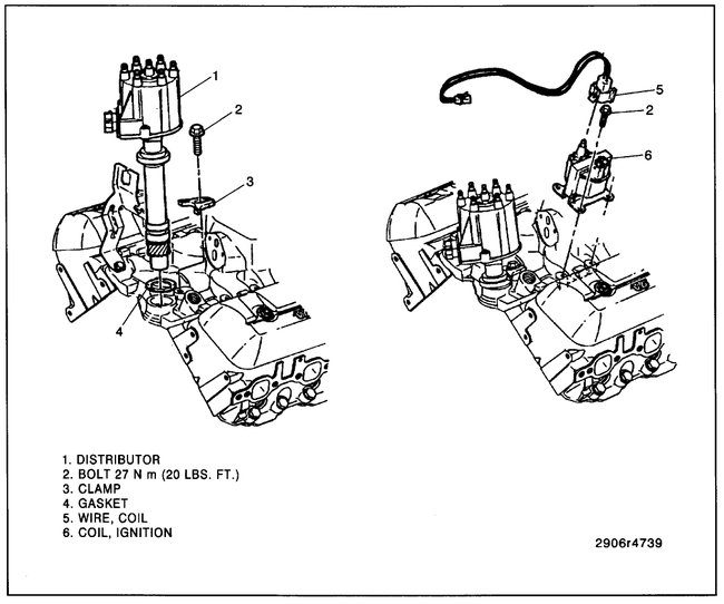
Sounds more like the ignition module or pick-up coil in the distributor.On the ignition coil there is a 2 wire connector that goes to the distributor.Unplug it from the coil and using a test light, have some one crank the engine, the white wire should flash, if not the module or pick-up coil is out, most likely the module. That old of a truck I would recommend doing the pick-up coil as well. The dist has to be removed to do the pick-up, but not the module. Here are instructions on how to change the ignition module and the pick up coil as well. Check out the diagrams (Below). Please let us know if you need anything else to get the problem fixed.

Jul 31, 2007 at 2:06 PM
Avatar
EJSTADLER
  • MEMBER
  • 0 POST
Thank you for this post I had his problem and had to get a rebuilt distributor for $143.00 works great I l love this site.
Aug 5, 2019 at 6:16 PM
Advertisement
Avatar
CLAPPES208
  • MEMBER
  • 1 POST
I just purchased this farm truck and I changed the plugs, wires, airfilter, distributor cap, and rotor... And now the truck wont start and is fluiding itself out. It seems like there is no spark... So what coulld have gone wrong and why is it fluiding itself out... and how do I dry it out to get it started...
Aug 5, 2019 at 6:17 PM (Merged)
Avatar
SERVICE WRITER
  • CERTIFIED EXPERT
  • 9,123 POSTS
Did it run before?

Pull the plugs, dry them recheck the gap. Recheck the wiring order. What liter is it?
Aug 5, 2019 at 6:17 PM (Merged)
Avatar
PEAR69
  • CERTIFIED EXPERT
  • 1,482 POSTS
Check for spark at the coil. Hook an old spark plug to the coil wire and turn the engine over a few times to check..If no spark then it's the ignition module or the coil itself. If there is a spark then make sure the coil wire is on the distributer properly--some coil wires are directional. Also make sure the cap is good by testing each contact for continuity.
Aug 5, 2019 at 6:17 PM (Merged)