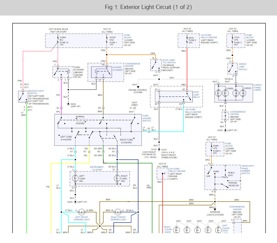
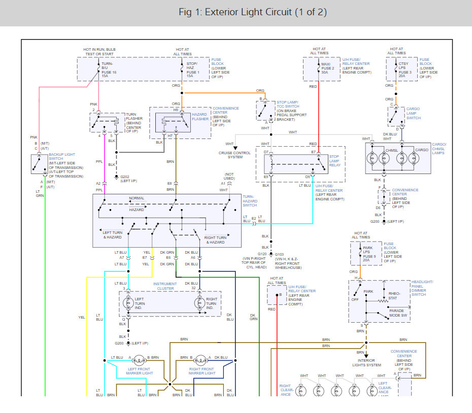
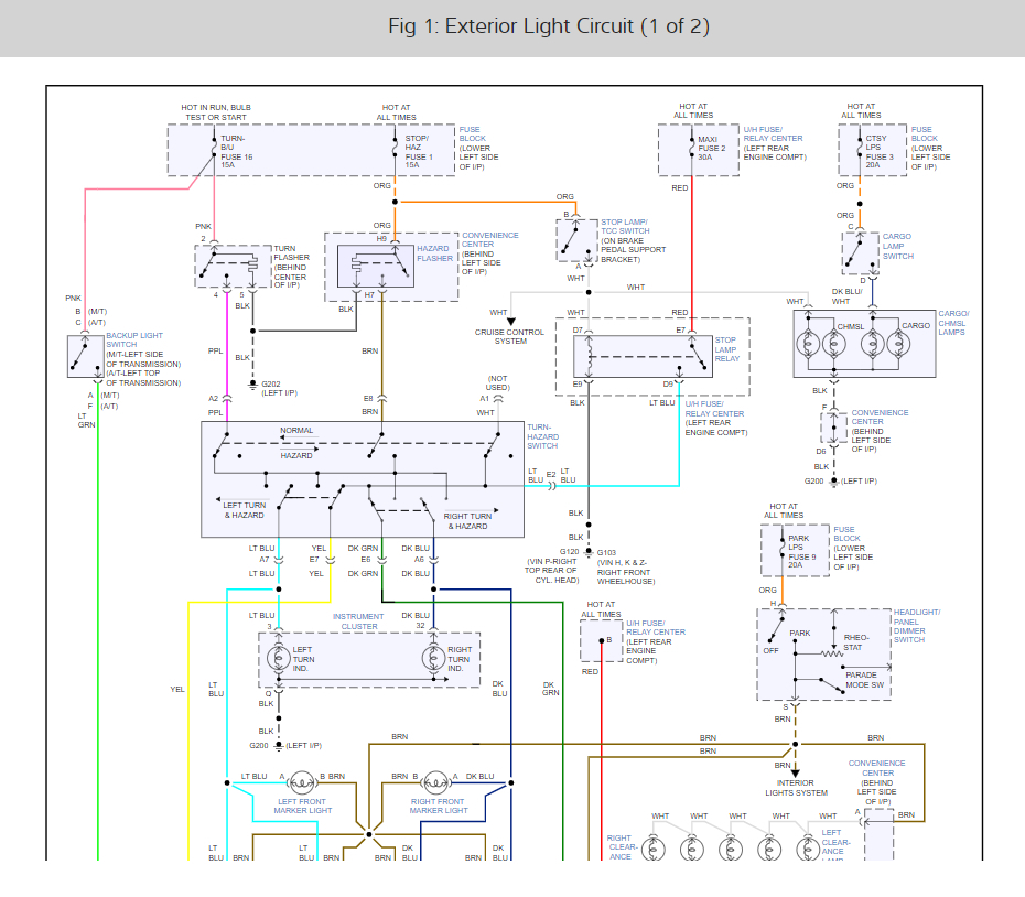
I recently replaced my fuel pump on my 1997 chevy truck. Took off the brake lights and unhooked the whole brake wires assembly off...just to keep them out of the way. So after i put my truck bed back on...and hooked up all the wires again...they dont work correctly. Pretty much the driver side brake lights dont work....untill you turn on the lights...and after that sometimes its dim...or not even working still.....HELP????
Sep 23, 2009 at 11:34 PM

