Temp gauge goes from cool all the way over past the red mark?

2005 CHEVROLET CAVALIER
89,000 MILES • 4 CYL • 2WD • AUTOMATIC
Avatar
AUDREY HESTER
  • MEMBER
  • 1 POST
Temp gauge goes from cool all the way over past the red mark - even when engine is cold. Does not run hot, no odors, etc.
Apr 24, 2008 at 12:04 PM
Advertisement
Avatar
DANNY L
  • CERTIFIED EXPERT
  • 5,648 POSTS
Hello, I'm Danny.

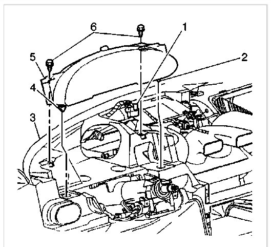
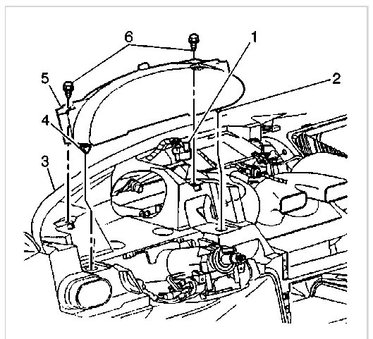
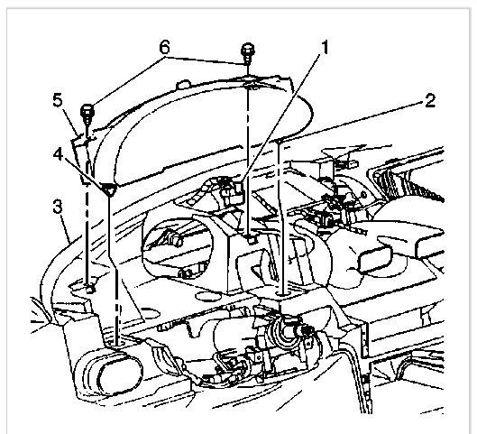
It sounds like the printed circuit board or the engine temperature the stepper motor in the cluster may be faulty in the cluster to be causing an abnormal reading since the car is otherwise running normally. I've attached picture steps below on how to remove and replace the trim to gain access to the cluster as well as remove and replace the cluster itself on your car. Some places like speedometer repair shops can fix instrument clusters. Hope this helps and thanks for using 2CarPros.
Jul 7, 2021 at 8:11 PM
Avatar
TJSK8BOARDZ
  • MEMBER
  • 12 POSTS
I've tried replacing a coolant temp sensor but it still isn't working, i only get a reading within the first quarter on my gauge but hardly anything higher than that. I completely forgot to mention that my car has a manual override switch for the rad cooling fan, I guess the fan wasn't turning on by itself so someone put it in, now I was wondering if the way they wired it would affect the temp gauge? They bypassed everything the way they wired it in, they ran a wire from the switch to a random relay outside of the fuse box, then from that relay to the fuse box and from there they wired it to the cooling fan relay and fuse. Which I don't think makes any sense at all, but would that have an affect on my problem? any ideas?
Jul 8, 2021 at 10:23 AM (Merged)
Advertisement
Avatar
RASMATAZ
  • CERTIFIED EXPERT
  • 75,992 POSTS
-Test the thermostat-start here and then let me know
Jul 8, 2021 at 10:23 AM (Merged)
Avatar
TJSK8BOARDZ
  • MEMBER
  • 12 POSTS
already replaced that too, forgot to mention it earlier could it be the gauge?
Jul 8, 2021 at 10:23 AM (Merged)
Avatar
RASMATAZ
  • CERTIFIED EXPERT
  • 75,992 POSTS
The fact that the gauge works but not correctly and you have already replaced the sensor it only leaves the gauge which is a common problem. I would replace the cluster with a used unit to see what happens.
Jul 8, 2021 at 10:23 AM (Merged)
Avatar
TJSK8BOARDZ
  • MEMBER
  • 12 POSTS
Yes good call, I changed out the cluster now everything works great! Costs me $120.00 thanks I Iove this site.
Jul 8, 2021 at 10:23 AM (Merged)
Avatar
RASMATAZ
  • CERTIFIED EXPERT
  • 75,992 POSTS
Good to hear, please use 2CarPros anytime we are here to help.

Cheers
Jul 8, 2021 at 10:23 AM (Merged)