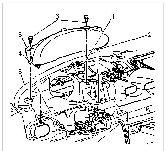
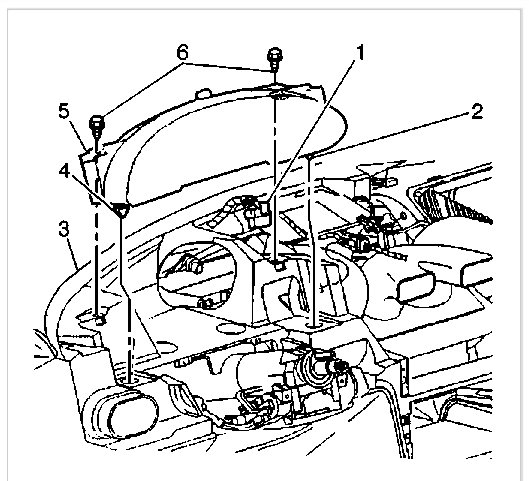
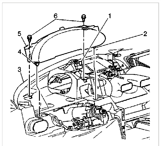
When the vehicle is sitting in park the speedometer needle will go from zero to 35 automatically with out driving. I replaced the speed sensor but it still moves up without car being on or driving it. Example the car is not driven for a day and it sits. The next day I decided to drive car the speedometer needle has moved from zero to 35 just sitting. Can you let mw know why. Thanks
Oct 7, 2010 at 6:29 AM








