my gas gauge is acting wacky. Gauge will read empty?

2005 CHEVROLET CAVALIER
14,550 MILES • 4 CYL • FWD • AUTOMATIC
Avatar
MIDNYTE1313
  • MEMBER
  • 1 POST
Why would my lights dim when I put the brakes on (exterior and interior), and get stronger when I press the gas pedal? Battery is only 6 months old. Also my gas gauge is acting wacky. Gauge will read empty (needle) when I know the tank is full. Does not happen all the time... if I turn the car off and then back on the needle will go where it should. Is this electrical or something else?? Thanks for any help....
Mar 31, 2009 at 2:02 PM
Advertisement
Avatar
DANNY L
  • CERTIFIED EXPERT
  • 5,648 POSTS
Hello, I'm Danny.

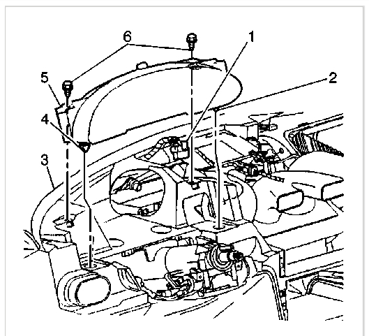
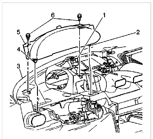
It sounds like the printed circuit board or the stepper motors in the cluster may be faulty in the cluster to be causing an abnormal reading since the car is otherwise running normally. I've attached picture steps below on how to remove and replace the trim to gain access to the cluster as well as remove and replace the cluster itself on your car. Some places like speedometer shops can repair instrument clusters. Hope this helps and thanks for using 2CarPros.
Jul 7, 2021 at 9:51 PM
Avatar
RTVANCE
  • MEMBER
  • 1 POST
I hope this makes sense, its a little hard to explain! Normally when the car shuts off the gauge goes down to empty, then up to the proper fuel level when starting. The gauge is not going down to empty, it stays wherever it is at - and when the car is started, it raises the needed however much depending on how much fuel is in the car. There is no "stopper" at the "full" indicator, so the needle goes way past the “full” mark. This then gets in the way of the temperature gauge – which then does the same thing, and gets in the way of the speedometer. I hope I've explained this clearly, I'm definitely not a car person. Thanks
Jul 8, 2021 at 10:30 AM (Merged)
Advertisement
Avatar
CHERI
  • MEMBER
  • 1 POST
I have the exact same problem with my 2005 Chevy Cavalier. The gas guage reads there is more gas in it than there really is, and it turns all the way, blocking the temp guage. To fix this, the entire dash ash to be removed so the flawed guage can be replaced, and this is expensive. A mechanic told be that this is a common problem with the year, make and model of ny car, and that the manufacturer knows of this defect and yet sold them with these problems anyhow. The problem can cause me to run out of gas since there is no accurate reading of how much gas is in the tank. And because it moves over into the rtempurature guage and blocks the temp guage from providing an accurate reading, I'm afraid the car could overheat and the problems with the guagecan cause this. I'm also afraid of running out of gas.
I'd like to to if Chevrolet has a recall for thisproblem and will fix it since it can be dangerous. Does anyone know if Chevy is taking responsibility for this, and if they will fix my guage problem since they knew about it and produced the vehicles anyway? Is there a site I can go to that will help me this, or does Chevy have a department that deals with this issue of neglagence?
Jul 8, 2021 at 10:30 AM (Merged)
Avatar
LEMONADEMIKE
  • MEMBER
  • 1 POST
You can send the instrument panel away and have the stepper motors relaced. I had the same problem with my 2005 cavalier and I found a guy in Minnesota via E-Bay that fixes your instrument panel for $60. It works as good as new. It took less than a week from shipment to being delivered to my home.
Jul 8, 2021 at 10:30 AM (Merged)
Avatar
HOTROD289
  • MEMBER
  • 1 POST
LemonaideMike what is the address or phone Number of the guy you sent your cavalier dash unit to?
Jul 8, 2021 at 10:30 AM (Merged)
Avatar
STRAILER
  • CERTIFIED EXPERT
  • 53,854 POSTS
Here is where we send ours:

https://aertech.com/

Please let us know if you need anything else to get the problem fixed.
Jul 8, 2021 at 10:30 AM (Merged)
Avatar
GEORGIA44
  • MEMBER
  • 1 POST
Sometimes when I fill up with gas- a day later my gas gage will go past Full- I am always careful not to over fill my tank, but it still happens occassionally. The Check engine light is also on- when I had the car put on a computer I was told that it had to do with my gas cap and that I should replace it. I was also told to make sure I let the gas cap click 3 times when putting it on after filling up. Replacing the gas cap and making sure I made the cap click 3 times did not work. I was also told that maybe I needed replace the fuel filter.
Jul 8, 2021 at 10:30 AM (Merged)
Avatar
DANNY L
  • CERTIFIED EXPERT
  • 5,648 POSTS
Hello, I'm Danny
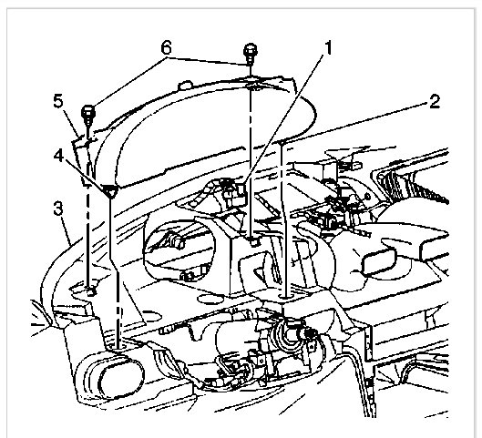
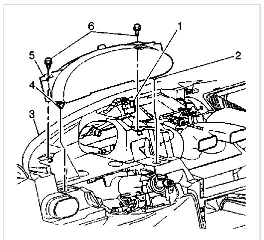
It sounds like the printed circuit board or the fuel gauge stepper motor in the cluster may be faulty in the cluster to be causing an abnormal reading since the car is otherwise running normally. I've attached picture steps below on how to remove and replace the trim to gain access to the cluster as well as remove and replace the cluster itself on your Cavalier. Some places like speedometer shops can repair instrument clusters. Hope this helps and thanks for using 2CarPros.
Jul 8, 2021 at 10:30 AM (Merged)
Avatar
GEEDOG3
  • MEMBER
  • 1 POST
Gage reads full when the tank is full. As the fuel is consumed the gage is correct. Until it reaches halfway then the gage reading starts to increase until it reaches full again then the car is out of gas. Is it the sending unit, the float, the fuel gage, or the tank pressure sensor?
Jul 8, 2021 at 10:30 AM (Merged)
Avatar
CARADIODOC
  • CERTIFIED EXPERT
  • 34,306 POSTS
I've never run into this on a GM product before, but based on the symptoms, I'd suspect the sending unit. GM's fuel gauges are different than everyone elses in how they operate, and an open circuit can make the gauge read "full". I used to see this on Chrysler products, and it also happened at around 1/4 to 1/2 tank. The fix is to remove the assembly that has the float on it, carefully lift the plastic finger that holds the float arm on, remove the arm, then find the spring-metal contact and bend it out slightly so it makes a better contact. Pop the arm back on and reassemble everything. No new parts are needed. In fact, when people insist on a new sending unit, there's a good chance the same thing will happen in a few years.
Jul 8, 2021 at 10:30 AM (Merged)
Avatar
LILBLUE90
  • MEMBER
  • 2 POSTS
my fuel gauge only registers from 1/2 a tank to full, but if it gets below 1/2 a tank of gas the gauge seems to go crazy. do I need to replace the sending unit in the gas tank ? how do I get to it?
Jul 8, 2021 at 10:30 AM (Merged)
Avatar
BILLYBOBASAN
  • MEMBER
  • 13 POSTS
The eratic behavior of your fuel gauge may be a software glitch. Check with the techll guru at your GM dealer if there is an update reprogram for the PCM on your car. To replace the fuel sender you will have to drop the fuel tank and with that many miles on your car it would be wise to replace fuel pump while you have the fuel tank on the ground. Make sure its almost empty when you do it, it'll be a lot easier. Be careful and dont smoke while your doing it!
LOL,
BILLybob
Jul 8, 2021 at 10:30 AM (Merged)
Avatar
VYPR-PHYNX
  • MEMBER
  • 1 POST
Fuel gauge is pegged to full most of the time. when fuel level is low then it works. sometimes gives correct level.
Jul 8, 2021 at 10:30 AM (Merged)
Avatar
KASEKENNY
  • CERTIFIED EXPERT
  • 18,907 POSTS
More then likely this is the level sensor in the tank that is getting stuck. The way to confirm this is remove the pump and plug it in then move the lever and watch either the voltage or the gauge to see that it is moving steadily.

Let me know what questions you have.
Jul 8, 2021 at 10:30 AM (Merged)
Avatar
CARADIODOC
  • CERTIFIED EXPERT
  • 34,306 POSTS
You're describing an intermittent connection on the movable wiper on the fuel level float. The classic symptoms are it makes contact and reads normally in one section of the sensor, then it goes open circuit in other areas. On most car brands the fuel gauge goes to "Empty" when there's a break in that circuit. GM's are the opposite. Their gauges read "Full", then get pulled down by the sensor circuit.

The photo shows what the assembly looks like on the side of the fuel pump housing. There should be a plastic clip to unsnap from the float arm, (blue arrow), and a way to pull the arm away so you can bend the movable contact slightly so it makes better contact.
Jul 8, 2021 at 10:30 AM (Merged)