anti theft system light on at odd times wont let my car start?

2004 CHEVROLET CAVALIER
Avatar
JROLEMAN
  • MEMBER
  • 1 POST
the anti theft system on my cavalier at odd times wont let my car start then for no apparent reason it will start, only warning is dash warning light for it comes on when trying to start the vehicle and stays on during cranking, anyway this system can be reset?
Sep 8, 2010 at 11:31 AM
Advertisement
Avatar
STRAILER
  • CERTIFIED EXPERT
  • 53,854 POSTS
Hey JROLEMAN,

This system cannot be bypassed. The #1 reason for a security problem is the drivers door latch. What happens is the switch inside wears out causing the alarm to think the car is being stolen. Replace it with a new one and the problem should be fixed.

Here are some guides on how to check it.

https://www.2carpros.com/articles/how-to-reset-a-security-system

and

https://www.2carpros.com/articles/how-to-check-wiring

Also there are two small wires up by the ignition switch that break causing the alarm not to reset.

Please let me know what happens so it will help others.

Best, Ken
Jan 18, 2017 at 12:12 AM
Avatar
RICH 80
  • MEMBER
  • 1 POST
this cavalier has been running great now it cranks over but wont start while the engine is turning over the anti theft light comes on can i reset this thank you
Jul 1, 2021 at 10:18 AM (Merged)
Advertisement
Avatar
DAVE H
  • CERTIFIED EXPERT
  • 13,384 POSTS
30 Minute Learn Procedure
Tools Required: None
Turn ON the ignition, with the engine OFF.
Attempt to start the engine, then release the key to ON. The vehicle will not start.
Observe the SECURITY telltale, after approximately 10 minutes the telltale will turn OFF.
Turn OFF the ignition, and wait 5 seconds.
Repeat steps 1 through 4 two more times for a total of 3 cycles/30 minutes. The vehicle is now ready to relearn the Passlock(tm) Sensor Data Code and/or passwords on the next ignition switch transition from OFF to CRANK.
IMPORTANT:The vehicle learns the Passlock(tm) Sensor Data Code and/or password on the next ignition switch transition from OFF to CRANK. You must turn the ignition OFF before attempting to start the vehicle.

Start the engine. The vehicle has now learned the Passlock(tm) Sensor Data Code and/or password.
With a scan tool, clear any DTCs if needed. History DTCs will self clear after 100 ignition cycles.
Jul 1, 2021 at 10:18 AM (Merged)
Avatar
ALYDASILVA
  • MEMBER
  • 1 POST
I recently bought a 2004 Cavalier. the theft system had acted up on it when i picked the car up from the dealer but they turned it off and said it would be fine. a couple days after i got stuck at work because the theft system would not shut off. eventually i got it started. through out the week after the theft light along with the service engine light would pop on while i was driving the car down the road. but the car had no problem starting up. and now once again the theft system will not shut off so i cant start the car. there is a theft system in the car itself, and there is also a theft system with the remote car starter. what could be going wrong?
Jul 1, 2021 at 10:18 AM (Merged)
Avatar
MMPRINCE4000
  • CERTIFIED EXPERT
  • 8,548 POSTS
The dealer should not have disabled the theft system. If car was stolen due to a disabled theft system, the dealer would be responsible. I doubt insurance would pay if the security system was intentionally disabled.

Take it back to dealer and have them repair it.

There is a procedure for reseting the system:

Turn key on
security light flashing
try to start and let go leave key on
security light flasher for about 10 min
when it stops
turn key off and start car
key needed to be reprogrammed
happy driving after that
in some rare cases you may have to do that 3 times total of 30 min.

However if an aftermarket remote start, then that could also be the problem.
Jul 1, 2021 at 10:18 AM (Merged)
Avatar
QTBABYBLUE707
  • MEMBER
  • 1 POST
My anti theft needs to be reset. I can't start my car. How do you reset it? I think it came on because I backed into a pole. I'm not sure why it's on, but since then it wouldn't start and the light is on.
Jul 1, 2021 at 10:18 AM (Merged)
Avatar
DOCFIXIT
  • CERTIFIED EXPERT
  • 18,828 POSTS
TRy this turn key to start let go then turn to ACC position THEFT light should be on and start to flash. it takes 10 mins. light will stop go off then start car.

This guides show how

https://www.2carpros.com/articles/how-to-reset-a-security-system
Jul 1, 2021 at 10:18 AM (Merged)
Avatar
MOMTO41960
  • MEMBER
  • 3 POSTS
My cd player has been broken. My daughter and her friend had the car and wanted to see if they could try to fix it. Plug it in so they tried to take it out. Then after that all of my lights came on. Anti theft . I can start it but then it dies out. I wonder if maybe the system thought it was being stolen ? If it should be reset ? Can I take the battery cable off and reattach it ? Is there a way to reset it ? If they hadn't messed with the battery I would think it was something else like a starter, alternator etc. What do you suggest. I am very poor and don't have neans
Jul 1, 2021 at 10:19 AM (Merged)
Avatar
HMAC300
  • CERTIFIED EXPERT
  • 48,601 POSTS
try resetting anti theft. if it doesn't turn off the drivers side door latch needs to be replaced in most cases.
Jul 1, 2021 at 10:19 AM (Merged)
Avatar
MOMTO41960
  • MEMBER
  • 3 POSTS
Thank you. I did this and it did start and I let it run for about twenty five mins and then turned it off. It started doing the same thing again. It appears that the anti theft is off now but it won't stay started. We used electrical tape to wires that were open in the stereo and left the face off. Its frustrating. Sounds like the fuel filter but not sure because of the radio situation.
Jul 1, 2021 at 10:19 AM (Merged)
Avatar
HMAC300
  • CERTIFIED EXPERT
  • 48,601 POSTS
it can be a module going bad for the anti theft.
Jul 1, 2021 at 10:19 AM (Merged)
Avatar
MOMTO41960
  • MEMBER
  • 3 POSTS
It worked. The light went off . I did it myself with your help. Our friend is a mechanic, installed many radios and he knew how to hook up the stereo properly. It started and stayed started. I'm now back on the road. Thank you so much . I could not have done that part without you. I'm proud of myself for this. But all that was needed after that was to fix what caused the anti theft to react in the first place !! Thank you again. God bless. You are awesome !!! ?
Jul 1, 2021 at 10:19 AM (Merged)
Avatar
LEONARD JERRY NAGENGAST
  • MEMBER
  • 11 POSTS
The battery was allowed to go low. Charged battery. When i recoonect batter anti theft goes off and wont try to start.
Jul 1, 2021 at 10:19 AM (Merged)
Avatar
STEVE W.
  • CERTIFIED EXPERT
  • 15,113 POSTS
Do you have a crank but no start or it doesn't turn over at all? Is the antitheft light on solid or flashing? I ask because the low battery on that car shouldn't trigger the anti-theft.
Jul 1, 2021 at 10:19 AM (Merged)
Avatar
LEONARD JERRY NAGENGAST
  • MEMBER
  • 11 POSTS
No turnover. No anti theft light visible.
Jul 1, 2021 at 10:19 AM (Merged)
Avatar
DANNY L
  • CERTIFIED EXPERT
  • 5,648 POSTS
Hello, I'm Danny.

Lets try an anti-theft, security system reset first. Here is a link to the tutorial:

https://www.2carpros.com/articles/how-to-reset-a-security-system

After reading, Scroll the page to find Chevrolet. Get back to us after performing this and we'll go from there. Hope this helps and thanks for using 2CarPros. Happy Holidays.
Jul 1, 2021 at 10:19 AM (Merged)
Avatar
STEVE W.
  • CERTIFIED EXPERT
  • 15,113 POSTS
With no anti-theft and no crank it's not the anti-theft system. On that GM the anti-theft turns off the fuel pump and will let the engine turn over and start but it would run for about 2 seconds the shut off. From then it would still crank but won't run. In this case I suspect that one of the battery cables is corroded and the power isn't getting through. When you turn on the lights do they come on? When you try to start it do you get a click or nothing? I would start by having the battery tested, if they go dead for long they can short internally and will not provide power enough to start the car. Many parts stores will do that for you for free. Then I would check the cables over for corrosion, The GM side terminal batteries tend to seep acid that goes into the cable connector and eats the internal metal until they stop working, but because it's all under the insulation you cannot easily see it without digging into it.

https://www.2carpros.com/articles/everything-goes-dead-when-engine-is-cranked
https://www.2carpros.com/articles/symptoms-of-a-bad-car-battery
Jul 1, 2021 at 10:19 AM (Merged)
Avatar
LEONARD JERRY NAGENGAST
  • MEMBER
  • 11 POSTS
I see. I will switch out battery. I kind of suspected it or the alternator was bad.
Jul 1, 2021 at 10:19 AM (Merged)
Avatar
STEVE W.
  • CERTIFIED EXPERT
  • 15,113 POSTS
If you have a spare it's a place to start, but I would also check those cables, the side terminals are very good at failing.
Jul 1, 2021 at 10:19 AM (Merged)
Avatar
LEONARD JERRY NAGENGAST
  • MEMBER
  • 11 POSTS
Okay. I will do both and let you know. Thanks
Jul 1, 2021 at 10:19 AM (Merged)
Avatar
STEVE W.
  • CERTIFIED EXPERT
  • 15,113 POSTS
You're welcome. Those terminals seem like a good idea, but they cause a lot of problems. Let us know what you find or if you still have issues.
Jul 1, 2021 at 10:19 AM (Merged)
Avatar
LEONARD JERRY NAGENGAST
  • MEMBER
  • 11 POSTS
Terminals and cables corrosion free. Switched batteries. Bells and whistles come on as soon as I connect ground cable to battery. I need ideas on how to stop this?
Jul 1, 2021 at 10:19 AM (Merged)
Avatar
STEVE W.
  • CERTIFIED EXPERT
  • 15,113 POSTS
Which items come on? Does the car have anything like aftermarket remote start or alarm on it?
Jul 1, 2021 at 10:19 AM (Merged)
Avatar
LEONARD JERRY NAGENGAST
  • MEMBER
  • 11 POSTS
I checked with local dealer. What I have is definitely after market. I intend to unplug the brain somehow.
Jul 1, 2021 at 10:19 AM (Merged)
Avatar
STEVE W.
  • CERTIFIED EXPERT
  • 15,113 POSTS
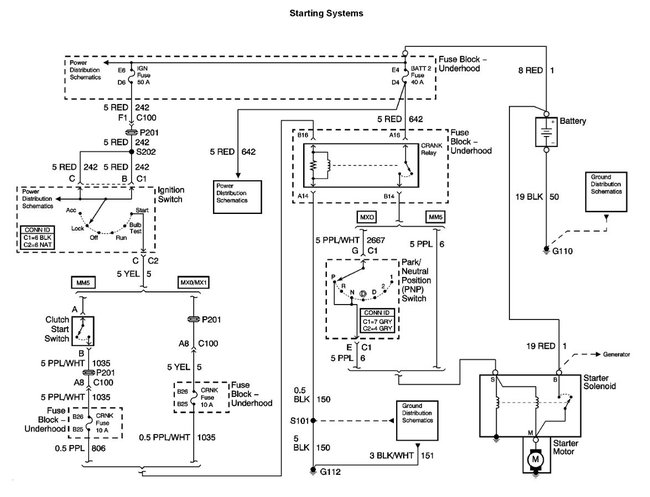
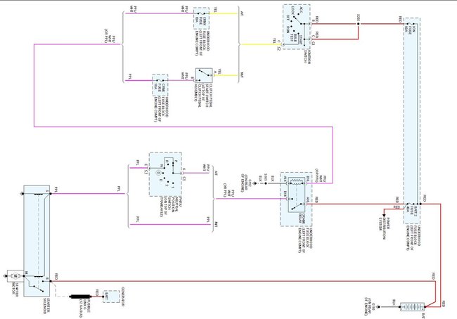
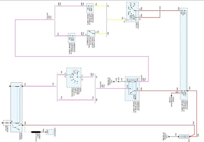
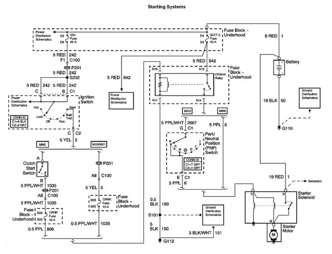
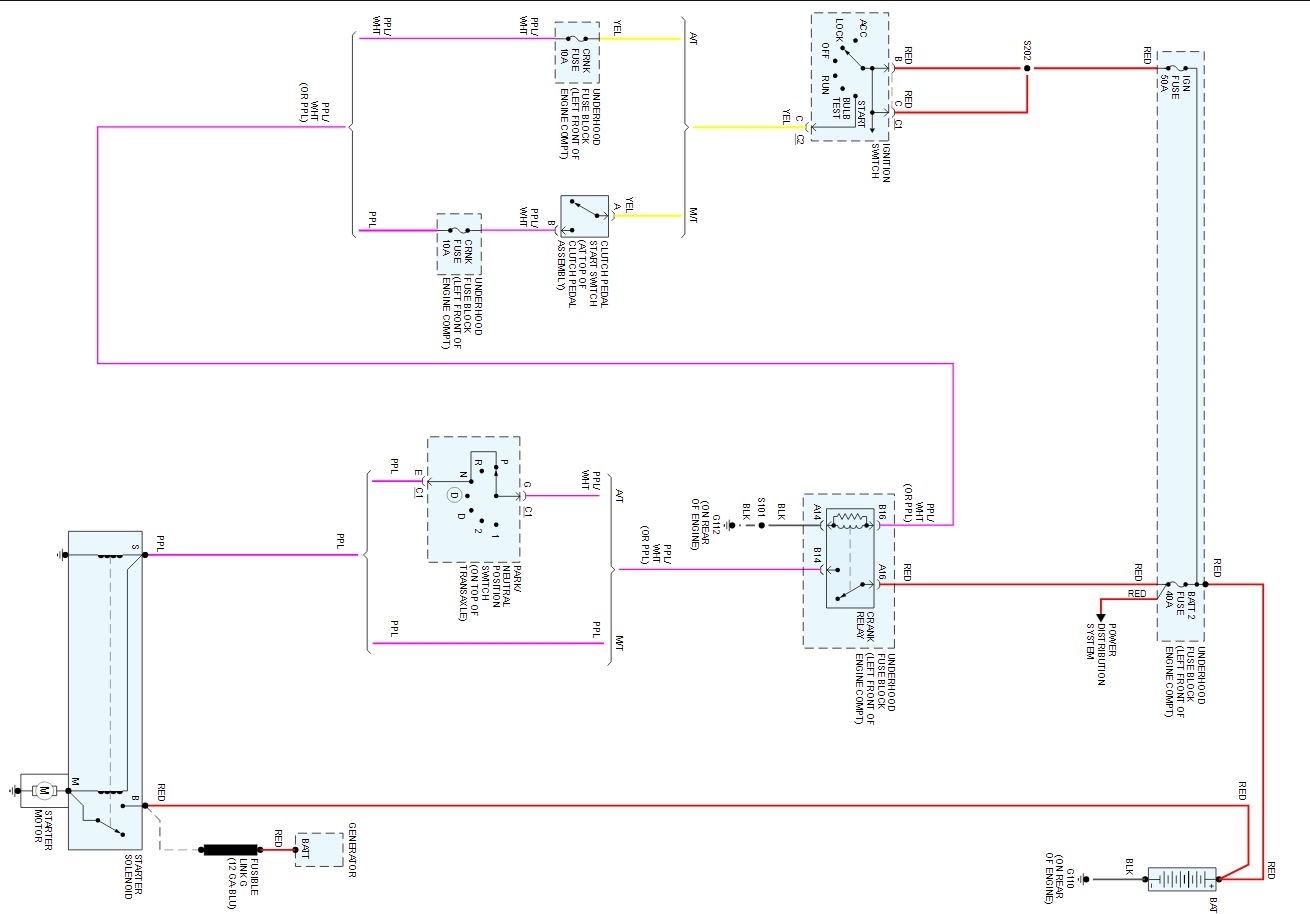
That makes it a lot of fun as they have a bad habit of tossing them in and then when you have problems you get to sort out what they really did. I've seen them installed where the wires were just twisted together, no solder no crimps, just twisted and tape. Others were oddball units that were the cheapest for that time and were the 99 dollar Christmas gift of choice. If you can find the make and model of the unit you could look that up and see what the install is supposed to be and use the wiring diagram to help sort it out. Some hook into the starter, door locks, lights, horn, and even the fuel system or ignition. My general policy on them is to remove them and return things to stock, then you at least have a base to start from. Let us know if you need anything else like the cars wiring diagrams or if you can find it the make and model of the system you have. I like to collect them and add the wiring and install info onto my shop machine if I can, that way if I run into that unit I already have an idea of what it is and does. Here are the diagrams for the starting side at least.

Jul 1, 2021 at 10:19 AM (Merged)
Avatar
LEONARD JERRY NAGENGAST
  • MEMBER
  • 11 POSTS
I will first attempt to id the unit. Then unplug the brain.
Jul 1, 2021 at 10:19 AM (Merged)
Avatar
STEVE W.
  • CERTIFIED EXPERT
  • 15,113 POSTS
The problem with just unplugging it is that they like to route things like the starter or power to other items through the units, you unplug it and now even less of the car works. I would ID the unit and find out anything about it, or even the other units that company sells may provide a clue about the wiring, Or start tracing the cars wiring and find any connectors they used, then look at the wire colors they have connected to. Many times the other piece is right nearby.
Jul 1, 2021 at 10:19 AM (Merged)
Avatar
LEONARD JERRY NAGENGAST
  • MEMBER
  • 11 POSTS
Will do, thanks.
Jul 1, 2021 at 10:19 AM (Merged)
Avatar
STRAILER
  • CERTIFIED EXPERT
  • 53,854 POSTS
STEVE W is one of our best! Let us know what happens and please upload pictures or videos of the problem.
Jul 1, 2021 at 10:19 AM (Merged)
Avatar
LEONARD JERRY NAGENGAST
  • MEMBER
  • 11 POSTS
Hi Steve. I disconnected the alarm. Cut the wires to inside firewall. Just by chance and for no reason, I separated female/male connector. Noticed one connector had over heated melting plastic. I cleaned both parts. Put together, car starts and of course no alarm without horn present. Am I done or do I need to still find brain of aftermarket anti theft and disconnect?
Jul 1, 2021 at 10:19 AM (Merged)
Avatar
STEVE W.
  • CERTIFIED EXPERT
  • 15,113 POSTS
I would still find it and be sure what is and isn't connected. Don't want to be out in the middle of a storm and have a loose wire or some odd thing happen because the module suddenly decides to short out. As for the melted connection, was it the large block connector? if so those cause issues like that when they melt.
Jul 1, 2021 at 10:19 AM (Merged)
Avatar
LEONARD JERRY NAGENGAST
  • MEMBER
  • 11 POSTS
I believe the anti theft system was added because of the custom radio installed. I'm having trouble finding the "brain" of system location. Ideas where to look?
Jul 1, 2021 at 10:19 AM (Merged)
Avatar
LEONARD JERRY NAGENGAST
  • MEMBER
  • 11 POSTS
Also, attached is picture of connector that had single wire melt down in it. This connector located in lower left front corner below dash. close to floor in proximity.
Jul 1, 2021 at 10:19 AM (Merged)
Avatar
STEVE W.
  • CERTIFIED EXPERT
  • 15,113 POSTS
Depending on the system they used it could be almost anywhere, the common locations are up under the drivers side dash or some were under the hood. Really depends on the installers desire. However if it's running OK it's not a huge priority. If it acts up then dig it out. Probably the easiest way to find it would be to pick a couple of the wires from say the ignition switch or power feeds and then trace them, look for any splices or connectors to different colored wires and follow them. For that vintage the control box is likely about the size of a VHS tape, but if it's newer it could go down to a deck of cards sized box, usually they have one or two connectors on them.
Jul 1, 2021 at 10:19 AM (Merged)
Avatar
MICHELE BALTIERRA
  • MEMBER
  • 1 POST
Car will not start. checked pump with a battery it started to run then started car will jacked up with its battery still in it. it ran before the anti theft came on then car would not turn over until I did the battery thing to check the pump. how do I dis arm anti theft problem?
Jul 1, 2021 at 10:20 AM (Merged)
Avatar
WRENCHTECH
  • CERTIFIED EXPERT
  • 20,761 POSTS
You can try the relearn procedure.

Pass-lock ten minute relearn


Auto relearn
Time required, approximately ten minutes:

1. Insure that the battery is fully charged.
2. Use the scan tool in order to clear the DTCs.
3. Turn the ignition switch from the "off" position to the "crank" position attempting to start the vehicle. The vehicle will start and then stall.
4. Leave the ignition switch in the "on" position while observing the security indicator.
5. When the security indicator turns off, which can take up to ten minutes, turn the ignition switch off. Wait ten seconds.
6. The BCM and the PCM will learn the new code on the next start attempt.


In some cases this procedure has to be repeated three times in a row without interruption.
Jul 1, 2021 at 10:20 AM (Merged)
Avatar
DAVE222
  • MEMBER
  • 1 POST
my car got broken into and somebody tore out the ignition tumbler which activated the anti theft that came with the car.so i went to the gm dealer,the one i had bought the car from,and bought a new tumbler and key.i installed the tumbler and it seem to click into the ign.housing even though because of the damage it fits a little loose,plugged it in and it turned over fine but wouldnt start.the anti-theft was blinking.before i installed the tumbler i had the battry diconnected for 24 hr,s i have work monday and no way to get the car anywhere is there anyway to bypass that anti theft system so i can start my car.i have no way to send a donation over the computer.but i do need the help.
Jul 1, 2021 at 10:21 AM (Merged)
Avatar
MMPRINCE4000
  • CERTIFIED EXPERT
  • 8,548 POSTS
Check your owners manual for anti-theft reset but generally:

GM PASS LOCK RELEARN- Ignition to "run" position, try to start and let key return to "run" position
Approx ten minutes security light will go off
Turn key "off" and wait 5 seconds
Repeat 2 more times for a total of 3 relearns.
Turn key off, then start it
Jul 1, 2021 at 10:21 AM (Merged)
Avatar
DEAN2MERCER
  • MEMBER
  • 1 POST
my theft system and service lights come on every other time i start the car. my ignition switch is hard to work sometimes and i suspect this is causing the problem. how do you replace the ignition switch? thank you in addvance dean
Jul 1, 2021 at 10:22 AM (Merged)
Avatar
WRENCHTECH
  • CERTIFIED EXPERT
  • 20,761 POSTS
This article has been updated with bulletin, 01-02-35-010

Ignition Lock Cylinder Replacement -On Vehicle (With Key)

Removal Procedure

Caution: Refer to Battery Disconnect Caution in Service Precautions.

1. Disconnect the negative battery cable.

Caution: Refer to SIR Caution in Service Precautions.

2. Disable the Supplemental Inflatable Restraint (SIR) system.
3. Remove the steering column trim covers.




4. Turn the ignition lock cylinder (1) to the RUN position.




5. Push the locking button (2) on the rear of the housing assembly (1).
6. Remove the ignition lock cylinder by pulling outward from the steering column.




7. Disconnect the electrical connector (3) from the ignition lock cylinder (1).

Installation Procedure




1. Connect the electrical connector (3) to the ignition lock cylinder (1).




2. Insert the ignition lock cylinder into the housing assembly (1) while rotating the key approximately 5 degrees counter - clockwise.
3. Install the steering column trim covers.
4. Enable the SIR system.
5. Connect the negative battery cable.
6. Perform the Passlock Learn Procedure.

IMPORTANT: Due to component variability, the vehicle theft deterrent (VTD) system must have the learn procedure performed regardless, even if the vehicle starts on the first ignition cycle after a VTD repair. All codes in the theft deterrent module must be cleared for a relearn.

If you replace the ignition lock cylinder, the system will enter the long tamper mode. If the system enters the long tamper mode, ensure that the system completes a long tamper mode cycle. During the long tamper mode cycle, the THEFT indicator will flash for the full 10 minutes. The instrument cluster and the PCM require the full 10 minutes in order to complete the learn cycle. Ensure that the ignition switch remains in RUN until the indicator stops flashing. If you turn the ignition switch before the indicator stops flashing, ensure that you repeat the long tamper cycle from the beginning.
Jul 1, 2021 at 10:22 AM (Merged)