PCM location?

1999 CHEVROLET CAVALIER
150,000 MILES • 4 CYL • FWD • AUTOMATIC
Avatar
SERAPHIM
  • MEMBER
  • 1 POST
I just bought a new 'used' ecm computer for my car, do you know where this computer is located on my car? Thanks!
Mar 23, 2009 at 5:00 PM
Advertisement
Avatar
BLUELIGHTNIN6
  • CERTIFIED EXPERT
  • 16,542 POSTS
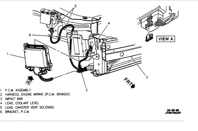
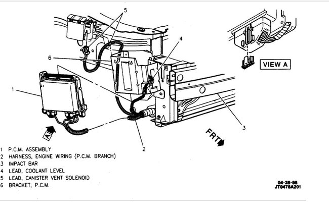
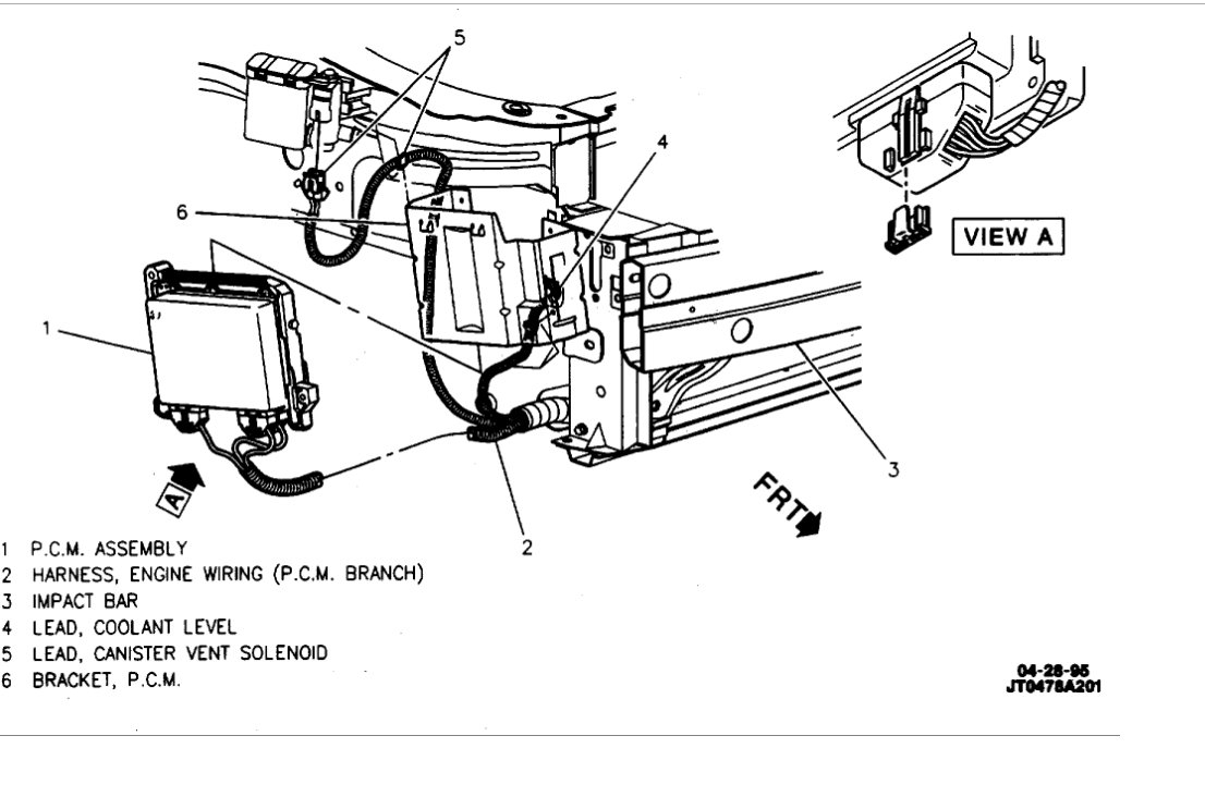
Your vehicle's powertrain control module ( AKA electronic control module) is located on the right front of the engine compartment. Underhood near RF fender, here are the instructions on how to change it out and it shows the location in the images below.
Mar 23, 2009 at 5:13 PM
Avatar
SWOOD001
  • MEMBER
  • 1 POST
where is the pcm module and how do i remove it?
Jan 13, 2020 at 8:45 PM (Merged)
Advertisement
Avatar
MERLIN2021
  • CERTIFIED EXPERT
  • 17,250 POSTS
Behind the right front headlight, at C1.


https://www.2carpros.com/forum/automotive_pictures/62217_PCMa_1.jpg

Jan 13, 2020 at 8:45 PM (Merged)
Avatar
ESLAVA96
  • MEMBER
  • 1 POST
where is the PCM ie. ECU located on this car?
Jan 13, 2020 at 8:45 PM (Merged)
Avatar
CAR-MAN145
  • CERTIFIED EXPERT
  • 321 POSTS
In the right front of the engine compartment on the frame rail.

Check out the diagrams (Below)

Please let us know if you need anything else to get the problem fixed.

Cheers
Jan 13, 2020 at 8:45 PM (Merged)
Avatar
ROBHUDD545
  • MEMBER
  • 2 POSTS
When I was driving it the car shutdown. When I tried to put it in park it kept rolling backwards, I had to put the emergency break on. When I turn the key to the first position some lights come on the dash. Then when I try to start the car nothing happens. I hooked up the ODBII and it did not read power from the port. I had the battery tested and it's fine. I have checked all of the fuses and they all look ok. Do you think this is the Computer? Where is the Computer located on this car?
Jan 13, 2020 at 8:45 PM (Merged)
Avatar
STRAILER
  • CERTIFIED EXPERT
  • 53,854 POSTS
t does not sounds like the computer is the problem. The ignition switch needs to be tested. Check circuits through the switch and make sure power is transferred through it. Also check the main battery cables, if they are corroded it will cause problems. please check out and let me know.
Jan 13, 2020 at 8:45 PM (Merged)
Avatar
ROBHUDD545
  • MEMBER
  • 2 POSTS
Thanks, I will try that today and let you know.
Jan 13, 2020 at 8:45 PM (Merged)
Avatar
STRAILER
  • CERTIFIED EXPERT
  • 53,854 POSTS
thank you
Jan 13, 2020 at 8:45 PM (Merged)
Avatar
MSCRIMPER
  • MEMBER
  • 2 POSTS
Has nothing to with this problem.You gave some info for my 93 saturn windsheild wiper problem. You said wiper motor bad. Replaced this morning and all is great.Thank You.
Jan 13, 2020 at 8:45 PM (Merged)
Avatar
ALAN BIRDSONG
  • MEMBER
  • 1 POST
i was told i need anew computer my q is where it is located. i was told its behind the fender adjacent to evap canister. Is this right i cant see it and do i have to take the fender off? please help
Jan 13, 2020 at 8:45 PM (Merged)
Avatar
STRAILER
  • CERTIFIED EXPERT
  • 53,854 POSTS
Hello,

It looks like it is down low in the front of the car, you might need to jack the car up before doing the
removal.

https://www.2carpros.com/articles/jack-up-and-lift-your-car-safely

Here is a diagram on its location (below)

Please let us know if you need anything else to get the problem fixed.

Cheers, Ken

Jan 13, 2020 at 8:45 PM (Merged)
Avatar
THOMASJM
  • MEMBER
  • 1 POST
Yes would like to know location of the computer for this model of chevy car. And we have just installed rebiult motor and transmission. Computer will not let us start the car. How do we reset the computer??
Jan 13, 2020 at 8:45 PM (Merged)
Avatar
JDL
  • CERTIFIED EXPERT
  • 16,098 POSTS
The database I was looking at, shows the computer to be located under the driver side dash.

Can you communicate with the computer, does the mil come on, can you check codes?

Are you saying the vehicle cranks good, but won't start? What are you missing spark--fuel? If there is no starter action, that's not the computer.
Jan 13, 2020 at 8:45 PM (Merged)