Four cylinder two wheel drive automatic 190,000 miles
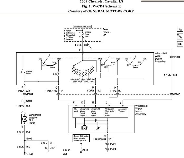
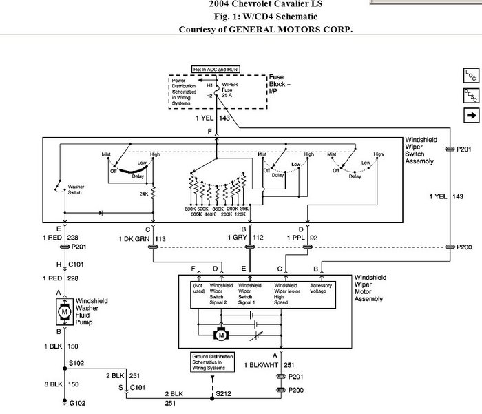
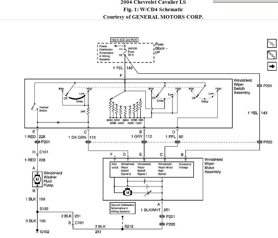
One day my wipers stopped working. I took the motor off and jumped it to the battery and it moves fine. I checked the fuse in the fuse panel and there is no power going to it. I took the panel out and tested the two wires going to the fuse and still it did not show power going to it. I took out the wiper switch on the steering column. I not sure how to test it. I took it apart and it looked fine.The resisters were showing voltage but i have no idea what the voltage should of been, but they still looked good none looked burned. I put a piece of wire where the fuse goes to see if that did anything but still nothing. I tested for power at the wiper motor plug and i was getting nothing. So I am getting no power at the fuse or the motor. I am lost at this point. Are there any other ways of testing more things?
One day my wipers stopped working. I took the motor off and jumped it to the battery and it moves fine. I checked the fuse in the fuse panel and there is no power going to it. I took the panel out and tested the two wires going to the fuse and still it did not show power going to it. I took out the wiper switch on the steering column. I not sure how to test it. I took it apart and it looked fine.The resisters were showing voltage but i have no idea what the voltage should of been, but they still looked good none looked burned. I put a piece of wire where the fuse goes to see if that did anything but still nothing. I tested for power at the wiper motor plug and i was getting nothing. So I am getting no power at the fuse or the motor. I am lost at this point. Are there any other ways of testing more things?
Jun 30, 2009 at 8:31 PM












