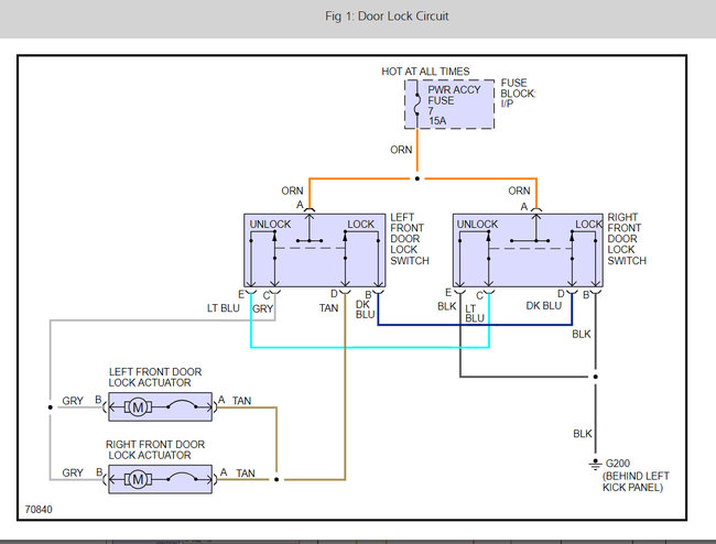
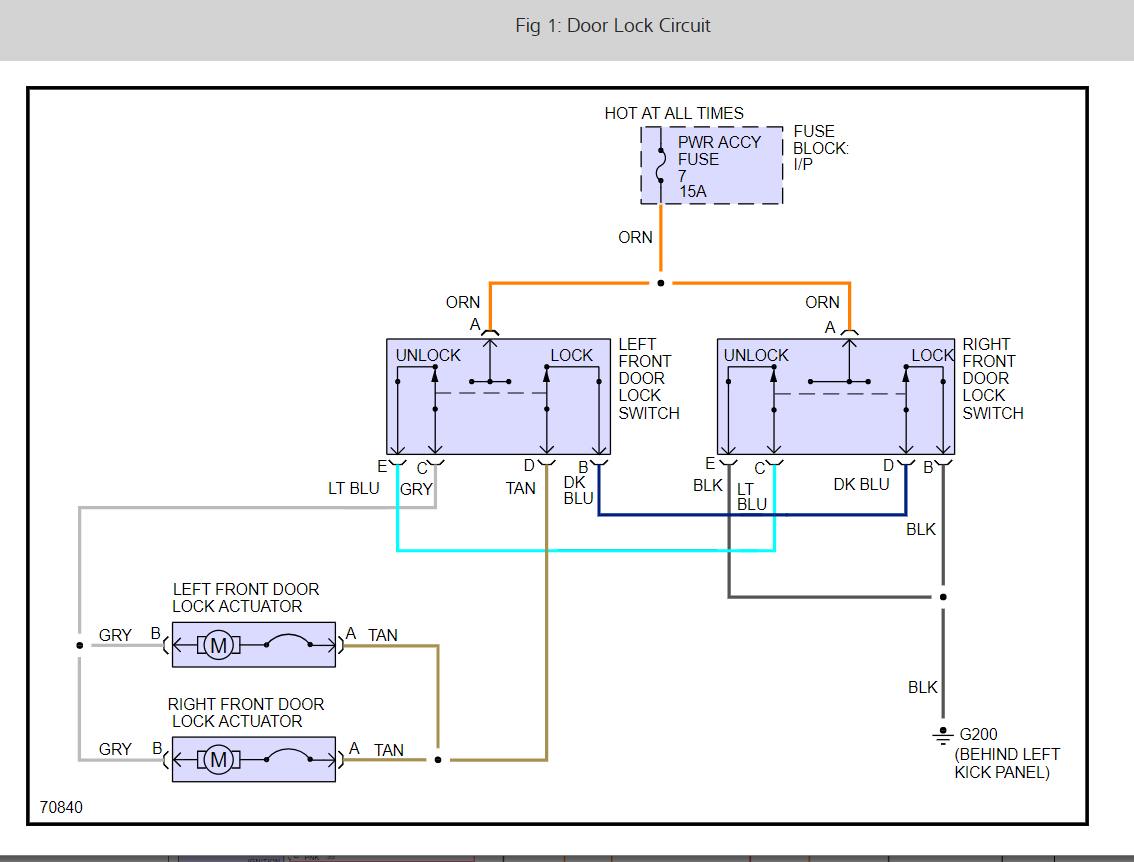
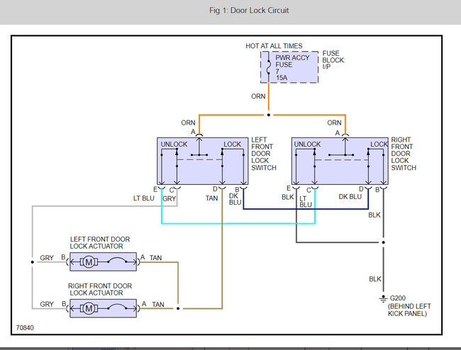
1994 Chevy Camaro Z28 92,000 miles. My power door locks don't work. I have replaced the switches and it still doesn't work. All fuses seem to be fine. Where is the relay for the power door locks?What could be the problem?
Jun 3, 2006 at 12:35 AM
