If the all the gauges were working prior to you trying to install the tach then the likely cause of this is, you blew a fuse and now the cluster is not operating.
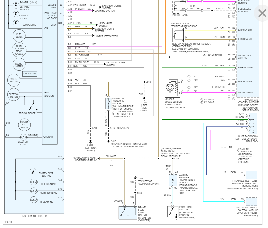
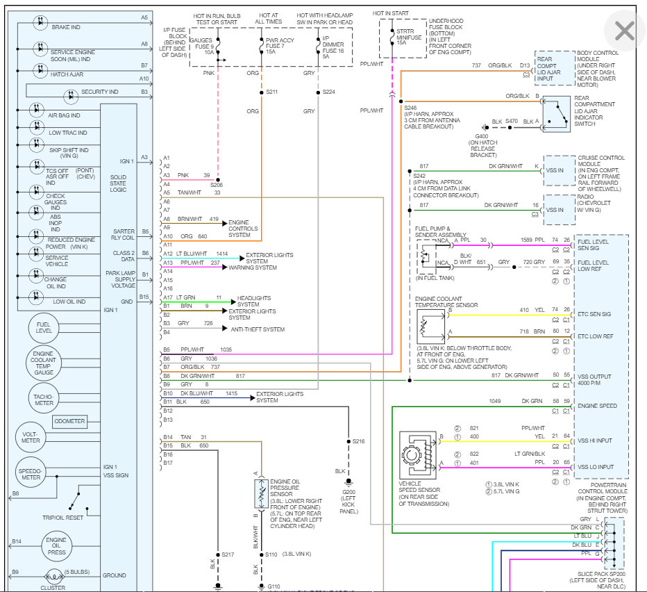
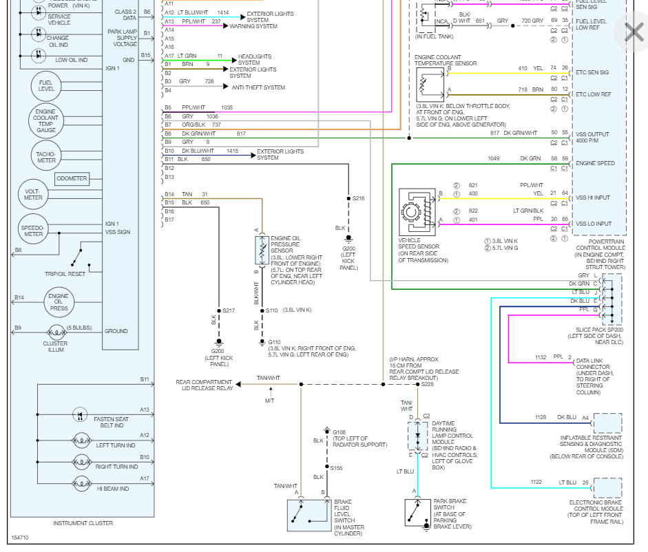
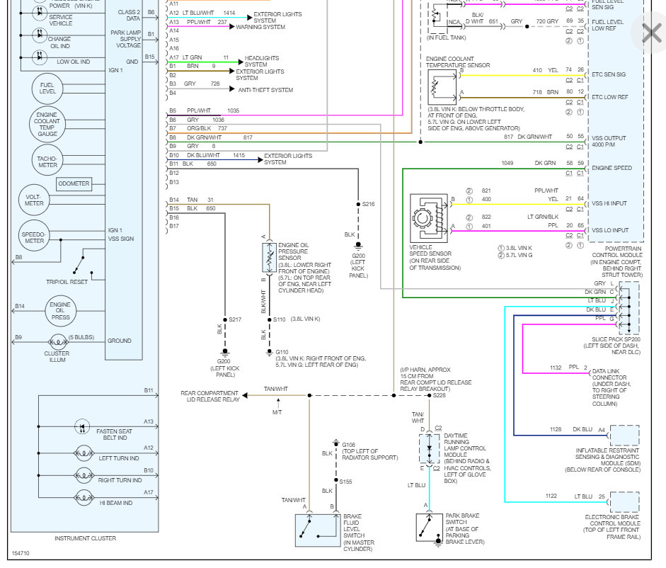
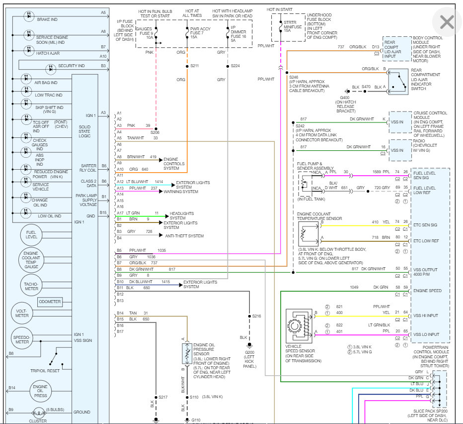
So, we need to use the wiring diagram below to check the fuses related to the cluster, specifically Fuse 9 in the IP fuse block as this is directly for the gauges.
Here is a guide that will help with this:
https://www.2carpros.com/articles/how-to-check-a-car-fuse
If this fuse is ok, then we need to go to the cluster and make sure you have 12 volts coming in on this circuit. If you do then the cluster is likely the issue.
Please see the wiring diagram below and let us know what questions you have.
Images (Click to enlarge)
Nov 14, 2021 at 2:10 PM