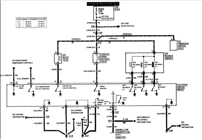
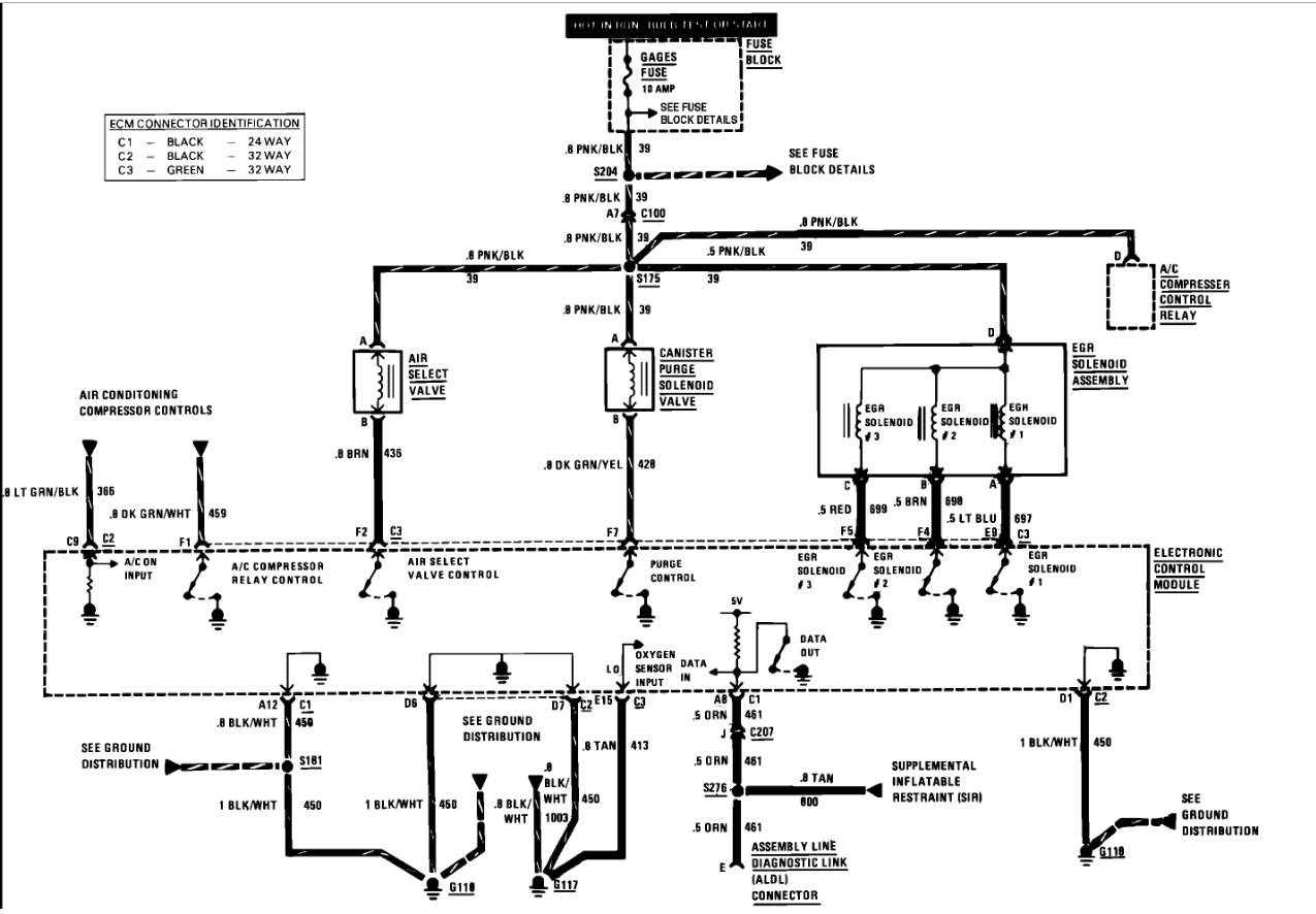
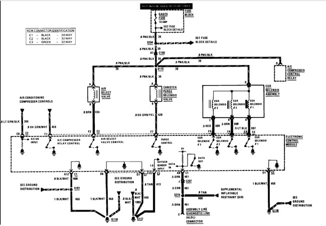
I am trying to figure out how to wire in a new EGR valve plug, and the manual does not say which colors go where on it, and the plug i have doesn't have the same colored wires....any help would be greatly appreciated....
Also, on the same car, what are a few things that could mess with the idle speed, if we set it to idle about 10 rpms, it dies when we stop, if we set it to not die, it tries to jump when we are stopped...could it be the EGR or MAP sensor plugs not being proper??
Thank you guys!!!
Also, on the same car, what are a few things that could mess with the idle speed, if we set it to idle about 10 rpms, it dies when we stop, if we set it to not die, it tries to jump when we are stopped...could it be the EGR or MAP sensor plugs not being proper??
Thank you guys!!!
Mar 29, 2010 at 2:32 AM
