Good afternoon,
I attached the procedure for you for the module. I also attached the wiring diagram of the system for you and specifically the module connector. This video shows the job being done on a similar car but the process is the same.
https://youtu.be/lUotkKXG9dY
and
https://www.2carpros.com/articles/how-to-replace-a-abs-controller
and
https://www.2carpros.com/articles/how-to-check-wiring
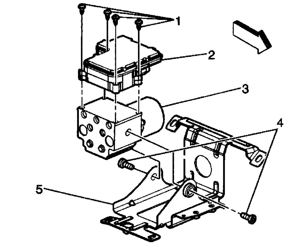
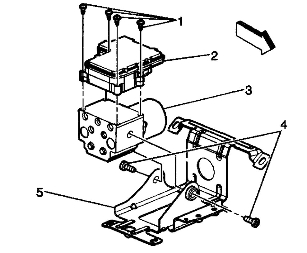
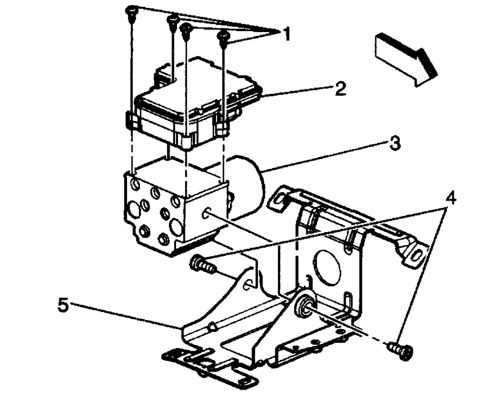
Electronic Brake Control Module (EBCM) Replacement
Removal Procedure
Important: After installation, calibrate the new EBCM to the tire size that is appropriate to the vehicle.
Important: Thoroughly wash all contaminants from around the EHCU. The area around the EHCU must be free from loose dirt to prevent contamination of disassembled ABS components.
imageOpen In New TabZoom/Print
1. Disconnect the electrical connectors from the EBCM (2).
2. Remove the four T 25-TORX mounting screws (1) that fasten the EBCM (2) to the BPMV (3).
3. Remove the EBCM (2) from the BPMV (3). Removal may require a light amount of force.
Important: Do not use a tool to pry the E13CM or the BPMV.
4. Clean the BPMV (3) to EBCM (2) mounting surfaces with a clean cloth.
Images (Click to enlarge)
Mar 17, 2021 at 3:04 PM