Engine knocking up top

2001 CHEVROLET BLAZER
149,000 MILES • 6 CYL • 4WD • AUTOMATIC
Avatar
BHAMDDH
  • MEMBER
  • 1 POST
what could be causing a knocking noise and loss of engine power
Oct 10, 2010 at 10:14 AM
Advertisement
Avatar
HMAC300
  • CERTIFIED EXPERT
  • 48,601 POSTS
knocking noise can be many. something like you describe can be a broken piston, it can also be a broken push rod, a rocker arm off or something like that. it's best to let a pro chekc it if you don't know what to look for......
Oct 12, 2010 at 7:37 PM
Avatar
KRDEADLY
  • MEMBER
  • 1 POST
My blazer starts good. After start-up, the engine sounds quiet but as it starts warming up, a knocking/ticking sound starts to appear. When cold, the oil pressure reads about 60 - 70 and after warm up/ driving, the pressure reads from 20 - 38 at idle. Of course the pressure will go up when I rev the engine or taking off. I opened the driver side valve cover and it seemed to be clean with no sludge but I still took out the rods and sprayed through them with the chem tool carburator cleaner. One of the lifters somehow popped up a little after I sprayed it with the cleaner, that I had to turn the engine so I can re-seat the rod. It was the first lifter towards the front of the vehicle. Since this side wasn't that dirty, I chose not to mess with the passenger side valves as there's too many hoses and AC stuff in the way.
The thing is from what I've researched online, it seems that, if the lifters or rods were bad, the noise should exist no matter the engine temperature, or exist when cold and go away when warm. When I listen around the engine, with a dowel or a long piece of metal, no noise from the valve covers or the top of the engine. I can't really use the dowel or the wire to listen to the front part of the engine due to all the belts, so I just lean in and listen and it almost sounds like it's coming from the area where the two bigger pulleys are at. Biggest pulley being the center one and also the other one to the right of it. (Sorry for my description as I don't really know which is which other than to guess that the biggest pulley would be the one attached to the motor itself).
I recently bought this vehicle with 194000 miles on it. Changed the oil and filter right the same day and saw it was fairly dark oil with a little sludge but no metal shavings. I put in Mobil 1 high mileage 5w-30 and an engine repair additive. One week later about 77 miles into it, I changed the oil and filter again. I used fram filter both times. Still not seeing/ hearing a difference. The engine is not losing power or dying on me but I'm concerned this may lead to bigger problems if I don't nip it.
Once again folks, I ask for your help in getting this figured out. Symptom is {engine is quiet when cold, starts knocking sound after warm, regardless of rpm, idle or run. And knocking speed follows the rpm as well}. My vehicle is a 1996 Chevy S10 Blazer; V6; 4.3 liter; Vortec; 4X4

Thank you
Oct 29, 2019 at 4:16 PM (Merged)
Advertisement
Avatar
STRAILER
  • CERTIFIED EXPERT
  • 53,854 POSTS
Hello,

These engines are roller cam and lifters so it normal for them to make a little noise at idle. Also, it could be a wrist pin that is seized up.

Since there is no sludge in the engine I don't think the oil pump pick up is clogged but you never know.

Lastly the oil pump pressure relieve valve could be stuck which means the engine needs a new oil pump. You will need to remove the oil pan and pump to see whats going on.

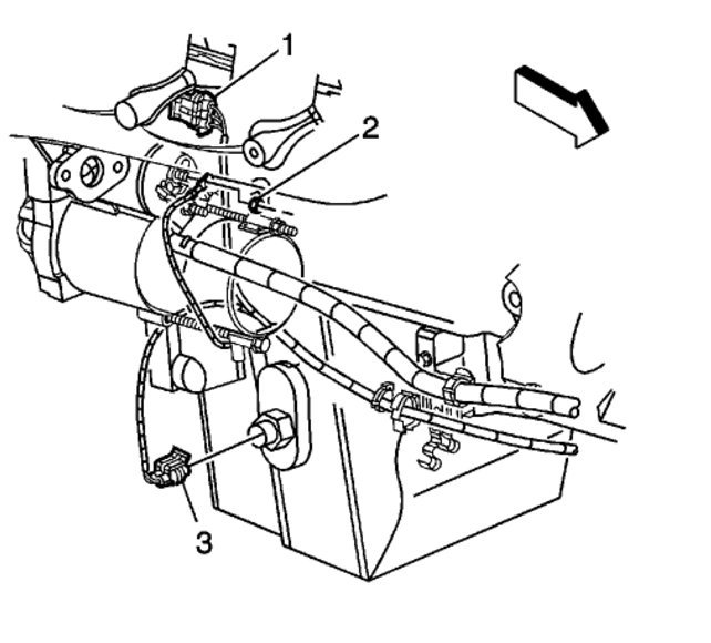
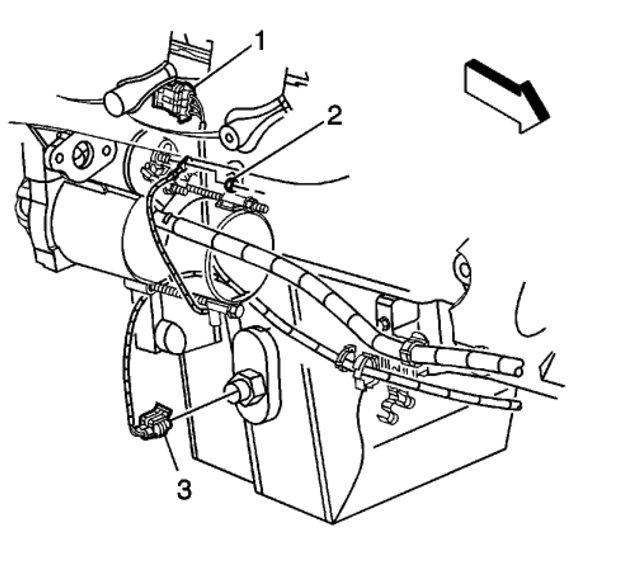
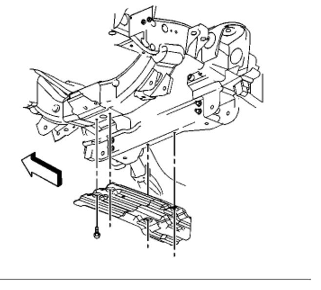
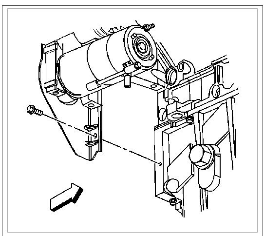
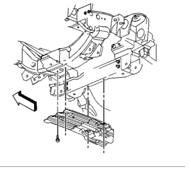
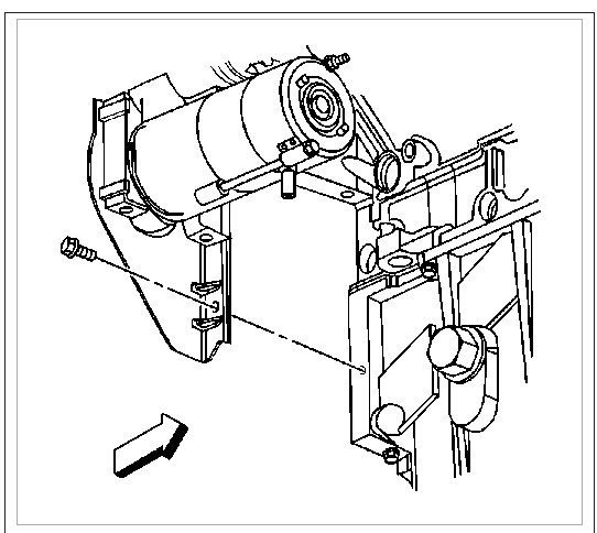
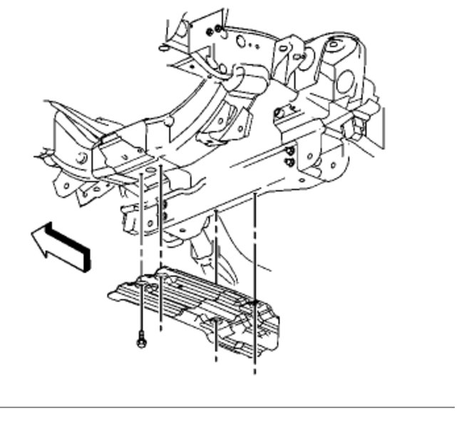
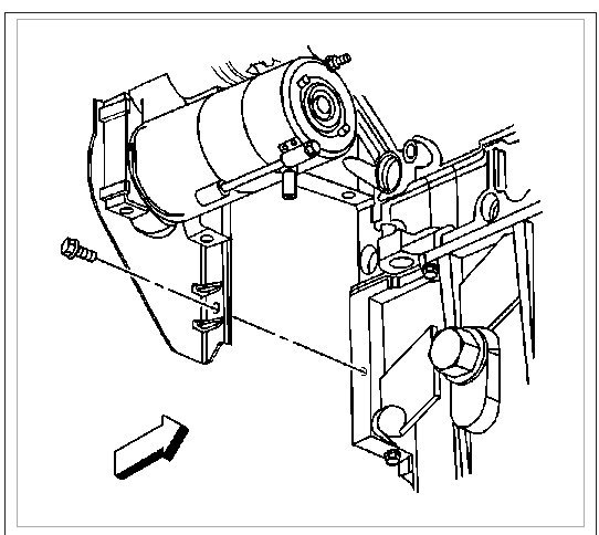
Here are diagrams to help (below)

Please let us know what happens, we are interested to see what it is.

Cheers, Ken
Oct 29, 2019 at 4:16 PM (Merged)
Avatar
SANDYROSIER
  • MEMBER
  • 1 POST
OK, Last month my check engine light came on. I took the vehicle to a Chev. dealership and they told me that it misfired and needed a major tune up at a cost of 800.00. They called and said both engine mounts were broken at an additional expense of 600.00 and that I should service the transmission. Total bill to pick up this vehicle worth 3000.00 was $2000.00, I drove away to experience tthe brake peddle shaking. Turned around after 7 miles and was told that the hub and bearing were out, and that the radiator was cracked. After these additional repairs, te car was vibrating (1 week later) and I was told that it needed rotors turned and brake pads. I have always had the car serviced at 3000 miles and transmission serviced at 50000 miles and no REAL problems. I have had the car back for one month now and a 100 miles from home last night I was on a 3 lane highway doing about 74MPH in cruise control when the car started a violent shake, it seemed to loose power and by the time I got it pulled over it died. I looked under the vehicle and did not see anything leaking or no smell. I tried to restart the vehicle; it started immediately but was shaking and I could hear a knocking under the hood. A few minutes later I tried the same thing, with the same results. I had the car towed ($250) to the dealership that did original repairs, but they are closed until Monday. Any ideas or suggestions? Woman neening advise!
Oct 29, 2019 at 4:16 PM (Merged)
Avatar
SWILLIAMS
  • CERTIFIED EXPERT
  • 597 POSTS
I really hate to knock the dealer BUT it sounds bad to me.

First ask them for the EXACT trouble code that came up. simply saying it had a misfire could mean a lot of different codes. If it was a random misfire in all cylinders that would mean a different solution than misfire detected in cylinder number 3. Even then a set of plugs, plug wires, cap and rotor for the 4.3 is under 200 bucks. Throw in a top end cleaning and injector cleaning and you might kill $400.00 including labor.
As for the broken mounts, I have owned 7 S-Series Blazers and have seen one broken mount! I've replaced one on a customer owned vehicle, they don't fail that much.

Hub being bad on a Blazer at 81K, Very possible, BUT for you to drive it in and not notice it before they did work on it? Not likely, they don't usually fail that fast The usual failure starts with a hum that gets louder and changes note as you turn. I have seen them go 5K miles making noise and never had brake related shaking from it. I would surmise the brake problem was a result of rust on the rotors. Not much to do but turn them and throw on a set of pads. The cracked radiator? Not sure, that isn't a common thing. Without seeing it I can't say.

The latest problem could be caused by the "tune up" they did. It could also be unrelated.
If it was me I would take it to a different BUT trustworthy independent shop (ask around and get recommendations) and have them look it over and see what they say.
Good luck.
Oct 29, 2019 at 4:17 PM (Merged)
Avatar
MRROOSTER
  • MEMBER
  • 2 POSTS
Last winter I started to get a loud engine knock when starting up. As time progressed it got worse. I thought it sounded like an exhaust leak but when I got out to listen it sounded like parts were going to come flying through the engine. It does not do it all the time. It lasts from 10-15 seconds to 10-15 minutes but only on start up. When it does stop it stops all at once, not gradually. Sometimes it does it again after a short time sitting. Other times it takes sitting overnight to do it again.One mechanic told me it was the cam shaft pulley. That is tight and does not seem like the problem. My regular mechanic said it is the lifters.
Oct 29, 2019 at 4:17 PM (Merged)
Avatar
RASMATAZ
  • CERTIFIED EXPERT
  • 75,992 POSTS
If the oil pressure is okay sounds more like a lifter leakdown problems.
Oct 29, 2019 at 4:17 PM (Merged)
Avatar
MRROOSTER
  • MEMBER
  • 2 POSTS
Okay. What do I have to do to repair the problem?
Oct 29, 2019 at 4:17 PM (Merged)
Avatar
RASMATAZ
  • CERTIFIED EXPERT
  • 75,992 POSTS
You need to replace the lifters and mike the camshaft if its out of specs replace it.
Oct 29, 2019 at 4:17 PM (Merged)