Firing order?

2000 CHEVROLET BLAZER
Avatar
STEPHENR1128
  • MEMBER
  • 1 POST
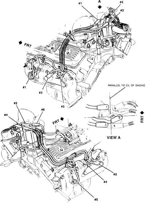
I need the spark plug wiring diagram for this vehicle. having trouble with misfire after installing new wires. need to make sure wires are put back correctly.
Feb 20, 2009 at 11:14 AM
Advertisement
Avatar
STRAILER
  • CERTIFIED EXPERT
  • 53,854 POSTS
Hello, my information showed this for the 2000-4.3-vin X and K. Firing Order 1-6-5-4-3-2


https://www.2carpros.com/forum/automotive_pictures/170934_chevy_blazer_1.jpg

Please let us know if you need anything else to get the problem fixed. Cheers, Ken
Sep 20, 2017 at 4:24 PM
Avatar
CHRISTEIXEIRA
  • MEMBER
  • 1 POST
Whats the Firing Order on 1999 Chevy Blazer 4.3l engine
May 14, 2021 at 12:34 PM (Merged)
Advertisement
Avatar
STRAILER
  • CERTIFIED EXPERT
  • 53,854 POSTS
Hello,

Here is the firing order for your car 4.3 v6 engine. (below)

Please let us know if you need anything else to get the problem fixed.

Cheers, Ken
May 14, 2021 at 12:34 PM (Merged)
Avatar
KEITHPRIVETT
  • MEMBER
  • 1 POST
Spark plug wire diagram?
May 14, 2021 at 12:34 PM (Merged)
Avatar
JDL
  • CERTIFIED EXPERT
  • 16,098 POSTS
Check out the diagrams (Below). Please let us know if you need anything else to get the problem fixed.


https://www.2carpros.com/forum/automotive_pictures/170934_firing_order_1.jpg

The info showed this for the 4.3.
May 14, 2021 at 12:34 PM (Merged)
Avatar
MWILDER75
  • MEMBER
  • 4 POSTS
what is the number 1 position on distributer cap?
May 14, 2021 at 12:34 PM (Merged)
Avatar
RASMATAZ
  • CERTIFIED EXPERT
  • 75,992 POSTS
At 5 O clock position-see below

May 14, 2021 at 12:34 PM (Merged)
Avatar
WRENCHTECH
  • CERTIFIED EXPERT
  • 20,761 POSTS
This picture might be easier to read.
May 14, 2021 at 12:34 PM (Merged)
Avatar
MWILDER75
  • MEMBER
  • 4 POSTS
Thank You for your help this worked
May 14, 2021 at 12:34 PM (Merged)
Avatar
IAMGRAYSONC
  • MEMBER
  • 2 POSTS
I changed spark plug cables and distributor cap and think I have them installed in the wrong order ?
May 14, 2021 at 12:34 PM (Merged)
Avatar
HMAC300
  • CERTIFIED EXPERT
  • 48,601 POSTS
Hello,

Here is the ignition system firing order for your truck 1-8-4-3-6-5-7-2 pic included. Check out the diagrams (Below). Please let us know if you need anything else to get the problem fixed.
May 14, 2021 at 12:34 PM (Merged)
Avatar
DANNY L
  • CERTIFIED EXPERT
  • 5,648 POSTS
Glad to hear this information helped. Thanks for using 2CarPros and we hope you will use our site again in the future when needed.

Danny-
May 14, 2021 at 12:34 PM (Merged)
Avatar
BRYANTD
  • MEMBER
  • 4 POSTS
what's the firing order for a 1992 chevy s10 blazer 4.3
May 14, 2021 at 12:34 PM (Merged)
Avatar
STRAILER
  • CERTIFIED EXPERT
  • 53,854 POSTS
Firing Order .................... 1-6-5-4-3-2 . Please let us know if you need anything else to get the problem fixed.
May 14, 2021 at 12:34 PM (Merged)
Avatar
EDWARD BECCO
  • MEMBER
  • 1 POST
i need to see a diagram on how to put the wires in order
May 14, 2021 at 12:35 PM (Merged)
Avatar
RASMATAZ
  • CERTIFIED EXPERT
  • 75,992 POSTS
Check out the diagrams (Below). Please let us know if you need anything else to get the problem fixed.


https://www.2carpros.com/forum/automotive_pictures/12900_fo_95.jpg

May 14, 2021 at 12:35 PM (Merged)
Avatar
REDLOVER8
  • MEMBER
  • 1 POST
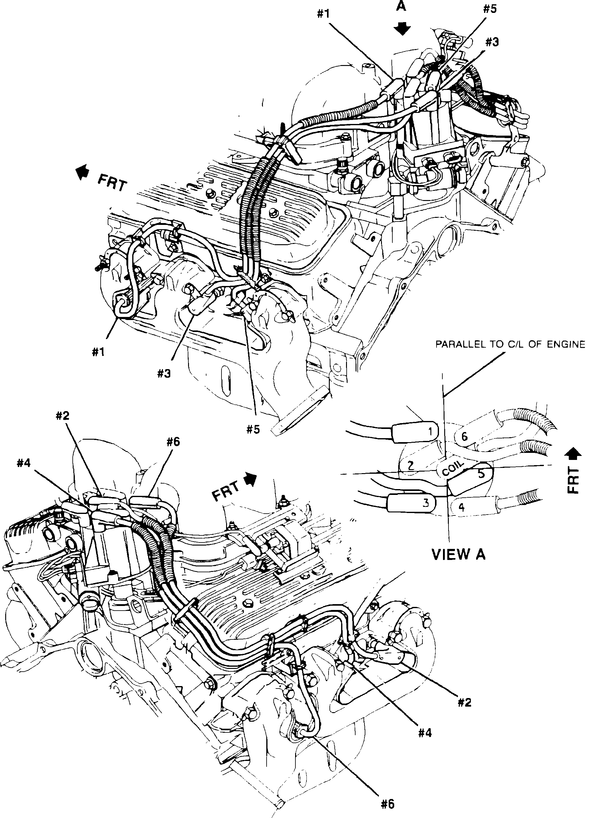
my father passed away a few years ago and left his jeep in the garage. it doesnt run. it turns over but wont start. i am getting fuel and air so my next area to look is spark. he put a 4.3L from a '93 chevy blazer into it. it has a tbi but i dont know if that came with the engine or not. i have searched the internet and found some websites for other year engines. but i would like to know for that specific year where the spark plug wires go. basically what terminal on the distributor attaches to what spark plug. thank you for your time. Josh.
May 14, 2021 at 12:35 PM (Merged)
Avatar
JDL
  • CERTIFIED EXPERT
  • 16,098 POSTS


https://www.2carpros.com/forum/automotive_pictures/170934_chevy_blazer_2.jpg

Hello, I came across the above picture. I'm not sure I trust pictures? You can put the number one cylinder on tdc of compression stroke, then whichever coil tower the rotor is pointing at or leading into, is the number 1 tower, you can see the firing order and direction of rotation on the cap. Did this vehicle run after the engine change-over?
May 14, 2021 at 12:35 PM (Merged)
Avatar
BRYANTD
  • MEMBER
  • 4 POSTS
Just did a tune up and can't remember the firing order on my vehicle. any help would be much appreciated.
May 14, 2021 at 12:35 PM (Merged)
Avatar
JACOBANDNICKOLAS
  • CERTIFIED EXPERT
  • 110,175 POSTS
Welcome to 2CarPros.

Not a problem. Here is the firing order:

IGNITION FIRING ORDER
Firing Order .................... 1-6-5-4-3-2

The attached picture shows cylinder location.

Picture 2 shows wire routing and if you look at the distributor, it indicates which wire goes to each cylinder.

Let me know if this helps or if you have other questions.

Take care,
Joe
May 14, 2021 at 12:35 PM (Merged)
Avatar
BRYANTD
  • MEMBER
  • 4 POSTS
thanks for the help it worked
May 14, 2021 at 12:35 PM (Merged)
Avatar
JACOBANDNICKOLAS
  • CERTIFIED EXPERT
  • 110,175 POSTS
You're very welcome. It is an easy thing to have happen. Take care and let us know if you have questions in the future.

Good job,
Joe
May 14, 2021 at 12:35 PM (Merged)
Avatar
BRYANTD
  • MEMBER
  • 4 POSTS
Would the parking sensor cause my bmw 528i 2008 from starting?
May 14, 2021 at 12:35 PM (Merged)
Avatar
JACOBANDNICKOLAS
  • CERTIFIED EXPERT
  • 110,175 POSTS
Welcome back:

No, that shouldn't cause a problem. Most times, it is either a fuel or ignition spark related issue. You need to check to see if you have both. If you do, then we need to look at timing.
Take a look through this link:

https://www.2carpros.com/articles/car-cranks-but-wont-start

If you want to check the two things I suggested, here are links to guide you:

https://www.2carpros.com/articles/how-to-check-fuel-system-pressure-and-regulator

https://www.2carpros.com/articles/how-to-test-an-ignition-system

____________________________________________________________________

Here are the specific directions for testing fuel pressure. The attached pictures correlate with the directions.

CHECKING FUEL PUMP DELIVERY PRESSURE
13 31 029 - Checking fuel pump delivery pressure (N52)


pic 1


Special tools required:
- 13 5 220
- 13 5 221
- 13 5 222


pic 2


Important!
The fuel in the fuel lines is under pressure (approx. 5 bar)!

Catch and dispose of escaping fuel.


pic 3


Necessary preliminary tasks:
- Switch off ignition.
- Remove acoustic cover See: Engine > Removal and Replacement > 11 00 ... Removing and Installing/Replacing Acoustic Cover


pic 4

Remove dust cap (1).


pic 5

Connect special tool kit 13 5 220 (comprising 13 5 221 and 13 5 222) to pressure sensor of DIS Tester.

Connect pressure sensor to DIS Tester.


pic 6


Important!
Do not under any circumstances screw in the check valve up to the mechanical stop.

This could damage the valve in the pressure regulator housing.

pic 7


Mount special tool kit 13 5 220 to injection tube and tighten knurled nut hand-tight.

Screw out check valve (1) so that valve in pressure regulator housing is closed.

Start engine.

Screw in check valve (1) until a pressure reading is indicated on DIS Tester.


pic 8

Measuring fuel pressure.

- Select Measurement.
- Multimeter function appears
- Select Pressure test
- Read off value of fuel pressure.
Compare actual value of test pressure with specified value .

Switch off engine.


pic 8

Note:
Removing special tool kit 13 5 220:

- Switch off engine
- Screw out check valve fully again.
- Remove special tool kit 13 5 220 from pressure regulator housing.
- Catch and dispose of escaping fuel.


pic 8


Note:
Read out fault memory of DME control unit.

Check stored fault messages.

Now clear the fault memory.

____________________________________________

I just realized this is for a different vehicle. If you have further questions related to it, I need you to start a new thread. We are trying to keep them specific to one car and problem so it helps others. I'm sorry about that.

Regardless, in the next thread you start, make sure to indicate if you checked these things and what was found.

Take care,
Joe
May 14, 2021 at 12:35 PM (Merged)
Avatar
JOEL1983
  • MEMBER
  • 1 POST
What is the correct spark wire sequence to this chevy.
May 14, 2021 at 12:35 PM (Merged)
Avatar
BLUELIGHTNIN6
  • CERTIFIED EXPERT
  • 16,542 POSTS
Check out the diagrams (Below). Please let us know if you need anything else to get the problem fixed.


https://www.2carpros.com/forum/automotive_pictures/261618_Graphic_187.jpg

May 14, 2021 at 12:35 PM (Merged)
Avatar
1986 CHEVROLET BLAZER SUV
  • MEMBER
  • 4 POSTS
When I start the truck it started to back fires and shakes real bad and turns off I think my spark plugs wires are placed wrong. Or my have the firing order wrong some one place help
May 14, 2021 at 12:35 PM (Merged)
Avatar
CJ MEDEVAC
  • CERTIFIED EXPERT
  • 11,004 POSTS
remember # one's position on the distributor cap may vary depending on how you install the distributor

Wherever #1 winds up---that is the starting point for the sequence
May 14, 2021 at 12:35 PM (Merged)
Avatar
1986 CHEVROLET BLAZER SUV
  • MEMBER
  • 4 POSTS
Thank you I hope this works and I will be sure to keep you posted
May 14, 2021 at 12:35 PM (Merged)
Avatar
1986 CHEVROLET BLAZER SUV
  • MEMBER
  • 4 POSTS
Dose it matter if the spark plugs wires are placed in the wrong order?
May 14, 2021 at 12:35 PM (Merged)
Avatar
CJ MEDEVAC
  • CERTIFIED EXPERT
  • 11,004 POSTS
Very much.


The Medic
May 14, 2021 at 12:35 PM (Merged)
Avatar
1986 CHEVROLET BLAZER SUV
  • MEMBER
  • 4 POSTS
Not in wrong firing order but , just the sparke plug wires in general?
May 14, 2021 at 12:35 PM (Merged)
Avatar
GENDY
  • MEMBER
  • 1 POST
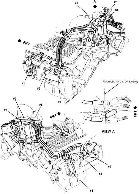
I need the spark plug wiring diagram for this blazer. having trouble with misfire after instling new wires. need to make sure wires are put back correctly.
May 14, 2021 at 12:35 PM (Merged)
Avatar
RASMATAZ
  • CERTIFIED EXPERT
  • 75,992 POSTS
Here you go


https://www.2carpros.com/forum/automotive_pictures/12900_fo_blazer_1.jpg

May 14, 2021 at 12:35 PM (Merged)
Avatar
CJ MEDEVAC
  • CERTIFIED EXPERT
  • 11,004 POSTS
You mean the entire wire from beginning to end, got swapped from #6 to # 3-----but is still hooked up correctly in firing order?

The medic
May 14, 2021 at 12:35 PM (Merged)
Avatar
HMAC300
  • CERTIFIED EXPERT
  • 48,601 POSTS
after checking firing order scan for codes and check fuelpressure with a gauge autoparts rent it
May 14, 2021 at 12:35 PM (Merged)
Avatar
BIGCCHEW77
  • MEMBER
  • 3 POSTS
1995 chevy blazer 4.3L VIN W engines Firing order
May 14, 2021 at 12:35 PM (Merged)
Avatar
RASMATAZ
  • CERTIFIED EXPERT
  • 75,992 POSTS


https://www.2carpros.com/forum/automotive_pictures/12900_1995_chevy_blazer_Fir_ing_order_2.jpg

May 14, 2021 at 12:35 PM (Merged)