Door Locks

2003 CHEVROLET AVALANCHE
Avatar
CREWMJ71
  • MEMBER
  • 1 POST
Electrical problem V8 Four Wheel Drive Automatic 133071 miles

Here is the problem, when you lock the door all four doors will lock. When you unlock the doors only the front two will unlock. I thought maybe the relays so I found them and swapped them out they both had the same part number. The problem changed when you unlock the doors all four will unlock but when you lock them only the front two will lock and you can open the back two door and not set off the alarm system. I think I am chasing a wiring problem need a schematic to help trouble shoot or is there another relay that I don't know about.
Jul 3, 2010 at 8:55 AM
Advertisement
Avatar
JACOBANDNICKOLAS
  • CERTIFIED EXPERT
  • 110,175 POSTS
Hello,

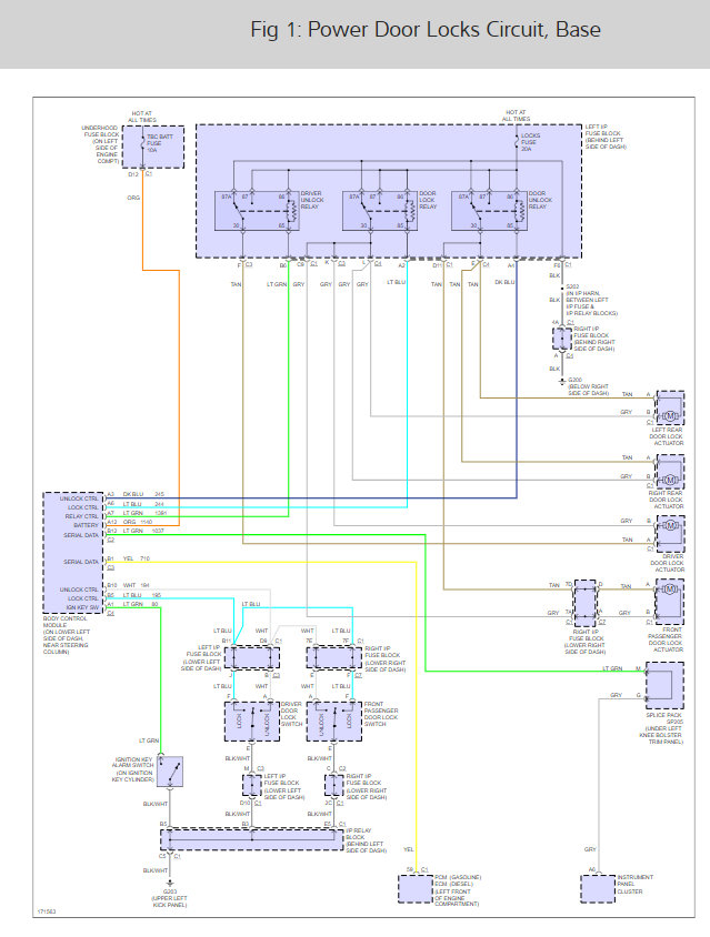
Here are the wiring diagrams for the door locks and a guide to help you see where you are losing power at.

https://www.2carpros.com/articles/how-to-use-a-test-light-circuit-tester

and

https://www.2carpros.com/articles/electric-window-repair

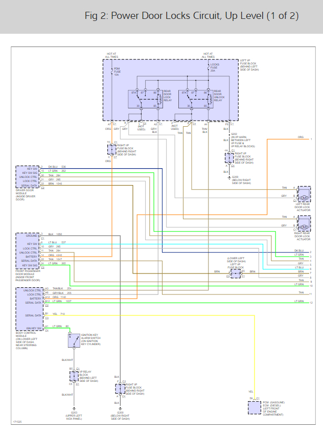
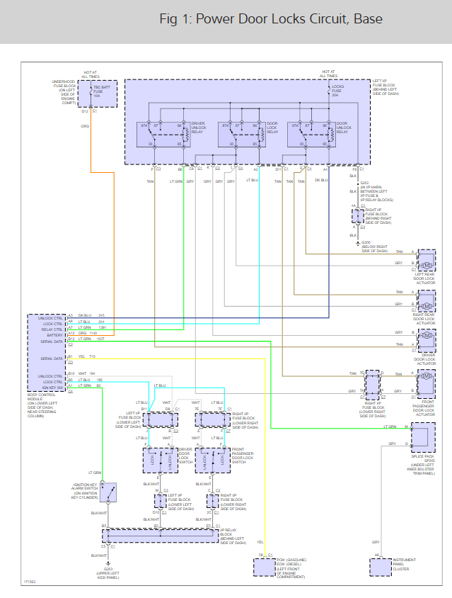
Here are the door lock wiring diagrams, if everything checks out the BCM has gone bad and needs to be replaced.

Check out the diagrams (Below)

Please let us know what happens.

Cheers
Jul 18, 2010 at 11:16 PM
Avatar
CREWMJ71
  • MEMBER
  • 1 POST
Thanks for the guides I did some testing and found it was the BCM I got a used one for 150.00 and now everything is working great.
Jul 20, 2010 at 11:19 PM
Advertisement