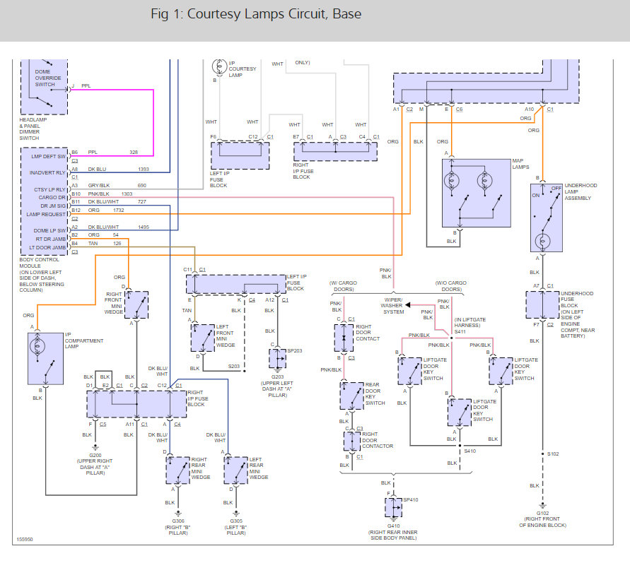
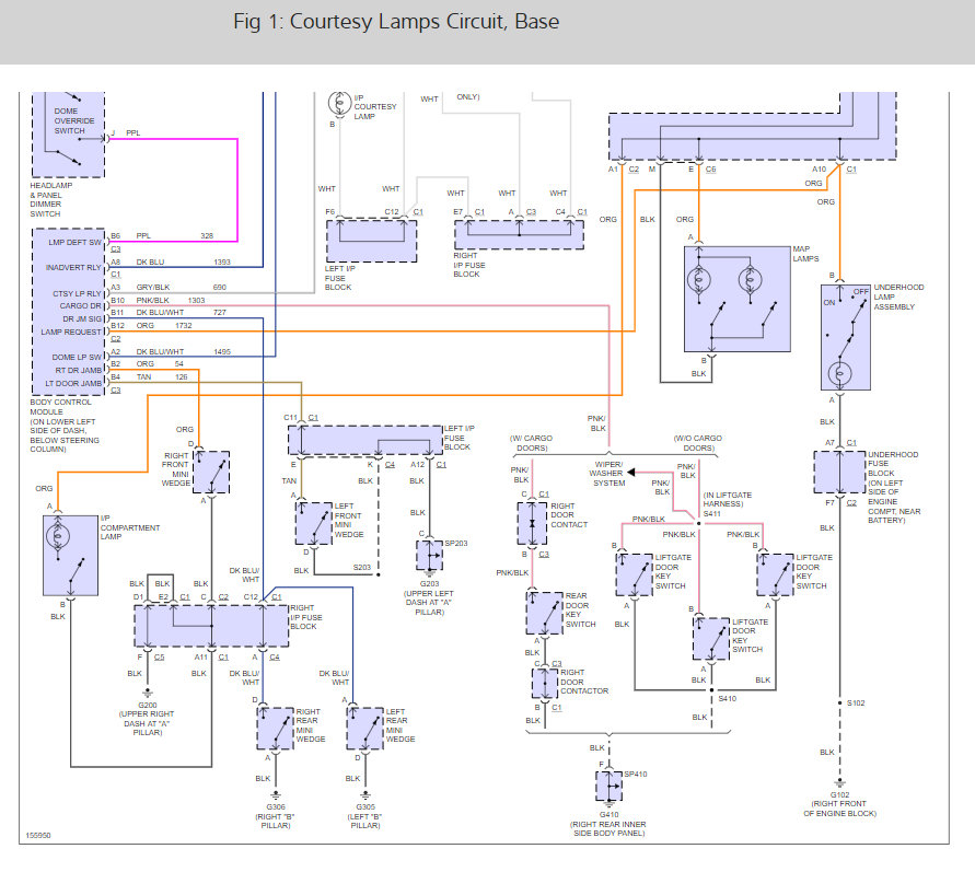
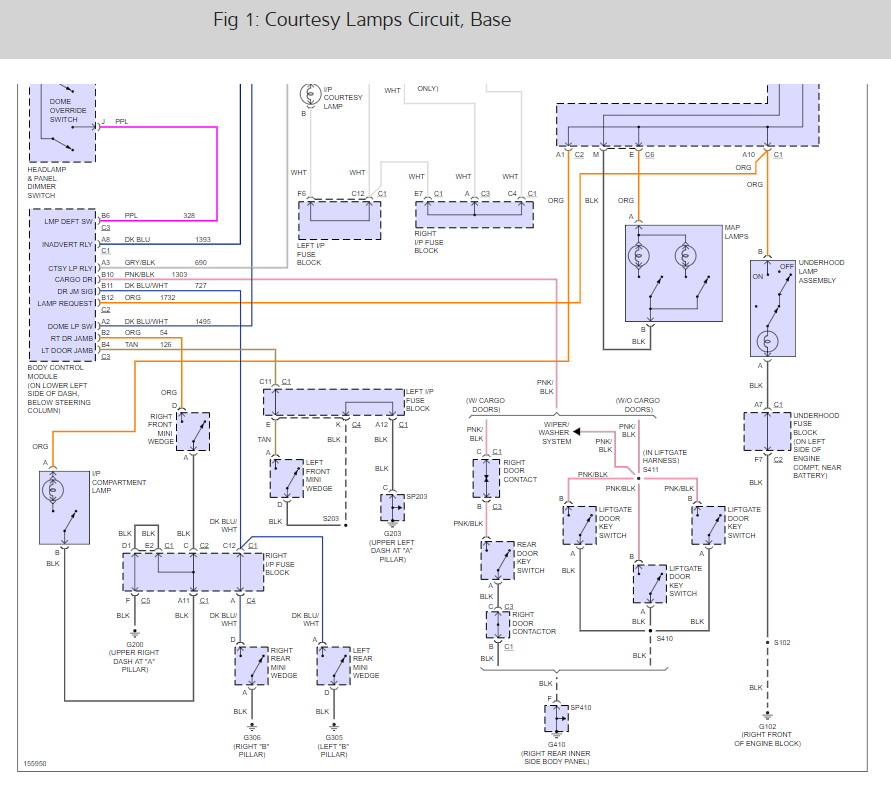
my dome and interior courtesy lights stay on all the time. i've tried to check everything i can think of but no luck yet. am i overlooking something easy or am i going to have to go to an electrical specialist? any ideas?
Mar 8, 2010 at 6:20 PM






