There is only one way to remove it. However, I would recommend having as little fuel in it as possible and use a jack to lower it. Protect the tank from the jack by using wood between the two.
1. Relieve the fuel system pressure. Refer to the Fuel Pressure Relief Procedure.
2. Raise the vehicle. Refer to Lifting and Jacking the Vehicle.
3. Drain the fuel tank. Refer to Fuel Tank Draining Procedure (Utility Single Tank) or Fuel Tank Draining Procedure (Utility Dual Tank Front) or Fuel Tank Draining Procedure (Utility Dual Tank Rear).
4. Remove the evaporative emission (EVAP) canister.
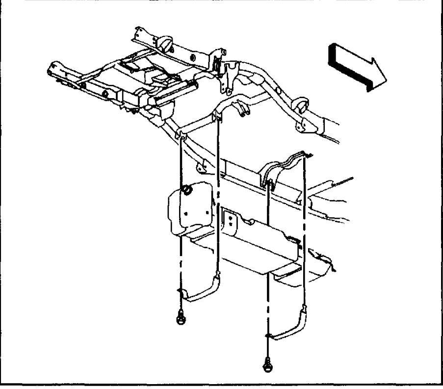
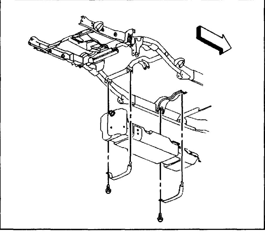
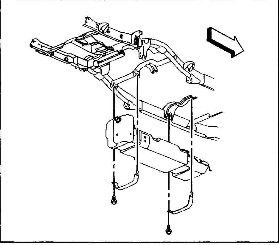
5. Disconnect the chassis fuel pipes (2) at the fuel tank pipes (1).
6. Cap the fuel and EVAP pipes in order to prevent possible fuel system contamination.
7. Disconnect the EVAP vent pipe at the fuel tank clip (5).
8. Loosen the vent hose and filler hose clamp (4, 2).
9. Disconnect the vent hose and filler hose from the pipe.
10. With the aid of an assistant, support the fuel tank.
NOTE: Refer to Damage to Fuel Tank Straps Notice in Service Precautions.
11. Remove the fuel tank strap attaching bolts.
12. Remove the fuel tank straps.
13. Carefully lower the rear of the fuel tank slightly.
14. Remove the fuel sender cover on the Suburban only.
15. Disconnect the fuel sender and the fuel pressure sensor electrical connectors.
16. Remove the fuel tank.
17. Place the fuel tank in a suitable work area.
18. Remove the fuel feed and return pipes (3) from the fuel sender and the retaining clips.
19. Remove the fuel sender assembly from the fuel tank.
20. Remove the EVAP pipe from the fuel tank roll over valves (2, 4) and the retaining clips (1).
21. Remove the fuel fill hose and the vent hose from the fuel tank.
See diagrams below
Images (Click to enlarge)
Jul 10, 2010 at 10:50 PM